SM482_PLUS_TRM(Ver2.5_CS20.11) - 第188页
Page +$1:+$ 188 SM482 PLUS Power Block Diagram(3/8) - J90831063A AM03-018606A AM03-018605A AM03-013512D AM03-003859B AM03-020599B 2 PE01 2 2 PE02 2 2 2 2 2 2 2 240 (SM33_PW005) (SM48C_PW004) 2.5 mm (BLK) -MAIN S/W KG20B-…

Page
+$1:+$
187
SM482
PLUS
Power Block Diagram(2/8)
22
12
-EM S/W1
21
11
(CONV.CN17-3)
EM1
-EM S/W2
22
12
21
11
EM2
(CONV.CN18-3)
(FRONT)
(REAR)
21
22
11
12
21
11
22
12
-DOOR S/W1
(FRONT)
-DOOR S/W2
(REAR)
DOOR1
(CONV.CN17-4)
DOOR2
24G
(CONV.CN17-5)
(CONV.CN18-4)
24G
(CONV.CN18-5)
24G
(CONV.CN17-6)
24G
(CONV.CN18-6)
READY OUT(S/W OUTPUT)
REM1
FD1
RD1
TF3
K1
TF2
-EM SPARE1
-EM SPARE2
TF1
-SAFEGUARD
OVERRIDE KEY
K1
DIP SW1-1
DIP SW1-4
DIP SW1-3
DIP SW1-2
LED7
LED4
LED3
LED5
LED6
(CN14-1)
(CN14-2)
(CN15-1)
(CN15-2)
(CN13-4)
EXTERNAL INTERLOCK IF
(CN3-7)
(CN3-8)
(CN4-7)
(CN4-8)
(CN3-11)
(CN3-12)
(CN4-11)
(CN4-12)
(CN18-3)
(CN18-4)
(CN19-4)
(CN19-3)
E E
24G
+24VDC(CN2)
-FUSE1
-K1
-K1
-MC1
-MC1
-READY S/W
-K6
(FRONT)
(REAR)
-MC2
-K4
(250V,0.5A)
6
5
MCEN1
6
5
MCA1
-K5
NO1A
3
4
NO1B
D24V(CN1)
K1
MC1
CN18-2
CN18-1
CN3-3
CN3-4
CN4-3
CN4-4
-K2
-K6
3
4
-K2
K6
3
4
K3
-K6
-K3
-K1
-MC2
CN19-2
CN19-1
MC2
-K3
9,12
-K5
5,8
F24V
R STEP/FEEDER PW
6
5
-K3
NO2A
NO2B
3
4
NO3A
NO3B
-K4
5
6
PWON
-K4
8
1
4
3
-A2
+A1
-A2
+A1
8
1
8
1
13
14
8
1
8
1

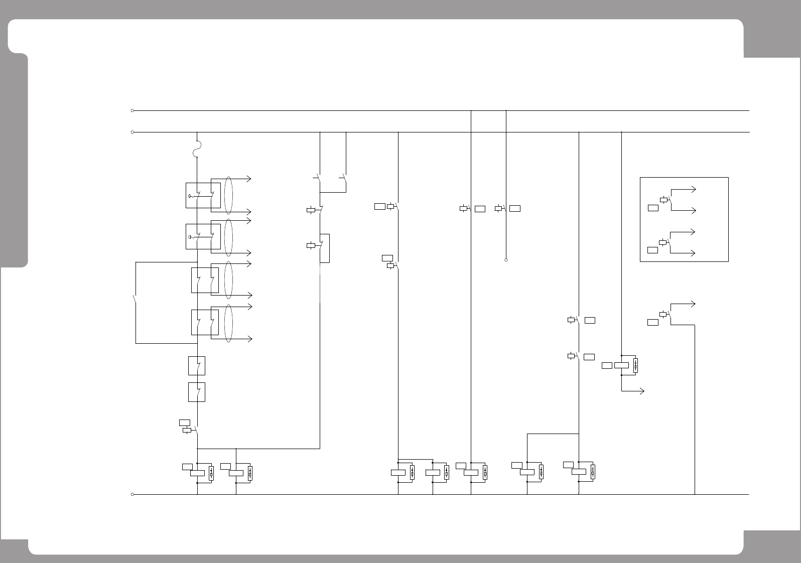
Page
+$1:+$
188
SM482
PLUS
Power Block Diagram(3/8)
-
J90831063A
AM03-018606A
AM03-018605A
AM03-013512D
AM03-003859B
AM03-020599B
2
PE01
2
2
PE02
2
2
2
2
2
2
2
240
(SM33_PW005)
(SM48C_PW004)
2.5 mm (BLK)
-MAIN S/W
KG20B-T203
L32
L33
L31
L22
L21
L23
SH202-C16
-CP1
(SM48C_PW003-2)
(SM33_PW001)
2.5 mm (BLK)
FACTORY MAIN POWER
4.0 mm (BLK)
- 200/208/220/240/380/415VAC FLA13A
-MCCB
(3Ø, 18A)
L13
L12
L11
- 3Ø ~50/60Hz SCR 100KA(220VAC)
T
SR
-EARTH PLATE
FRAME GROUND
-TRANS
220V
208200 220
L31
PE
to TB1-1A,TB1-6A
1L1
1L2
22S
22R 22T
SH203-C16
-CP2
TF2L1
TF2L2
TF2L3
220V 220V
0V 220V
200220415380 200 208 380240 415
L32
415208 220 380240
L33
2.5 mm (BLK)
X,Y1,Y2,SW AXIS(SERVO)
to MC1
6.SECONDARY #1 : 1Ø 220(1.5KVA)
SECONDARY #2 : 3Ø 220(2.0KVA)
2.FREQUENCY : 50/60Hz
1.CAPACITY : 3.5KVA
3.PHASE : 3Ø
4. CONNECTION: Y-Y
<TRANS SPECIFICATION>
5.PRIMARY : 3Ø 200/208/220/240/380/415V, 3.5KVA
(1Ø,16A)
(3Ø,16A)
to TB1-13A,TB1-15A
22R 22T
CONTROL RACK
MONITOR1,2
2.5 mm (BLK)
TF1L1
TF1L2
2.5 mm (BLK)
(SM421_PW106)
2.5 mm (BLK)
2.5 mm (BLK)
2.5 mm (BLK)
DC POWER #1,#2(24VDC)
AC FAN
(SM482_PW000_LT)
(3Ø, 25A)
GV2-ME20
-NF1
(3Ø, 20A)
TNS-5020
4.0 mm (Y/G)
246
135
1
456
23
2
1
264
135
4
3
24
13
6
5
1
2
3
4
5
6

Page
+$1:+$
189
Power Block Diagram(3/8)
SM482
PLUS
NO. PART NO. PART NAME Q'TY Old No. Supply Supply LT Reference
1 J90831063A MAIN_POWER_CABLE_ASSY SM33-PW001 1 SM33_PW001
2 J90831253C MCCB_NF1_EARTH_CABLE_ASSY 1 SM411_PW003-2
3 J90831066D NF1_MAIN_SWITCH_CABLE_ASSY 1 SM411_PW004
4 AM03-013512D CABLE ASSY-MAIN SWITCH_TRANS 1 AM03-900132/ AM03-013512A/ EP20-900105/
AM03-013512C
SM33_PW005
5 AM03-003859B CABLE ASSY-TRANS_CP1_2 1 AM03-003859A SM48_PW007
6 AM03-003859A CABLE ASSY-TRANS_CP1_2 1 SM421_PW106
7 AM03-006873A CABLE ASSY-CP2_TB1-MC1 1 SM48_PW008