FX-3-Rev12(-J) - 第154页
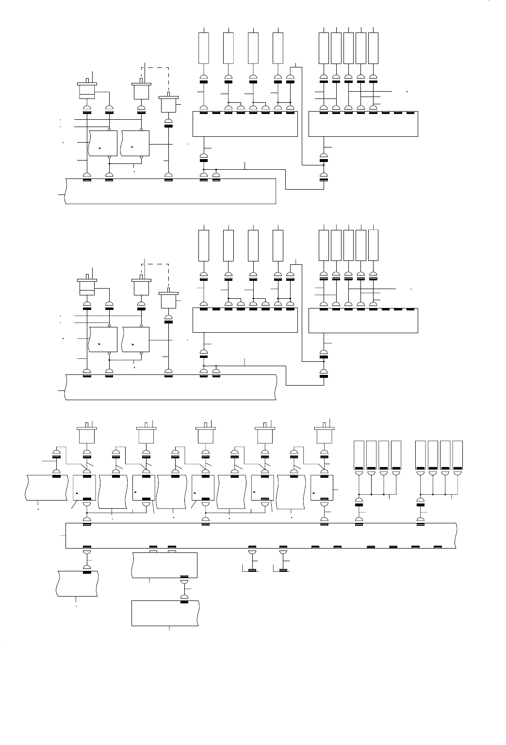
- 149 - 75. SYSTEM DIAGRAM (BASE-CARRY) SYSTEM DIAGRAM (BASE − CARRY) SBR1-1 SENSOR OUT OUT CN438 JOINT MOTOR CE NTER MO TOR (R) CMR-P OUT MOTOR PWRR03 3 O TM-P CMR-2 OTM-2 JM CN665 CN656 OTM CN665 CN656 CMR CN665 CN656 …

- 148 -
NOTE( 注記 ) #01....TYPE XL XL 仕様
REF.NO NOTE PART NO D E S C R I P T I O N
品 名
Qty
1 400-47079 POWER_SUPPRY_ASSY
電源供給組
2
2
#01
400-47140 POWER SUPPRY ASSY R(EN)
電源供給組(右)EN
2
3 401-49647 ETHER-MAIN PCB ASM
イーサメイン基板組
1
4 400-47981 BAD MARK FIBER AMP ASM
バッドマークファイバアンプ組
1
5 400-47506 HEAD-MAIN PCB ASM
HEAD − MAIN 基板組
5
6 400-47528 IP-X5 PCB ASM
IP − X 5基板 組図
2
7 400-47786 HEAD MAIN PWR CABLE (RF) ASM
ヘッドメイン電源ケーブル(RF)組
1
8 400-47812 XY BEAR CABLES ASM
XY ベアケーブル組
4
9 400-47948 ETHER HEAD RF CABLE ASM
イーサ ヘッド RF ケーブル組
1
10 400-47811 Y BEAR B CABLES ASM
Y ベア B ケーブル組
2
11 400-47949 ETHER HEAD RR CABLE ASM
イーサ ヘッド RR ケーブル組
1
12 400-47810 Y BEAR A CABLES ASM
Y ベア A ケーブル組
1
13 400-47944 OCC CABLE RF ASM
OCC ケーブル RF 組
1
14 400-47865 OCC CAMERA CABLE ASM
OCC カメラケーブル組
2
15 400-48028 OCC CAMERA
OCC カメラ
2
16 400-47866 OCC C LIGHT CABLE ASM
OCC C ライトケーブル組
2
17 400-47511 OCC C LIGHT PCB
OCC C ライト基板
2
18 400-47867 OCC A1 LIGHT CABLE ASM
OCC A 1ライトケーブル組
2
19 400-47507 OCC A LIGHT PCB
OCC A ライト基板
2
20 400-47868 OCC A2 LIGHT CABLE ASM
OCC A 2ライトケーブル組
2
21 HD-0022500-00 SENSOR
センサー
2
22 400-29824 TEMPERATURE SENSOR PCB ASM
温度センサ基板組
2
23 400-47874 HIGHT SENSOR UNIT ASM
ハイトセンサユニット組
2
24 400-48272 BASE TEMP CABLE ASM
ベース温度ケーブル組
2
25 400-48271 HEAD FAN CABLE ASM
ヘッドファンケーブル組
2
26 400-65160 HEAD PLATE FAN CABLE ASM
ヘッドプレートファンケーブル組
4
27 400-65162 OCC FAN CABLE ASM
OCC ファンケーブル組
2
28 400-65161 HEAD FAN RELAY CABLE ASM
ヘッドファン中継ケーブル組
2
29 400-47977 Z-THETA SIGNAL CABLE ASM
Z − θ 信号ケーブル組
2
30 400-44535 4AXIS SERVO AMP
4軸一体型サーボアンプ
6
31 400-48273 Z1 SLOW DOWN SENSOR ASM
Z 1 SLOW DOWN センサー組
2
32 400-48274 Z2 SLOW DOWN SENSOR ASM
Z 2 SLOW DOWN センサー組
2
33 400-48275 Z3 SLOW DOWN SENSOR ASM
Z 3 SLOW DOWN センサー組
2
34 400-48276 Z4 SLOW DOWN SENSOR ASM
Z 4 SLOW DOWN センサー組
2
35 400-48277 Z5 SLOW DOWN SENSOR ASM
Z 5 SLOW DOWN センサー組
2
36 400-48278 Z6 SLOW DOWN SENSOR ASM
Z 6 SLOW DOWN センサー組
2
37 400-48279 Z1 PRESSURE SENSOR ASM
Z 1 PRESSURE センサー組
2
38 400-48280 Z2 PRESSURE SENSOR ASM
Z 2 PRESSURE センサー組
2
39 400-48281 Z3 PRESSURE SENSOR ASM
Z 3 PRESSURE センサー組
2
40 400-48282 Z4 PRESSURE SENSOR ASM
Z 4 PRESSURE センサー組
2
41 400-48283 Z5 PRESSURE SENSOR ASM
Z 5 PRESSURE センサー組
2
42 400-48284 Z6 PRESSURE SENSOR ASM
Z 6 PRESSURE センサー組
2
43 400-48285 NOZZLE DOWN SENSOR1 CABLE ASM
ノズル DOWN センサー1ケーブル組
2
44 400-48286 NOZZLE DOWN SENSOR2 CABLE ASM
ノズル DOWN センサー2ケーブル組
2
45 400-47875 Z SLOW DOWN RELAY CABLE ASM
Z SLOW DOWN 中継ケーブル組
2
46 400-47877 Z PRESSURE RELAY CABLE ASM
Z PRESSURE 中継ケーブル組
2
47 400-47980 NOZZLE DOWN RELAY CABLE ASM
ノズル DOWN 中継ケーブル組
2
48 400-47869 VAC CABLE ASM
VAC ケーブル組
2
49 400-47870 BLOW CABLE ASM
BLOW ケーブル組
2
50 400-47982 NOZZLE UP SV ASM
ノズル UP SV 組
2
51 400-47787 HEAD MAIN PWR CABLE (RR) ASM
ヘッドメイン電源ケーブル(RR)組
1
52 400-47945 OCC CABLE RR ASM
OCC ケーブル RR 組
1
53 400-47507 OCC A LIGHT PCB
OCC A ライト基板
1
54 E9638-729-000 FIBER LENS
ファイバレンズ
1
55 HD-0013100-30 FIBER UNIT
ファイバユニット
1

- 149 -
75.SYSTEM DIAGRAM (BASE-CARRY)
SYSTEM DIAGRAM(BASE − CARRY)
SBR1-1
SENSOR
OUT
OUT
CN438
JOINT MOTOR
CE NTER MO TOR(R)
CMR-P
OUT MOTOR
PWRR033 OTM-P
CMR-2
OTM-2
JM
CN665
CN656
OTM
CN665
CN656
CMR
CN665
CN656
SHAPE Y(R)
MTR11-12
S2
S3
SBL2-5
SBL2-3
SOLV.
PCB(BC)
ETHER-SLAVE
BU(R) LOCK
SBL2-4
SBL2-2
(CENTER R)
(JOINT)
CN2
9-1A
BASE -CARRY
1-3B
(AWC L)
5 DRIVER
CN23
ENC1
CN19
SBL1/2
POWER UNIT(R)
CN1
CN033
8-2B
POWER UNIT(R)
CN1
CN9
8-2B
CN034
CN1
JM-2
8-2B
JM-P
CN027
CN1
CML-2
PCB
CML-P
ENC1
CN1
INM-P
CN033
CN32
J1
S3
PWRR027
8-1A
SMEMA
LOWER UNIT
OUT
POWER UNIT
(R)
7-3A
POWER UNIT(R)
COVER
J2
CN14
AN2
CN13
AN1
EV-R
8-2A
BU_LOCK
EV
BC-32
CN30
CN31
SMEMA-U
INM-1
MT1-2
PWR
(IN)
BCPWR
MTR1- 2
CN6
IN
ENC3
SPWR-L
SBL2
SENSOR
BULK-L
BU-L
CN445
1-3C
CN442
AWC-L
TPIN-L
COUT(L)
SENSOR
CN44 6
SENSOR
WAIT(L)
CN409L
SENSOR
STOP(L)
S1
SPWR-L
S2
S8
CN22
S7
S6
ENC4
S5
S4
CN12
S1
SBL1
SENS-L
CN27
SBL2
CN25
MT9- 10
CN17
POWER UNIT
(L)
CN665
COVER
IN
SMEMA-L
SMEMA
UPPER UNIT
SMEMA_U
SMEMA_L
SHAPE_X
SHAPE_Y
STOP
EV
CN24
STOPPER(R)
SOLV.
SHAPE X(R)
SOLV.
BU_LOCK
SHAPE_Y
SOLV.
SHAPE Y(L)
SOLV.
BU(L) LOCK
BC-24
AWC(L) ORG
ENC4
MT11-12
PCB
SBL2-1
S6
S5
S4
8-2B
(OUT)
SOLV.
SHAPE X(L)
SOLV.
STOPP ER(L)
MTR6-8
CN10
STOP
SHAPE_X
EV-L
SPO2
CN16
SPO1
CN20
6-3A
IN MOTOR
8-2A
PWRL033
CN656
CN656
PWRL035
CML
5 DRIVER
5 DRIVER
P2
(CENTER L)
CML-1
5 DRIVER
MTR3-5
PWRR035
CN2
CN29
SPO2
SPO1
CN28
JM-1
CN2
MT3- 5
5 DRIVER
OTM-1
MT6-8
5DRIVER
BASE-CARRY
9-2A
INM-2
INM
CN2
CN665
8-1D
ENC3
P1
CN2
CMR-1
CN035
3-1B
SENSOR
(BU L)
5DRIVER
8-4A
SENSOR
BU(L) ORG
S7
BU(L) LOCK
SENSOR
TPIN( L)
SENSOR
8-2C
10
1
2
6
8
9
14
4
15
1
2
1
2
3333
13
19
19
26
21
1
2
16
17
16 17
21
21
21
18
23
25 29 31
49
4
60
50
41
42
39
35
36
35
36
61
48
37
38
51
45
55
62
63
64
56
21
CN035
POWER UNIT(L)
8-2A
PWRR0 34
CENTER MOTOR(L)
EN2
ES-BC
CN2
ES-FL
CN1
11-1A
EN1
PCB(FEEDER_L)
ETHER-SLAVE
CN15
MTR9-10
BASE-CARRY
PCB
SENS-L
SBL1
S8
CONV DETECT
SENSOR
CS-8BPIN-L
SBL1-1
SBL1-34
SBL1-56
SBL1-78
IN
WAIT -L
STOP-L
COUT -L
PWR2
CSL-5
CSL-4
CSL-3
CN437
BU UP ENCODER(L)
BACK UP MOTOR(L)
CN657
CN667
BULM
CN658
CN668BU LE
AUTO WIDTH ADJUSTMENT
MOTO R(L)
CN659
AWCLE
AWCLM
CN660
1-5B
5DRIVER
(AWC R)
1-5B
5DRIVER
(BU R)
ENC2
CN18
ENC2
CN21
SPWR-R
CN26
SENS-R
SPWR-R
SENS-R
SBR1
AUTOWIDTH ADJUSTMENT
MOTOR(R)
AWCRE
CN659
AWCRM
CN660
BACK UP MO TOR(R)
CN657
CN667
BURM
BURE
CN658
CN668
BU UP ENCODER(R)
SBR1
S1
S2
S3
S4
S5
S6
S7
S8
SBR1-78
SBR1- 56
SBR1-34 WA IT-R CSR-3
STOP-R CSR-4
COUT-R
CSR-5
PWR2
WAIT( R)
SENSOR
STOP(R)
SENSOR
COUT(R)
SENSOR
SBR2
SBR1/2
SBR2
SBR2- 1
SBR2- 2
SBR2-3
SBR2- 4
SBR2 -5
BU-R
BULK-R
BPIN-R
TPIN-R
AWC-R
CN409L
CN446
CS-8
CN442
CN445
S1
S2
S3
S4
S5
S6
S7
S8
BU(R) ORG
SENSOR
BU(R) LOCK
SENSOR
CONV DETECT
SEN SOR
TPIN(R)
SENSOR
AWC(R) ORG
SENSOR
3
6
11
12
24 28 30
22
19
19
34
43
44
52 53
54
57 58 59
6768697071
65
66
7170
77
78
85
90
80
4
1
81
75
76
69
39
35
36
35
36
7
48
73
74
82
45
83 84
89
86
5
20
40
8887
6867
27
46
72
47
79
32

- 150 -
NOTE( 注記 ) #01....FOR EN EN 用
#02....CARRY DIRECTION R → L キャリー方向は右→左
REF.NO NOTE PART NO D E S C R I P T I O N
品 名
Qty
1 400-47909 SBR2 CABLE ASM
センサブロックR2束線組
5
2
#01
400-47140 POWER SUPPRY ASSY R(EN)
電源供給組(右)EN
4
3 400-47891 BASE-CARRY PWR CABLE ASM
BASE−CARRY電源ケーブル組
1
4 400-47559 BASE-CARRY PCB ASM
BASE−CARRY基板組
3
5 400-47926 BU LK-R SENS CABLE ASM
BU LK−Rセンサ束線組
1
6 400-47557 ETHER-SLAVE PCB ASM
ETHER−SLAV基板組
2
7 400-47925 BU ORG-R SENS CABLE ASM
BU ORG−Rセンサ束線組
1
8 400-47952 ETHER CABLE BASECARRY FEEDER LF ASM
イーサケーブル BASECA−FEEDER LF組
1
9 400-47845 SMEMA IN CABLE ASM
スメマINケーブル組
1
10 400-47846 SMEMA OUT CABLE ASM
スメマOUTケーブル組
1
11 400-47824 MT1-2 PULSE CABLE ASM
モータ1−2パルスケーブル組
1
12 400-47825 MT3-5 PULSE CABLE ASM
モータ3−5パルスケーブル組
1
13 400-47826 MT6-8 PULSE CABLE ASM
モータ6−8パルスケーブル組
1
14 400-47847 SV-L CABLE ASM
ソレノイドバルブLケーブル組
1
15 400-47848 SV-R CABLE ASM
ソレノイドバルブRケーブル組
1
16 400-47079 POWER_SUPPRY_ASSY
電源供給組
2
17
#01
400-47139 POWER SUPPRY ASSY L(EN)
電源供給組(左)EN
2
18 400-47792 IN/OUT MOTOR PWR CABLE (L) ASM
IN/OUTモータ電源ケーブル(L)組
1
19 400-48074 CENTER MOTOR ASM
センタモータ組
4
20 400-47927 TPN-R SENS CABLE ASM
TPIN−Rセンサ束線組
1
21 HM-0013200-00 MOTOR DRIVER
モータドライバ
5
22 400-47807 IN-MOTOR CABLE ASM
INモータリレーケーブル組
1
23 400-47795 CENTER MOTOR PWR CABLE (L) ASM
CENTERモータ電源ケーブル(L)組
1
24 400-47805 CENT-MOTOR(L) CABLE ASM
CENTモータ(L)リレーケーブル組
1
25 400-47794 JOINT MOTOR PWR CABLE ASM
ジョイントモータ電源ケーブル組
1
26 400-48075 JOINT MOTOR ASM
ジョイントモータ組
1
27 400-65186 CONV STOPPER DETECT CBL SHORT ASM
搬送ストッパケーブルSHORT組
1
28 400-47808 JOINT-MOTOR CABLE ASM
ジョイントモータリレーケーブル組
1
29 400-47796 CENTER MOTOR PWR CABLE (R) ASM
CENTERモータ電源ケーブル(R)組
1
30 400-47806 CENT-MOTOR(R) CABLE ASM
CENTモータ(R)リレーケーブル組
1
31 400-47793 IN/OUT MOTOR PWR CABLE (R) ASM
IN/OUTモータ電源ケーブル(R)組
1
32 400-47809 OUT-MOTOR CABLE ASM
OUTモータリレーケーブル組
1
33 400-47849 SV WIRE ASM
ソレノイドバルブワイヤー組
2
34 400-47843 AWC-L ENC CABLE ASM
AWC−Lエンコーダケーブル組
1
35 HX-0042000-00 5 PHASE STEP DRIVER
5相ステッピングモータドライバ
4
36
#01
HX-0068900-00 5 PHASE STEP DRIVER
5相ステッピングモータドライバ
4
37 400-47833 AWC-L MOTOR CABLE ASM
幅調モータL中継ケーブル組
1
38
#01
400-47837 AWC-L MOTOR CABLE ASM(EN)
AWCモータL中継ケーブル組(EN)
1
39 400-48077 AWC MOTOR ASM
幅調モータ組
2
40 400-47928 AWC-R SENS CABLE ASM
AWC ORG−Rセンサ束線組
1
41 400-47827 MT9-10 PULSE CABLE ASM
モータ9−10パルスケーブル組
1
42
#01
400-47828 MT9-10 PULSE CABLE ASM(EN)
モータ9−10パルスケーブル組(EN)
1
43 400-47831 BU-L MOTOR CABLE ASM
バックアップモータL中継ケーブル組
1
44
#01
400-47835 BU-L MOTOR CABLE ASM(EN)
BUモータL中継ケーブル組(EN)
1
45 E9432-729-0A0 BU MOTOR ASM.
BUモータ組
2
46
#02
400-65185 CONV STOPPER DETECT CBL LONG ASM
搬送ストッパケーブルLONG組
1
47 400-47841 BU-L ENC CABLE ASM
BU−Lエンコーダケーブル組
1
48 E9433-729-0A0 BU ENC ASM.
BU ENC組
2
49 400-47904 SBL1 CABLE ASM
センサブロックL1束線組
1
50 400-47902 SBL CABLE ASM
センサブロックL束線組
1
51 400-47910 IN SENS CABLE ASM
インセンサ束線組
1
52 400-47912 WAIT-L SENS CABLE ASM
WAIT−Lセンサ束線組
1
53 400-47913 STOP-L SENS CABLE ASM
STOP−Lセンサ束線組
1
54 400-47914 COUT-L SENS CABLE ASM
COUT−Lセンサ束線組
1
55 400-47906 SBL2 RELAY CABLE ASM
センサブロックL2中継束線組
1
56 400-02208 IN_SENS_ASM
インセンサ組
1
57 402-19320 WAIT-L SENSOR ASM
WAIT−Lセンサ組
1
58 402-19322 STOP-L SENSOR ASM
STOP−Lセンサ組
1
59 402-19321 COUT-L SENSOR ASM
COUT−Lセンサ組
1
60 400-47908 SBL2 CABLE ASM
センサブロックL2束線組
1
61 400-47915 BU ORG-L SENS CABLE ASM
BU ORG−Lセンサ束線組
1
62 400-47916 BU LK-L SENS CABLE ASM
BU LK−Lセンサ束線組
1
63 400-47917 TPN-L SENS CABLE ASM
TPIN−Lセンサ束線組
1
64 400-47918 AWC-L SENS CABLE ASM
AWC ORG−Lセンサ束線組
1
65 400-65185 CONV STOPPER DETECT CBL LONG ASM
搬送ストッパケーブルLONG組
1
66
#02
400-65186 CONV STOPPER DETECT CBL SHORT ASM
搬送ストッパケーブルSHORT組
1
67 400-02124 BU ORG SENS ASM
バックアップテーブル原点センサ組
2
68
#01
400-02241 BU LOCK SENS ASM
BUロックセンサ組
2
69 400-65184 CONV STOPPER DETECT SNS ASM
搬送ストッパ検出センサ組
2
70 400-02122 T.PIN SENS ASM
Tピンセンサ組
2
71 400-02120 AWC ORG SENS ASM
自動幅調原点センサ組
2
72 400-47844 AWC-R ENC CABLE ASM
AWC−Rエンコーダケーブル組
1
73 400-47834 AWC-R MOTOR CABLE ASM
幅調モータR中継ケーブル組
1
74
#01
400-47838 AWC-R MOTOR CABLE ASM(EN)
AWCモータR中継ケーブル組(EN)
1
75 400-47829 MT11-12 PULSE CABLE ASM
モータ11−12パルスケーブル組
1
76
#01
400-47830 MT11-12 PULSE CABLE ASM(EN)
モータ11−12パルスケーブル組(EN)
1
77 400-47832 BU-R MOTOR CABLE ASM
バックアップモータR中継ケーブル組
1
78
#01
400-47836 BU-R MOTOR CABLE ASM(EN)
BUモータR中継ケーブル組(EN)
1
79 400-47842 BU-R ENC CABLE ASM
BU−Rエンコーダケーブル組
1
80 400-47905 SBR1 CABLE ASM
センサブロックR1束線組
1
81 400-47903 SBR CABLE ASM
センサブロックR束線組
1
82 400-47920 OUT SENS CABLE ASM
OUTセンサ束線組
1
83 400-47922 WAIT-R SENS CABLE ASM
WAIT−Rセンサ束線組
1
84 400-47923 STOP-R SENS CABLE ASM
STOP−Rセンサ束線組
1
85 400-47924 COUT-R SENS CABLE ASM
COUT−Rセンサ束線組
1
86 400-47907 SBR2 RELAY CABLE ASM
センサブロックR2中継束線組
1
87 400-42210 GUIDE BLOCK RL
ガイドブロック RL
1
88 402-19323 WAIT-R SENSOR ASM
WAIT−Rセンサ組
1
89 402-19325 STOP-R SENSOR ASM
STOP−Rセンサ組
1
90 402-19324 COUT-R SENSOR ASM
COUT−Rセンサ組
1