FX-3-Rev12(-J) - 第157页
- 152 - NOTE( 注記 ) #01....FOR EN EN 用 #02....WHEN REPL ACE FROM OLD PWB 40047 514 TO NEW PWB 40047558, PLEASE CHANGE WIT H ETHER-SLAVE PCB ASM 40047 557. 旧40047514から40047 558に交換するときは、 ETHER − SLAVE PCB ASM 40047 557を 一緒に…

- 151 -
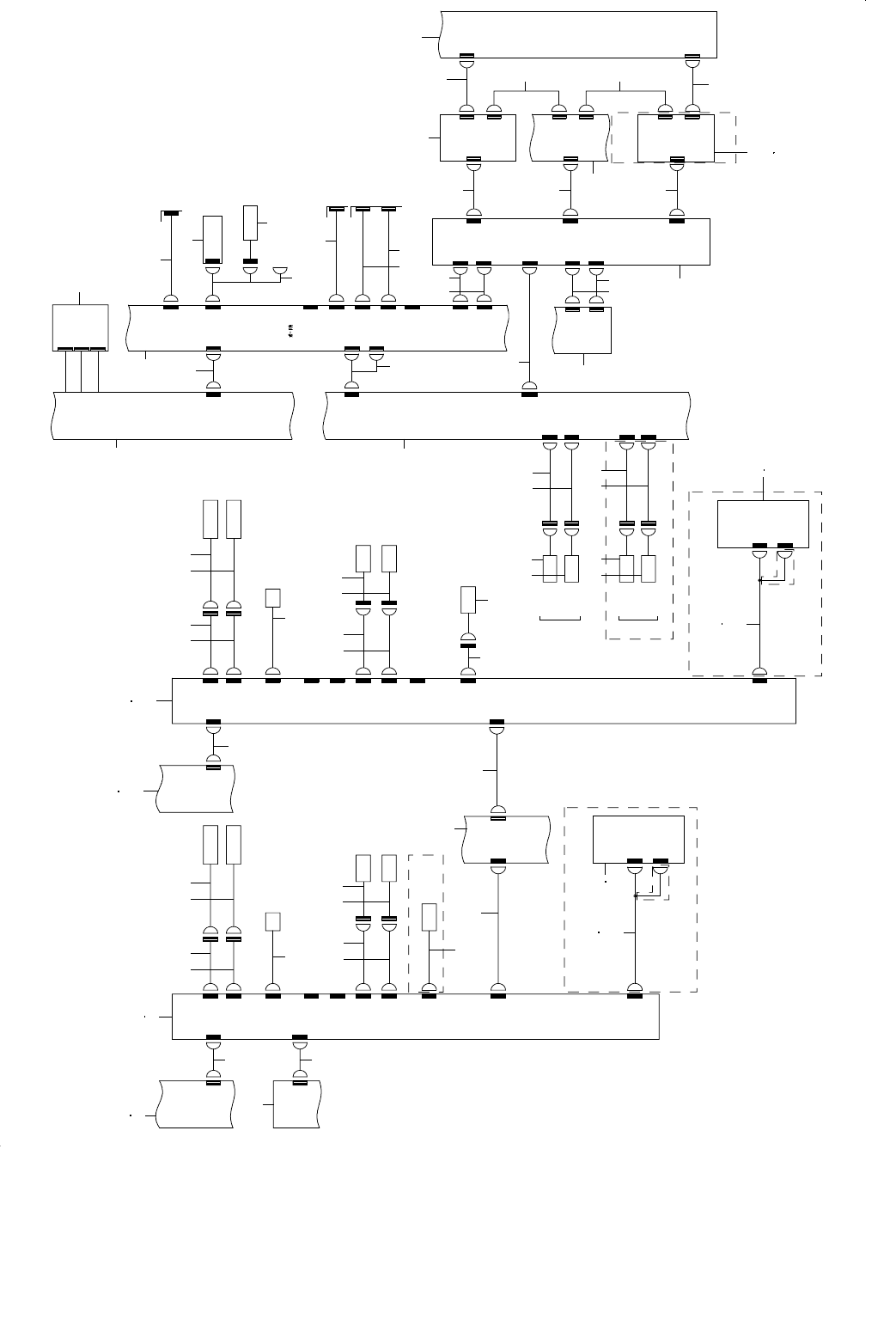
76.SYSTEM DIAGRAM (OPERATION/CPU/MONITOR)
SYSTEM DIAGRAM(OPERATION / CPU / MONITOR)
REAR MONITOR OPTI ON
8-2A
POWER UNIT(L)
CN030
10-1A
PWRL030
OPEF13
OPERATION PCB
(F)
CN13
CN7
CN2
OPEF -7
OPEF-2
OPEF-12
CN12
CN22
CN19
CN8
OP CN8
OP CN1
CN21
OPEF21
CHG-EXMOUSE/KEYBOARD
SELECTOR
EX
9-4B
CN1
CN15
CN718
CN14
OPEF-14
CN24
HOD OPTION
CN8
HOD BOX
11-2B
CN9
CN7
XY-RE LAY PCB
3-4D
XY-9XY-7
KEY C HANGE
SW
OP
OP
CN7L
CN7R
COVER OPEN
SW_LF
COVER OPEN
SW_RF
MNLT_LF
MNLT_RF
EMG SW_FR
MINIPATLITE
MINIPATLITE
8-2C
POWER UNIT(R)
CN030
10-1B
PWRR030
OPER13
OPERATION PCB
(R)
CN13
CN7
CN2
CN12
CN22
CN19
CN8
CN1
CN15
CN10
CN14
OPER-14
OPER10
CN801
CN801
SIGNAL TOWER
OP CN8
OP CN1
OP
OP
CN7R
CN7L
COVER OPEN
SW_LR
COVER OPEN
SW_RR
OPER-7
OPER-2
OPER-12
EMG SW_RR
MNLT_RR
MNLT _LR
MINIP ATLITE
MINIPATLITE
FRONT
KEY BOARD
MOUSE
CV-KB F
CV-MS F
KB F
MS F
CV-KB R
CV-MS R
KB R
MS R
CN24
HOD O PTION
CN8
HOD BOX
REAR
KEY BOARD
MOUSE
9-5B
MS2
KB2
MS1
KB1
RS PC
RS-PC
9-1B
KB/MS PC
MOUSE/KEYBOARD
SELECTOR
9-5C
COM
5-2B
ATX P OWER
BUTTERY UNIT
CN55
CN123
CN125
1-4C
CN1
LAN
COM1
CPU BOARD
CN13
HDD I/F
COVE R
HLC
SSD
HDD
HARD DISK
ACCESS LAMP
HDD LAMP
HDD LAMP
HDD-CP
IDE
KB
MOUSE
LPT
USB1
USB2
FDD
LPT
DVI1
COM2
13-4A
COVER
CN13
COVER
USB1
PRINTER
USB2
HOST
HOST
LCD A
EXT 1
CONSOLE SW
SUPER IMPOSE
BOARD
7-3B
NTSC1
NTSC2
PCB
IP-X5
NTSC1
NTSC2
INPS
INPS
LCD B
ATX-5
FRONT MONITOR
VIDEO
RS232C
DC12V
F-LCD
FLCD
RS232C
RS1
9-4B
ATX POWER
CN5
CN10
CN8
13-5C
ATX-10
F-LCD
REAR MONITO R
VIDEO
DC12V
RS232C
RLCD
RS232C
R-LCD
REAR
MONITOR
OPTION
RS2
RS2
MOUSE/KEYBOARD
SELECTOR
RS1
9-4C
67
4
5
11
10
10
8
9
26
27
28
12
13
14
14
36
31
35
37
12
13
14
14
10
10
29
30
18
19
38
39
34
35
34
15
16
17
18
19
22
20
21
24
25
32
33
20
21
40
3
42
41
43
48
45
46
47
49
50
50
53
54
55
54
56
56
51
57 58 59
60
52
60
61
6123
62
3
40
1
2
3
44

- 152 -
NOTE( 注記 ) #01....FOR EN EN 用
#02....WHEN REPLACE FROM OLD PWB 40047514 TO NEW PWB 40047558,
PLEASE CHANGE WITH ETHER-SLAVE PCB ASM 40047557.
旧40047514から40047558に交換するときは、
ETHER − SLAVE PCB ASM 40047557を
一緒に交換してください。
REF.NO NOTE PART NO D E S C R I P T I O N
品 名
Qty
1 400-47079 POWER_SUPPRY_ASSY
電源供給組
1
2
#01
400-47139 POWER SUPPRY ASSY L(EN)
電源供給組(左)EN
1
3 400-03281 MOUSE/KEYBOARD SELECTOR
マウス/キーボード切換器
3
4 400-47520 OPERATION PCB FRONT ASM
オペレーション基板前面組
1
5
#01
400-47543 OPERATION PCB FRONT ASM (EN)
オペレーション基板前面組(EN)
1
6 400-47816 OPERATION PWR CABLE (F) ASM
オペレーション電源ケーブル組(F)
1
7 400-47823 CONSOLE SELECT CABLE ASM
コンソール切換ケーブル組
1
8 400-47839 MINIPAT RLY CABLE (FL) ASM
ミニパトリレーケーブル(FL)組
1
9 400-47840 MINIPAT RLY CABLE (FR) ASM
ミニパトリレーケーブル(FR)組
1
10 400-48055 MINI PATLITE ASM
ミニパトライト組
4
11 400-47489 EMG SW(F) ASM
非常停止スイッチ(F)組
1
12 400-48246 COVER OPEN SW L RELAY CABLE ASM
カバーオープン SW L 中継ケーブル組
2
13 400-48247 COVER OPEN SW R RELAY CABLE ASM
カバーオープン SW R 中継ケーブル組
2
14 400-02254 COVER OPEN SW CABLE ASM
カバーオープン SW ケーブル組
4
15 400-02251 OPERATION ON SW CABLE ASM
オペレーションオン SW ケーブル組
1
16 400-47818 OPERATION RLY CABLE (F) ASM
オペレーションリレーケーブル組(F)
1
17 400-47819 OPERATION RLY CABLE (R) ASM
オペレーションリレーケーブル組(R)
1
18 400-79872 HOD CABLE ASM
HOD 束線組
2
19
#01
400-79873 HOD CABLE1 ASM
HOD 束線組_1(EN)
2
20 400-48060 HOD ASM
HOD 組
2
21
#01
400-48061 HOD ASM(EN)
HOD 組(EN)
2
22
#02
400-47558 XY-RELAY PCB ASM
XY − RELAY 基板組
1
23 400-47850 F LCD POWER CABLE ASM
フロント LCD 電源ケーブル組
1
24 400-47909 SBR2 CABLE ASM
センサブロック R 2束線組
1
25
#01
400-47140 POWER SUPPRY ASSY R(EN)
電源供給組(ミギ)EN
1
26 400-47817 OPERATION PWR CABLE (R) ASM
オペレーション電源ケーブル組(R)
1
27 400-47542 OPERATION PCB REAR ASM
オペレーション基板背面組
1
28
#01
400-47544 OPERATION PCB REAR ASM (EN)
オペレーション基板背面組(EN)
1
29 400-47861 MINIPAT RLY CABLE (RL) ASM
ミニパトリレーケーブル(RL)組
1
30 400-47862 MINIPAT RLY CABLE (RR) ASM
ミニパトリレーケーブル(RR)組
1
31 400-47490 EMG SW(R) ASM
非常停止スイッチ(R)組
1
32 400-47822 SIGNAL LIGHT RLY CABLE ASM
シグナルライトリレーケーブル組
1
33 400-48045 SIGNAL TOWER LIGHT ASM
シグナルタワーライト組
1
34 400-03284 KEY BOARD
キーボード
2
35 400-44521 PS/2 OPTICAL MOUSE
PS /2接続オプティカルマウス
2
36 400-47494 F-KEYBOARD CABLE ASM
F キーボードケーブル組
1
37 400-47493 F-MOUSE CABLE ASM
F マウスケーブル組
1
38 400-65183 R-KEY BOARD CABLE ASM
R −キーボードケーブル組
1
39 400-65182 R-MOUSE CABLE ASM
R −マウスケーブル組
1
40 400-48006 ATX PSU
ATX 電源
2
41 400-48007 BATTERY UNIT
バッテリユニット
1
42 401-07372 CPU BOARD
CPU ボード
1
43 400-48030 UPS 232C CABLE ASM
UPS 通信ケーブル組
1
44 400-03282 MOUSE/KEYBOARD SELECTOR CABLE ASM
マウス/キーボード切換器ケーブル組
1
45 400-48049 HLC LAN CABLE ASM
HLC LAN ケーブル組
1
46 401-09193 ENVIRONMENT SYSTEM 132 ASM
環境ディスク組132(システム&データ)
1
47 400-02325 HDD ACCESS LAMP ASM
HDD アクセスランプ組
1
48 400-47492 HDD I/F CABLE ASM
HDD インターフェイスケーブル組
1
49 400-02311 PRINTER I/F CABLE ASM
プリンタI/Fケーブル組
1
50 400-44522 USB RELAY CABLE
USB 延長ケーブル
2
51 400-48082 SUPER INPAUSE BOARD
スーパーインポーズボード
1
52 400-47937 OP-232C CABLE (R) ASM
232 C ケーブル(R)組
1
53 400-03312 PANEL LINK CABLE
パネルリンクケーブル
1
54 400-02264 OP-232C CABLE ASM
オプション232 C ケーブル組
2
55 400-47528 IP-X5 PCB ASM
IP−X5基板 組図
1
56 400-48042 VIDEO CABLE
ビデオケーブル
2
57 400-48031 PANEL LINK CABLE 1M
パネルリンクケーブル 1 M
1
58 400-47852 INPAUSE BOARD PWR CABLE ASM
インポーズ基板電源ケーブル組
1
59 400-48032 PANEL LINK CABLE 4.5M
パネルリンクケーブル 4.5 M
1
60 400-48083 15INCH LCD MODULE
15インチ LCD モジュール
2
61 400-47851 R LCD POWER CABLE ASM
リア LCD 電源ケーブル組
1
62 400-27815 F-232C CABLE ASM
F −232 C ケーブル組
1

- 153 -
77.SYSTEM DIAGRAM (FRAME FAN)
SYSTEM DIAGRAM(FRAME FAN)
910
3
16
14
19
35
1
4
2
5678
11 12 13
15
17
18
42
40
41
36 37 38 3930 31 32 33 34
2625 27 28 2920 21 22 23 24
4948 50 51 52
43 44 45 46 47
9-1A
POWER UNIT
(L)
CN031
10-3A
PWRL031
F_FAN_LF
F_FA N0
F_FAN-1
F_FAN-2
F_FAN-3
F_FAN-4
F_FAN-5
F_FAN2
S1
S2
S3
S4
S5
S6
S7
S8
YFRAMEENDFAN(E)
Y FRAME EN D FAN (B)
X F RAME END FAN (A)
X FRAME EN D FAN (B)
X FRAME CENTER FAN
Y FRAME EN D FAN (C)
Y FRAME END FA N (D)
X FRAME END FA N (A)
X FRAME END FA N (B)
X FRAME CENTER FAN
F_FAN-1
F_FAN-2
F_FAN-3
F_FAN-4
F_FAN-5
F_FAN1
S1
S2
S3
S4
S5
S6
S7
S8
9-2A
POWER UNIT
(R)
CN032
10-4C
PWRR032 F_FAN_RR
F_FAN0
Y F RAME END FAN (C)
Y FRA ME EN D FAN (D)
X FRAME END FAN ( A)
X FRAME END FAN ( B)
X FRAME CENTER FAN
F_FAN -1
F_FAN-2
F_FAN-3
F_FA N-4
F_FA N-5
F_FA N1
S1
S2
S3
S4
S5
S6
S7
S8
Y FRA ME EN D FAN (A)
Y FRA ME EN D FAN (B)
XFRAMEENDFAN(A)
X FRA ME EN D FAN (B)
X FRA ME CE NTER FAN
F_FAN-1
F_FAN-2
F_FAN-3
F_FAN-4
F_FAN-5
F_FAN2
S1
S2
S3
S4
S5
S6
S7
S8
10-1A
POWER UNIT
(L)
CN032
11-1A
PWRL032 F_FAN_LR
F_FAN0
F_FAN 2
S1
S2
S3
S4
S5
S6
S7
S8
F_FAN-1
F_FA N-2
F_FAN-3
F_FAN-4
F_FAN-5
Y FRAME END FAN (A)
Y FRAME END FAN ( B)
X FRAME END FAN (A)
X FRAME END FAN (B)
X FRAME CENTER FAN
Y FRAME END FAN (C)
Y FRAME END FAN (D)
X FRAME END FAN (A)
X FRAME END FAN (B)
X FRAME CENTER FAN
F_FAN1
S1
S2
S3
S4
S5
S6
S7
S8
F_FAN-1
F_FAN-2
F_FAN-3
F_FAN-4
F_FAN-5
10-1 C
POWER UNIT
(R)
CN031
11-3A
PWRR 031
F_FAN_RF
F_FAN0
Y FRAME END FAN (E)
Y FRAME END FAN (B)
X FRAME END FAN (A)
X FRAME END FAN (B)
X FRAME CENTER FAN
F_FAN-1
F_FAN-2
F_FAN-3
F_FAN-4
F_FAN-5
F_FAN2
S2
S3
S4
S5
S6
S7
S8
S1
Y FRAME EN D FAN (C)
Y FR AME END FAN (D)
X FRAME EN D FAN (A)
X FRAME END FAN (B)
X FRAME CENTER FAN
F_FAN-1
F_FAN-2
F_FAN-3
F_FAN-4
F_FAN-5
F_FAN1
S1
S2
S3
S4
S5
S6
S7
S8
53 54
55
56
53
54
55
56