FX-3-Rev12(-J) - 第165页
- 160 - NOTE( 注記 ) #01....FOR EN EN 用 REF.NO NOTE PART NO D E S C R I P T I O N 品 名 Qty 1 400-48294 CVS PCB(L) POWER CABL E ASM CVS 基板(L)電源ケーブル組 1 2 400-48293 CVS IO(L) CABLE ASM CVS IO(L)ケーブル組 1 3 400-48169 CVS IO CABLE…

- 159 -
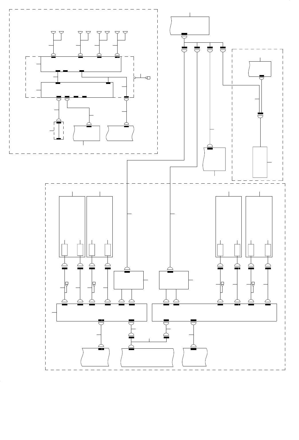
80.SYSTEM DIAGRAM (CVS/RFID/TRACEABILITY)
SYSTEM DIAGRAM(CVS / RFID / TRACEABILITY)
CVS OPTION
X5
(RF)
FG-TAP
6
1
24
5
3
78910
12 15
11 13 14 16
17 19
18 20
21
22
23
24
2926
25 27 28 30
31
32
35
34
33
38
40
42 43 44 36
37
39
41
47
50
46
48
49
XY-49
9-4D
HOST
SUPER IMPOSE BOARD
45
12-3B
POWER UNIT(L)
PWRL028
14-1B
CN028L
CVSLC1
11-5C
CN12
XY-RELAY
PCB
XYCN12
CVSLIO
CVSLC2
13-3C
CVSRIO CVSR C2
CVSRC1
CN028R
12-3D
POWER UNIT(R)
PWRR028
13-4B
CN5
CN6
CN7
CN8
CN8/CVS
CN7/CVS
CN6/CVS
CN5/CVS
J043/RF
J042/RF
J043/RR
J042/RR
J42
J43
J42
J43
FG-TAP
(RR)
PROBE
SURFACE VERIFICATION UNIT(RF)
SOLENOID VALVE
SURFACE VERIFICATION UNIT(RR)
PROBE
SOLENOID VALVE
CVS PCB (R)
CN3
CN4
CN2
CN1
CN4
CN3CVS
DMM (R)
CN2
CN4
CN3
CN8
CN1
CN7
CN6
CN7/CVS
CN8/CVS
CN3CVS
CN4
DMM (L)
CN6/CVS
CN5
CVS PCB (L)
CN5/CVS J043/LF J43
J42
J43
J42
J042/LR
J043/LR
J042/LF
FG-TAP
(LR)
FG-TAP
(LF)
PROBE
SOLENOID VALVE
SURFACE VERIFICATION UNIT(LF)
SURFACE VERIFICATION UNIT(LR)
PROBE
SOLENOID VALVE
BARCORD REEDER
TRACEABILITY OPTION
BR
CN6
ATX POWER
9-5C
ATX-6
COM A
COM B
COM C
COM D
UART
5-5D
IEEE1394 BOARD
UART
RFID OPTION
FG-TAP
FRONT
12-3D
MECH TOROLY I/F
14-3D
ELEC TOROLY I/F
12-1B
MECH TOROLY I/F
14-1B
ELEC TOROLY I/F
12-1D
MECH TOROLY I/F
14-1D
ELEC TOROLY I/F
RR383
RR382
LF383
LF382
RF383
RF382
RF
CH2
CH1
CH4
LF
RR
LR
CN2
CN1
CN4
DC_INPUT
PROG
ETHERNET
CN3
CH3
12-3B
MECH TOROLY I/F
14-3B
ELEC TOROLY I/F
LR383
LR382
MPC-4C
SWIT CHING HUB
HLC
LAN
X4
X3
X2
X1
DC INPUT
RFID_PWR
PWRR22
14-1C
CN022
POWER U NIT(R)
13-1C
9-4C
CPU BOARD
LAN
LAN
HUB_BOX

- 160 -
NOTE( 注記 ) #01....FOR EN EN 用
REF.NO NOTE PART NO D E S C R I P T I O N
品 名
Qty
1 400-48294 CVS PCB(L) POWER CABLE ASM
CVS 基板(L)電源ケーブル組
1
2 400-48293 CVS IO(L) CABLE ASM
CVS IO(L)ケーブル組
1
3 400-48169 CVS IO CABLE ASM
CVS IO ケーブル組
1
4 400-48295 CVS IO(R) CABLE ASM
CVS IO(R)ケーブル組
1
5 400-48296 CVS PCB(R) POWER CABLE ASM
CVS 基板(R)電源ケーブル組
1
6 400-47537 CVS PCB ASM
CVS 基板組
1
7 400-77591 CVS LF PROBE CABLE ASM
CVS LF プローブケーブル組
1
8 400-48297 CVS LF PROBE CABLE ASM
CVS LF プローブケーブル組
1
9 400-77592 CVS LR PROBE CABLE ASM
CVS LF プローブケーブル組
1
10 400-48298 CVS LR PROBE CABLE ASM
CVS LR プローブケーブル組
1
11 400-47886 CVS PROBE CABLE ASM
CVS プローブケーブル組
1
12 400-46825 SURFACE VERIFICATION UNIT
CVS 外観組
1
13 E9589-705-0A0 VRFY SV CABLE ASM.
VRFY SV ケ−ブル組
1
14 400-47886 CVS PROBE CABLE ASM
CVS プローブケーブル組
1
15 400-46825 SURFACE VERIFICATION UNIT
CVS 外観組
1
16 E9589-705-0A0 VRFY SV CABLE ASM.
VRFY SV ケ−ブル組
1
17 400-48056 CVS DMM ASM
デジタルマルチメータ組
1
18 400-48057 CVS PROBE I/F CABLE ASM
CVS プローブI/Fケーブル組
1
19 400-48056 CVS DMM ASM
デジタルマルチメータ組
1
20 400-48057 CVS PROBE I/F CABLE ASM
CVS プローブI/Fケーブル組
1
21 400-77593 CVS RF PROBE CABLE ASM
CVS RF プローブケーブル組
1
22 400-48299 CVS RF PROBE CABLE ASM
CVS RF プローブケーブル組
1
23 400-77594 CVS RR PROBE CABLE ASM
CVS RR プローブケーブル組
1
24 400-48300 CVS RR PROBE CABLE ASM
CVS RR プローブケーブル組
1
25 400-47886 CVS PROBE CABLE ASM
CVS プローブケーブル組
1
26 400-46825 SURFACE VERIFICATION UNIT
CVS 外観組
1
27 E9589-705-0A0 VRFY SV CABLE ASM.
VRFY SV ケ−ブル組
1
28 400-47886 CVS PROBE CABLE ASM
CVS プローブケーブル組
1
29 400-46825 SURFACE VERIFICATION UNIT
CVS 外観組
1
30 E9589-705-0A0 VRFY SV CABLE ASM.
VRFY SV ケ−ブル組
1
31 HK-0651200-80 MODULAR KAPLA
モジュラーカプラ
1
32
#01
400-73738 RFID LAN CABLE (4.5M) ASM
RFID LAN ケーブル(4.5 M)組
1
33 401-07372 CPU BOARD
CPU ボード
1
34 400-79652 RFID LAN CABLE ASM
RFID LAN ケーブル組
1
35 400-79653 RFID PWR CABLE ASM
RFID パワーケーブル組
1
36 400-79658 RFID BRANCH4 CBL ASM
RFID BRANCH 4ケーブル組
1
37 400-73033 SWITCHING HUB
スイッチングハブ
1
38 400-72813 MPC RJ45 CABLE ASM
MPC 用 RJ 45ケーブル組
1
39 400-73032 4 PORT MPC
4ポート MPC
1
40 400-72814 MPC POWER CABLE ASM
MPC 電源ケーブル組
1
41 400-79656 RFID FG CABLE ASM
RFID FG ケーブル組
1
42 400-79654 RFID BRANCH1 CBL ASM
RFID BRANCH 1ケーブル組
1
43 400-79655 RFID BRANCH2 CBL ASM
RFID BRANCH 2ケーブル組
1
44 400-79657 RFID BRANCH3 CBL ASM
RFID BRANCH 3ケーブル組
1
45 400-48082 SUPER INPAUSE BOARD
SUPER INPAUSE ボード
1
46 400-47820 HOD RS232C CABLE ASM
HOD RS 232 C ケーブル組
1
47 400-48003 IEEE1394 BOARD
IEEE 1394ボード
1
48 HX-0061000-00 BARCODE READER
バーコードリーダ
1
49 400-48200 BARCODE READER CABLE ASM
バーコードリーダケーブル組
1
50 400-48006 ATX PSU
ATX 電源
1

- 161 -
81.SYSTEM DIAGRAM (ELEC TOROLY I/F)
SYSTEM DIAGRAM(ELEC TOROLYI / F)
CP
1
2
5
10
11
12
13
14 15 16 17
19
18
20
22
21
28
29
30
31
32
33 34
35
3
38
39
46
47
48
50
49
51 52 53
57
56
64
65
66 67 69 70 7168
RLY
CP
FEEDER PCB(R)
PANEL
E-BANK
FG
9
8
4
6
7
25
24
23
37
36
27
26
77
79
13-5B
CVS
OPTION/RFID
78
55
54
inrhecaseof"FIXED
ELEC BANK"
refer to 14-5A
45
44
E-BAN K
FG
41
42
43
OPEN
SENSOR
CLOSE
SENSOR
FRONT
CUTTER
SV
OPEN
SENSOR
FRONT
CUTTER
SV
CLOSE
SENSOR
OPEN
SENSOR
FRONT
CUTTER
SV
CLOSE
SENSOR
FRONT
CUTTER
CYLINDER
OPEN
SENSOR
FRONT
CUTTER
SV
59
60
61
CLOS E
SENS OR
40
58
72
73
80
12-4C
MECH
TOROLY
I/F
63
62
E-BANK
FG
FIXED ELEC BANK
ELEC BANK
PCB
74
75
76
12-3A
FEEDER PCB (L)
CN23
14-3A
FEED ER PCB(L)
PANEL
CUT F CN381
OPEN
CLOSE
SV
FRONT
CUTTER
CYLINDER
12-1A
MECH
TOROLY
I/F
CN370
EBANK
COVER (LF)
BK31
BK33
POWER
LAMP
CN351
CN351
CN069
CN069
13-1A
POWER UNIT(L)
14-3B
CN382
CN353
CN353
13-5C
CVS
OPTION/RFID
FG TAP
in rhe case of " FIXED
ELEC BANK"
referto14-5A
12-3C
FEEDER PCB (R)
CN23
14-3C
FEEDER
PCB(R)
PANEL
CUT F
CN381
OPEN
CLOSE
SV
12-1C
MECH
TOROLY
I/F
CN370
EBANK
COVER (RF)
BK31
BK33
POWER
LAMP
E-BANK
FG
CN351
CN351
CN069
13-4B
POWER UNIT(R)
CN069
14-3D
CN382
CN353
CN353
13-5C
CVS
OPTION/RFID
FG TAP
in rhe case of "FIXE D
ELEC BANK"
refer to 14-5A
E-BA NK FG
RFID
IN OUT ANT
CN26
CN30
CN21
CN25
CN16
CN20
CN11
CN15
CN6
CN10
CN1
CN5
CN33
CN31
CN32
ELEC BANK PCB
BK32
BANK01
05
BANK 06
10
BANK11
15
BANK16
20
BANK21
25
RLY
CP3A
PWR
CN01
05
CN06
10
CN11
15
CN16
20
CP
CN21
25
CN26
30
BANK26
30
RFID
ANTENNA
FG TAP
CN353
CN353
CN382
CN351
CN351
CN070
13-5B
CVS
OPTION/RFID
CN070
POWE R UNIT(R)
14-1D
in rhe case of "FIXED
ELEC BANK"
refer to 14-5A
POWER
LAMP
COVER (RR)
EBANK
CN370
BK31
BK33
CN24
FEEDER PCB ( R)
14-1C
CUT R
CN381
OPEN
CLOSE
SV
FG TAP
CN353
CN353
CN382
E-BANK FG
RFID
14-1B
POWER UNIT(L)
CN070
CN070
CN351
CN351
12-4A
MECH
TOROLY
I/F
POWER
LAMP
EBANK
COVER (LR)
CN370
BK31
BK33
CN24
FEEDER PCB (L)
14-1A
FEEDER PCB(L)
PANEL
CUT R CN381
PWR
RLY
CP3A
ELEC BANK PCB
CN32
CN1
CN5
CN6
CN10
CN11
CN15
CN16
CN20
CN33
CN31
CN21 CN25
CN26
CN30
BANK26
30
BANK21
25
BANK 16
20
BANK11
15
BANK06
10
CN26
30
CN21
25
CN16
20
CN11
15
CN06
10
CN01
05
BANK01
05
BK32
E-BANK FG
RFID
IN OUT
ANT
RFID
ANTENNA
FRONT
CUTTER
CYLINDER
PWR
CP3A
ELEC BANK PCB
CN32
CN31
CN33
BK32
BANK01
05
BANK06
10
BANK11
15
BANK16
20
BANK21
25
BANK26
30
CN26
CN30
CN21
CN25
CN16
CN20
CN11
CN15
CN6
CN10
CN1
CN5
CN01
05
CN06
10
CN11
15
CN16
20
CN21
25
CN26
30
OUT
IN
ANT
RFID
ANTENNA
FRON T
CUTT ER
CYLI NDER
PWR
RLY
CP3A
CP
BK32
ELEC BANK PCB
CN32
CN31
CN33
CN01
05
CN06
10
CN11
15
CN16
20
CN21
25
CN26
30
BANK01
05
BANK06
10
BANK11
15
BANK16
20
BANK21
25
BANK26
30
CN1
CN5
CN6
CN10
CN11
CN15
CN16
CN20
CN21
CN25
CN26
CN30
RFID
IN OUT
ANT
RFID
ANTENNA
E-BANK FG
E-BANK FG
CN33
CN31
BK31CN370
CN353
E-BANK FG
CN351
BK33
OPEN
CLOSE
SV