FX-3-Rev12(k-) - 第167页
- 162 - NOTE( 注記 ) #01....FOR EN EN 用 #02....TYPE XL XL 仕 #03....WHEN REPL ACE FROM OLD PWB 40047 514 TO NEW PWB 40047558, PLEASE CHANGE WIT H ETHER-SLAVE PCB ASM 40047 557. 旧40047514から40047 558に交換するときは、 ETHER − SLAVE PC…

- 161 -
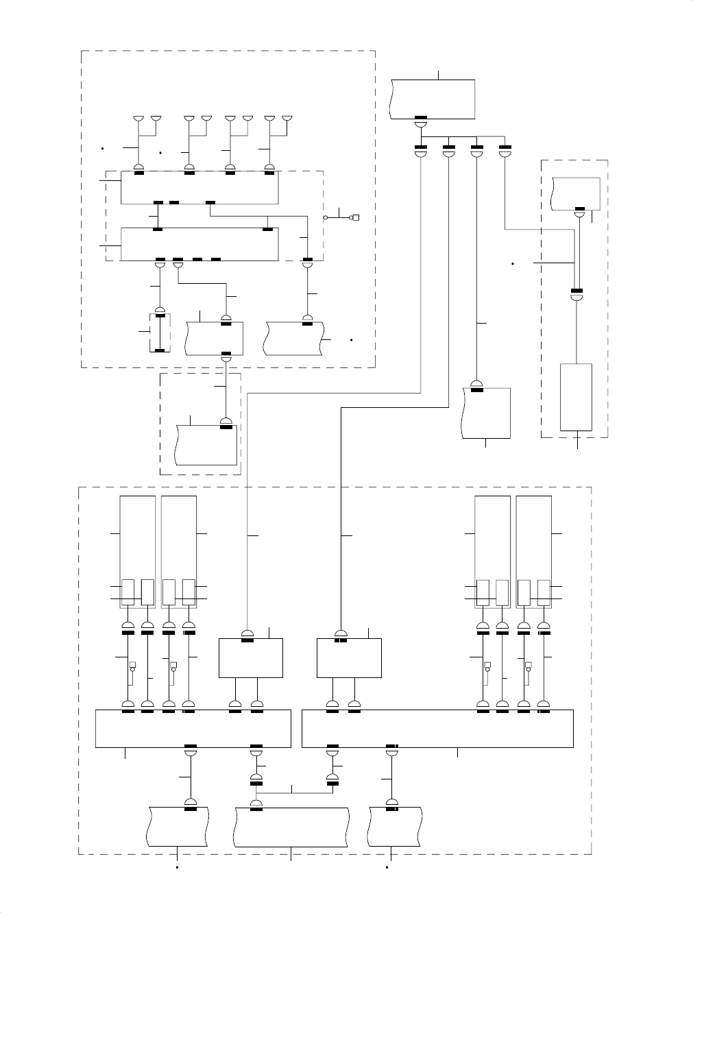
81.SYSTEM DIAGRAM (CVS/RFID/TRACEABILITY)
SYSTEM DIAGRAM(CVS / RFID / TRACEABILITY)
12-3B
POWER UNIT(L)
PWRL028
14-1B
CN028L
CVSLC1
11-5C
CN12
XY-RELAY
PCB
13-3A
XYCN12
CVSLIO
CVSLC2
CVSRIO
CVSRC2
12-3D
POWER UNIT(R)
PWRR028
13-4B
CN028R
CVSRC1
CVS PCB (R)
CN2 CN3
CN4
CN1
CN3CVS
CN4
DMM (R)
DMM (L)
CN3CVS
CN4
CN3
CN4
CN2
CN1
CN8
CN7
CN6
CN5
CVS PCB (L)
CN5/CVS
CN6/CVS
CN7/CVS
CN8/CVS
J043/LF
J042/LF
J043/LR
J042/LR
FG-TAP
(LF)
FG-TAP
(LR)
J43
J42
J43
J42
PROBE
SOLENOID VALVE
PROBE
SOLENOID VALVE
SURFACE VERIFICATION
UNIT(LR)
SURFACE VERIFICATION
UNIT(LF)
HOD OPTION
13-1C
XY-RELAY PCB
CN49
XY-49
HLC LAN
LAN
PWRR22
RFID_PWR
9-4C
CPU BOARD
COM2
LAN
13-1C
POWER UNIT(R)
CN022
14-1C
FG-TAP
FRONT
DC INPUT
X4
X3
X2
X1
X5
SWITCHING
HUB
HUB_BOX
MPC-4C
ETHERNET
PROG
CN3
CN4
DC_INPUT
CN1
CN2
CH3
LR
CH4
RR
CH1
LF
CH2
RF
LR383
LR382
RR383
RR382
LF383
LF382
RF383
RF382
12-3B
MECH TOROLY I/F
14-3B
ELEC TOROLY I/F
12-3D
MECH TOROLY I/F
14-3D
ELEC TOROLY I/F
12-1B
MECH TOROLY I/F
14-1B
ELEC TOROLY I/F
12-1D
MECH TOROLY I/F
14-1D
ELEC TOROLY I/F
RFID OPTION
5-5D
IEEE1394 BO ARD
UART
UART
COM A
COM B
COM C
COM D
9-5C
ATX POWER
CN6
ATX-6
BR
TRACEABILITY OPTION
BARCORD REEDER
XY-49
9-4D
SUPER IMPOSE BOARD
HOST
CVS OPTION
PROBE
SOLENOID VALVE
SURFACE VERIFICATION
UNIT(RF)
SURFACE VERIFICATION
UNIT(RR)
PROBE
SOLENOID VALVE
J043/RF
J042/RF
J043/RR
J042/RR
J42
J43
J42
J43
FG-TAP
(RF)
(RR)
FG-TAP
CN5/CVS
CN6/CVS
CN7/CVS
CN8/CVS
CN5
CN6
CN7
CN8
5 67910
13
15
1412
11
16
16
17
19
18
20
22 22
21
23
21
23
25 25
24
24
26
27
28
29
2222
23
21
23
21
1
2
3
30
31
8
45
4
39
36
37
38
35
33
44
41
42
43
46
47
48
49
50
40
32
7
34

- 162 -
NOTE( 注記 ) #01....FOR EN EN 用
#02....TYPE XL XL 仕
#03....WHEN REPLACE FROM OLD PWB 40047514 TO NEW PWB 40047558,
PLEASE CHANGE WITH ETHER-SLAVE PCB ASM 40047557.
旧40047514から40047558に交換するときは、
ETHER − SLAVE PCB ASM 40047557を
一緒に交換してください。
REF.NO NOTE PART NO D E S C R I P T I O N
品 名
Qty
1 400-48082 SUPER INPAUSE BOARD
スーパーインポーズボード
1
2 HX-0061000-00 BARCODE READER
バーコードリーダ
1
3 400-02264 OP-232C CABLE ASM
オプション232 C ケーブル組
1
4 400-48003 IEEE1394 BOARD
IEEE 1394ボード
1
5 400-98974 POWER_SUPPLY_ASSY_L(ST)
電源供給組(左)ST
1
6
#01
400-93149 POWER SUPPLY ASSY L(EN)
電源供給組(左)EN
1
7
#03
400-47558 XY-RELAY PCB ASM
XY − RELAY 基板組
2
8 400-48006 ATX PSU
ATX 電源
1
9 400-98950 POWER_SUPPLY_ASSY_R(ST)
電源供給組(右)ST
1
10
#01
400-93150 POWER SUPPLY ASSY R(EN)
電源供給組(右)EN
1
11 400-48294 CVS PCB(L) POWER CABLE ASM
CVS 基板(L)電源ケーブル組
1
12 400-48293 CVS IO(L) CABLE ASM
CVS IO(L)ケーブル組
1
13 400-48169 CVS IO CABLE ASM
CVS IO ケーブル組
1
14 400-48295 CVS IO(R) CABLE ASM
CVS IO(R)ケーブル組
1
15 400-48296 CVS PCB(R) POWER CABLE ASM
CVS 基板(R)電源ケーブル組
1
16 400-47537 CVS PCB ASM
CVS 基板組
2
17 400-93238 CVS LF PROBE CABLE ASM
CVS LF プローブケーブル組
1
18 400-48297 CVS LF PROBE CABLE ASM
CVS LF プローブケーブル組
1
19 400-93239 CVS LR PROBE CABLE ASM
CVS LR プローブケーブル組
1
20 400-48298 CVS LR PROBE CABLE ASM
CVS LR プローブケーブル組
1
21 400-47886 CVS PROBE CABLE ASM
CVS プローブケーブル組
4
22 400-46825 SURFACE VERIFICATION UNIT
CVS 外観組
4
23 E9589-705-0A0 VRFY SV CABLE ASM.
VRFY SV ケ−ブル組
4
24 400-48056 CVS DMM ASM
デジタルマルチメータ組
2
25 400-48057 CVS PROBE I/F CABLE ASM
CVS プローブI/Fケーブル組
2
26 400-93240 CVS RF PROBE CABLE ASM
CVS RF プローブケーブル組
1
27 400-48299 CVS RF PROBE CABLE ASM
CVS RF プローブケーブル組
1
28 400-93241 CVS RR PROBE CABLE ASM
CVS RR プローブケーブル組
1
29 400-48300 CVS RR PROBE CABLE ASM
CVS RR プローブケーブル組
1
30 400-48200 BARCODE READER CABLE ASM
バーコードリーダケーブル組
1
31
#02
400-89959 BARCODE READER CABLE ASM XL
バーコードリーダケーブル組 XL
1
32 400-91903 HOD RS232C CABLE ASM
HOD RS 232 C ケーブル組
1
33 HK-0651200-80 MODULAR KAPLA
モジュラーカプラ
1
34
#01
400-73738 RFID LAN CABLE (4.5M) ASM
RFID LAN ケーブル(4.5 M)組
1
35 401-07372 CPU BOARD
CPU ボード
1
36 400-79652 RFID LAN CABLE ASM
RFID LAN ケーブル組
1
37 400-98950 POWER_SUPPLY_ASSY_R(ST)
電源供給組(右)ST
1
38
#01
400-93150 POWER SUPPLY ASSY R(EN)
電源供給組(右)EN
1
39 400-79653 RFID PWR CABLE ASM
RFID PWR ケーブル組
1
40 400-79658 RFID BRANCH4 CABLE ASM
RFID BRANCH 4 ケーブル組
1
41 400-73033 SWITCHING HUB
スイッチングハブ
1
42 400-73032 4 PORT MPC
4ポート MPC
1
43 400-72813 MPC RJ45 CABLE ASM
MPC 用 RJ 45ケーブル組
1
44 400-72814 MPC POWER CABLE ASM
MPC 電源ケーブル組
1
45 400-79656 RFID FG CABLE ASM
RFID FG ケーブル組
1
46 400-79654 RFID BRANCH1 CABLE ASM
RFID BRANCH 1 ケーブル組
1
47
#02
400-89957 RFID BRANCH1 CABLE ASM XL
RFID BRANCH 1 ケーブル組 XL
1
48 400-79655 RFID BRANCH2 CABLE ASM
RFID BRANCH 2 ケーブル組
1
49
#02
400-89958 RFID BRANCH2 CABLE ASM XL
RFID BRANCH 2 ケーブル組 XL
1
50 400-79657 RFID BRANCH3 CABLE ASM
RFID BRANCH 3 ケーブル組
1

- 163 -
82.SYSTEM DIAGRAM (ELEC TOROLY I/F)
SYSTEM DIAGRAM(ELEC TOROLY I / F)
in rhe case of "FIXED
ELEC BANK"
refer to 14-5A
in rhe case of "FIXED
ELEC BA NK"
referto14-5A
in r he case of "FIXED
ELEC BANK"
referto14-5A
BK32
FRONT
CUTTER
SV
REAR
CUTTER
CYLINDE R
CLOSE
SENSOR
OPEN
SENSOR
FRONT
CUTTER
SV
REAR
CUTTER
CYLINDER
CLOSE
SENSOR
OPEN
SENSOR
FRONT
CUTTER
SV
FRONT
CUTTER
CYLINDER
CLOSE
SENSOR
OPEN
SENSOR
FRONT
CUTTER
SV
FRONT
CUTTER
CYLINDER
CLOSE
SENSOR
OPEN
SENSOR
12-3A
FEEDER PCB
(L)
CN23
14-3 A
FEEDE R
PCB(L )
PANEL
CUT F CN381
12-1A
MECH TOROLY I/F
COVER (LF)
EBANK
CN370
13-1A
POWER UNIT(L)
CN069
14-3B
CN069
CN351
CN351
CN382
CN353
CN353
13-5C
CVS OPTION/ RFID
FG TAP
in rhe case of "FIXED
ELEC BANK"
refer to 14-5A
12-3C
FEED ER PCB
(R)
CN23
14-3C
FEEDER
PCB(R)
PANEL
CUT F
CN381
CN370
12-1C
MECH TOROLY I/F
COVER (RF)
E BANK
OPEN
CLOSE
SV
PWRRLY
CP
CP
3A
CN01
05
CN06
10
CN11
15
CN16
20
CN21
25
CN26
30
BANK01
05
BANK 06
10
BANK 11
15
BANK 16
20
BANK 21
25
BANK26
30
CN26
CN30
CN21
CN25
CN16
CN20
CN11
CN15
CN6
CN10
CN1
CN5
CN32
CN31
CN33
ELEC BANK PCB
BK31
BK33
POWER
LAMP
E-BA NK
FG
RFID I N
OUT
ANT
E-BA NK
FG
RFID
ANTE NNA
CN353
CN382
CN353
13-5C
CVS OPTION/ RFID
FG TAP
CN351CN351
CN069
14-3D
CN069
POWER UNIT(R)
13-4B
E-BAN K
FG
RFID
IN OU T
ANT
RFID
ANTENNA
E-BANK
FG
BANK26
30
BANK21
25
BANK16
20
BANK 11
15
CN26
CN30
CN21
CN25
CN16
CN20
CN11
CN15
CN6
CN10
CN1
CN5
CN33
CN31
POWER
LAMP
BK33
BK31
ELEC BANK PCB
CN32
BK32
BANK 01
05
BANK06
10
RLY
CP
CP
3A
CN01
05
CN06
10
CN11
15
CN16
20
CN21
25
CN26
30
OPEN
CLOSE
SV
PWR
14-1A
FEEDER PCB
(L)
CN24
FEEDER
PCB(L)
PANEL
CUT R CN381
12-4A
MECH TOROLY I/F
CN370
OPEN
CLOSE
SV
COVER (LR)
EBANK
POWER
LAMP
BK31
BK33
ELEC BANK PCB
CN32
CN31
CN33
CN1
CN5
CN6
CN10
CN11
CN15
CN16
CN20
CN21
CN25
CN26
CN30
E-BANK
FG
RFID
E-BANK
FG
IN
OUT
ANT
RFID
ANTENNA
CN26
30
CN21
25
CN16
20
CN11
15
CN06
10
CN01
05
BANK26
30
BANK21
25
BANK1 6
20
BANK11
15
BANK06
10
BANK01
05
BK32
RLY
CP
CP
3A
PWR
CN370
CN353
CN351
E-BANK
FG
BK33
CN33
CN31
BK31
ELEC BANK PCB
FIXED ELEC BANK
E-BANK
FG
14-1C
FEEDE R PCB
(R)
CN24
FEEDER
PCB(R)
PANEL
CUT R
CN381
CN370
12-4C
MECH TOROLY I/F
OPEN
CLOSE
SV
COVER (RR)
EBANK
POWER
LAMP
CN351
CN382
CN353
CN353
CN351
CN070
CN070
POWER UNIT
(R)
14-1D
13-5B
CVS OPTION/RFID
FG TAP
ELEC BANK PCB
BK31
BK33
CN31
CN33
CN1
CN5
CN32
CN6
CN10
CN11
CN15
CN16
CN20
CN21
CN25
CN26
CN30
E-BANK
FG
RFID
E-BANK FG
IN OUT
ANT
RFID
ANTENNA
PWR
RLY
CP
3A
BK32
CP
BANK01
05
BANK06
10
BANK 11
15
BANK16
20
BANK21
25
BANK26
30
CN26
30
CN21
25
CN16
20
CN11
15
CN06
10
CN01
05
FG TAP
CN353
CN382
CN353
CN351
CN351
CN070
CN070
POWER UNIT
(L)
14-1B
13-5B
CVS OPTION/RFID
1
9
10
3
11
4
22
23
5
24
12
6
7
8
13
14
16
15
17 18 19 20
21
4
3
1
25
26
11
5
22
23
24
12
15
6
14
8
16
7
13
17
21
18 19 20
28
27
1
9
10
29
5
22
23
24
12
15
6
14
8
16
7
13
17
21
18 19 20
28
27
1
25
26
29
5
22
23
24
12
15
6
14
8
16
7
13
17
21
18 19 20
31
2
30
32