FX-3-Rev13(-J) - 第164页
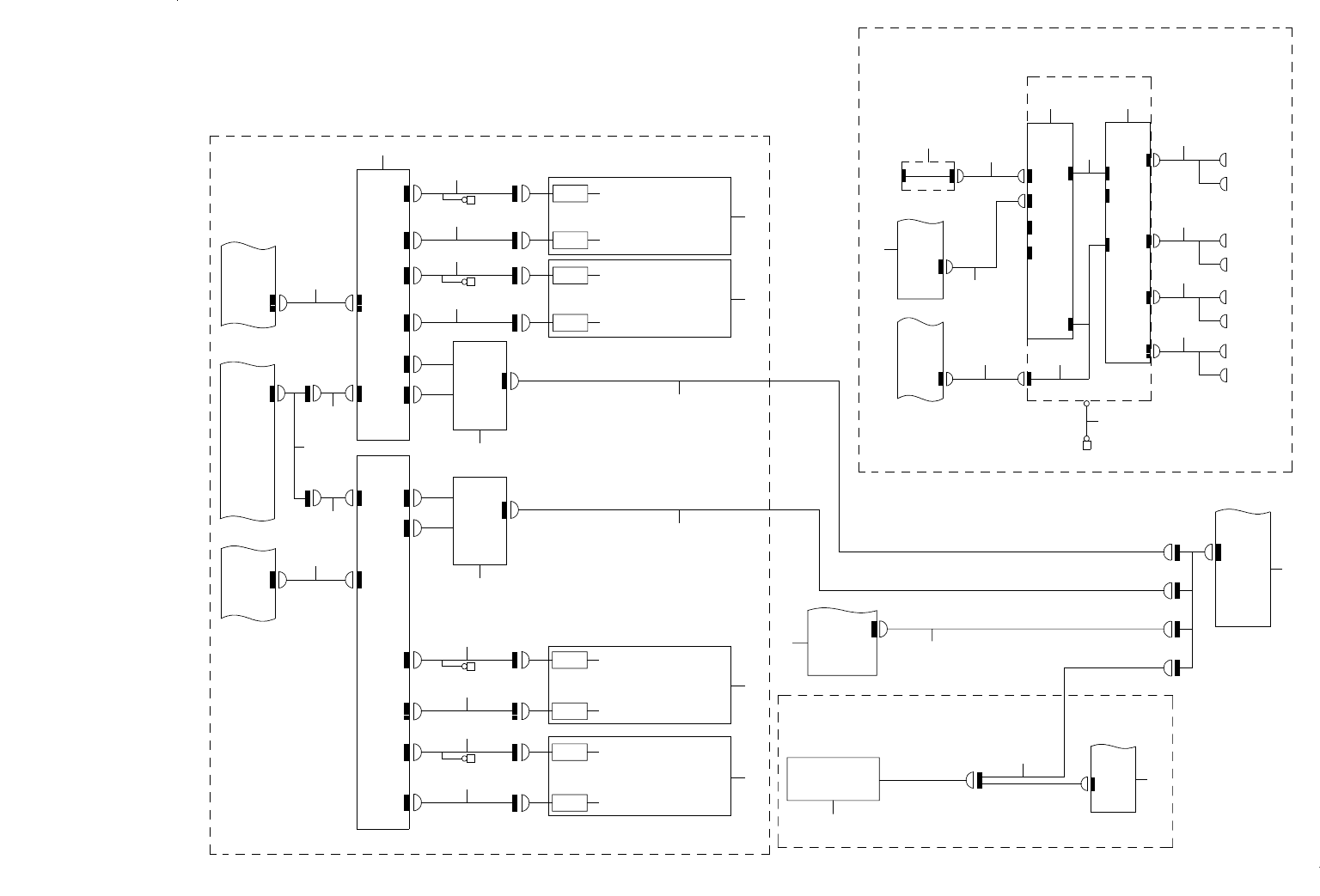
- 159 - 80. SYSTEM DIAGRAM (CVS/RFID/TRACEABILITY) SYSTEM DIAGRAM (CVS / RFID / TRACEABILITY) CVS OPTION X5 (RF) FG-TAP 6 1 24 5 3 78 9 1 0 12 15 11 13 14 16 17 19 18 20 21 22 23 24 29 26 25 27 28 30 31 32 35 34 33 38 40…

- 158 -
REF.NO NOTE PART NO D E S C R I P T I O N
品 名
Qty
1 400-47481 FEEDER IF RELAY(F) CABLE ASM
フィーダ IF 中継ケーブル(F)組
1
2 400-48179 FEEDER PCB(LF) IF CABLE ASM
フィーダ基板(LF)IF ケーブル組
1
3 400-48189 MECH BANK RELAY WIRE ASM
メカバンク中継束線組
1
4 400-48190 MECH BANK IF CABLE ASM
メカバンク IF ケーブル組
1
5 400-79659 RFID JOINT CABLE ASM
RFID ジョイントケーブル組
1
6 400-82807 MECHANICAL BANK PCB SET
メカバンク基板セット
1
7 400-63859 DRIVE_CYLINDER
ドライブシリンダー
1
8 400-48193 CONNECTOR BRACKET IF CABLE ASM
コネクタブラケット IF ケーブル組
1
9 400-48194 CONNECTOR BRACKET PWR CABLE ASM
コネクタブラケットパワーケーブル組
1
10 E8615-715-0A0 FEEDER BANK CIRCUIT BOARD ASM.
フィーダバンク基板組
1
11 400-48194 CONNECTOR BRACKET PWR CABLE ASM
コネクタブラケットパワーケーブル組
1
12 E9395-721-0A0 IC FULL RELAY CABLE 3 ASM.
IC FULL 中継ケーブル 3組
1
13 400-48194 CONNECTOR BRACKET PWR CABLE ASM
コネクタブラケットパワーケーブル組
1
14 E9532-729-0A0 CUTTER POWER SOURCE CABLE ASM.
カッタ電源ケーブル組
1
15 400-47788 BANK RLY CABLE (LF) ASM
バンク中継ケーブル(LF)組
1
16 400-47788 BANK RLY CABLE (LF) ASM
バンク中継ケーブル(LF)組
1
17 400-48183 BANK(F) FG CABLE ASM
バンク(F)FG ケーブル組
1
18 400-48184 FEEDER PCB(RF) IF CABLE ASM
フィーダ基板(RF)IF ケーブル組
1
19 400-63859 DRIVE_CYLINDER
ドライブシリンダー
1
20 400-47790 BANK RLY CABLE (RF) ASM
バンク中継ケーブル(RF)組
1
21 400-47790 BANK RLY CABLE (RF) ASM
バンク中継ケーブル(RF)組
1
22 400-48183 BANK(F) FG CABLE ASM
バンク(F)FG ケーブル組
1
23 400-48189 MECH BANK RELAY WIRE ASM
メカバンク中継束線組
1
24 400-48190 MECH BANK IF CABLE ASM
メカバンク IF ケーブル組
1
25 400-79659 RFID JOINT CABLE ASM
RFID ジョイントケーブル組
1
26 400-48193 CONNECTOR BRACKET IF CABLE ASM
コネクタブラケット IF ケーブル組
1
27 400-48194 CONNECTOR BRACKET PWR CABLE ASM
コネクタブラケットパワーケーブル組
1
28 400-48194 CONNECTOR BRACKET PWR CABLE ASM
コネクタブラケットパワーケーブル組
1
29 E9395-721-0A0 IC FULL RELAY CABLE 3 ASM.
IC FULL 中継ケーブル 3組
1
30 400-48194 CONNECTOR BRACKET PWR CABLE ASM
コネクタブラケットパワーケーブル組
1
31 E9532-729-0A0 CUTTER POWER SOURCE CABLE ASM.
カッタ電源ケーブル組
1
32 400-47482 FEEDER IF RELAY(R) CABLE ASM
フィーダ IF 中継ケーブル(R)組
1
33 400-47479 FEEDER PCB(LR) IF CABLE ASM
フィーダ基板 IF ケーブル(LR)組
1
34 400-47789 BANK RLY CABLE (LR) ASM
バンク中継ケーブル(LR)組
1
35 400-47789 BANK RLY CABLE (LR) ASM
バンク中継ケーブル(LR)組
1
36 400-48183 BANK(F) FG CABLE ASM
バンク(F)FG ケーブル組
1
37 400-48189 MECH BANK RELAY WIRE ASM
メカバンク中継束線組
1
38 400-48190 MECH BANK IF CABLE ASM
メカバンク IF ケーブル組
1
39 400-79659 RFID JOINT CABLE ASM
RFID ジョイントケーブル組
1
40 400-48193 CONNECTOR BRACKET IF CABLE ASM
コネクタブラケット IF ケーブル組
1
41 400-48194 CONNECTOR BRACKET PWR CABLE ASM
コネクタブラケットパワーケーブル組
1
42 400-48194 CONNECTOR BRACKET PWR CABLE ASM
コネクタブラケットパワーケーブル組
1
43 400-48194 CONNECTOR BRACKET PWR CABLE ASM
コネクタブラケットパワーケーブル組
1
44 400-63859 DRIVE_CYLINDER
ドライブシリンダー
1
45 E9395-721-0A0 IC FULL RELAY CABLE 3 ASM.
IC FULL 中継ケーブル 3組
1
46 E9532-729-0A0 CUTTER POWER SOURCE CABLE ASM.
カッタ電源ケーブル組
1
47 400-48158 BANK CABLE ASM
バンクケーブル組
1
48 400-65159 BANK PCB PWR RELAY CABLE ASM
バンク基板電源中継ケーブル組
1
49 400-47482 FEEDER IF RELAY(R) CABLE ASM
フィーダ IF 中継ケーブル(R)組
1
50 400-47480 FEEDER PCB(RR) IF CABLE ASM
フィーダ基板 IF ケーブル(RR)組
1
51 400-47791 BANK RLY CABLE (RR) ASM
バンク中継ケーブル(RR)組
1
52 400-47791 BANK RLY CABLE (RR) ASM
バンク中継ケーブル(RR)組
1
53 400-48183 BANK(F) FG CABLE ASM
バンク(F)FG ケーブル組
1
54 400-48189 MECH BANK RELAY WIRE ASM
メカバンク中継束線組
1
55 400-48190 MECH BANK IF CABLE ASM
メカバンク IF ケーブル組
1
56 400-79659 RFID JOINT CABLE ASM
RFID ジョイントケーブル組
1
57 400-48193 CONNECTOR BRACKET IF CABLE ASM
コネクタブラケット IF ケーブル組
1
58 400-48194 CONNECTOR BRACKET PWR CABLE ASM
コネクタブラケットパワーケーブル組
1
59 400-48194 CONNECTOR BRACKET PWR CABLE ASM
コネクタブラケットパワーケーブル組
1
60 E9395-721-0A0 IC FULL RELAY CABLE 3 ASM.
IC FULL 中継ケーブル 3組
1
61 400-48194 CONNECTOR BRACKET PWR CABLE ASM
コネクタブラケットパワーケーブル組
1
62 E9532-729-0A0 CUTTER POWER SOURCE CABLE ASM.
カッタ電源ケーブル組
1

- 159 -
80.SYSTEM DIAGRAM (CVS/RFID/TRACEABILITY)
SYSTEM DIAGRAM(CVS / RFID / TRACEABILITY)
CVS OPTION
X5
(RF)
FG-TAP
6
1
24
5
3
78910
12 15
11 13 14 16
17 19
18 20
21
22
23
24
2926
25 27 28 30
31
32
35
34
33
38
40
42 43 44 36
37
39
41
47
50
46
48
49
XY-49
9-4D
HOST
SUPER IMPOSE BOARD
45
12-3B
POWER UNIT(L)
PWRL028
14-1B
CN028L
CVSLC1
11-5C
CN12
XY-RELAY
PCB
XYCN12
CVSLIO
CVSLC2
13-3C
CVSRIO C VSRC2
CVSRC1
CN028R
12-3D
POWER UNIT(R)
PWRR028
13-4B
CN5
CN6
CN7
CN8
CN8/CVS
CN7/CVS
CN6/CVS
CN5/CVS
J043/RF
J042/RF
J043/RR
J042/RR
J42
J43
J42
J43
FG-TAP
(RR)
PROBE
SURFACE VERIFICATION UNIT(RF)
SOLENOID VALVE
SURFACE VERIFICATION UNIT(RR)
PROBE
SOLENOID VALVE
CVS PCB (R)
CN3
CN4
CN2
CN1
CN4
CN3CVS
DMM (R)
CN2
CN4
CN3
CN8
CN1
CN7
CN6
CN7/CVS
CN8/CVS
CN3CVS
CN4
DMM (L)
CN6/CVS
CN5
CVS PCB (L)
CN5/CVS J04 3/LF J43
J42
J43
J42
J042/LR
J043/LR
J042/LF
FG-TAP
(LR)
FG-TAP
(LF)
PROBE
SOLENOID VALVE
SURFACE VERIFICATION UNIT(LF)
SURFACE VERIFICATION UNIT(LR)
PROBE
SOLENOID VALVE
BARCORD REEDER
TRACEABILITY OPTION
BR
CN6
ATX POWER
9-5C
ATX-6
COM A
COM B
COM C
COM D
UART
5-5D
IEEE1394 BOARD
UART
RFID OPTION
FG-TAP
FRONT
12-3D
MECH TOROLY I/F
14-3D
ELEC TOROLY I/F
12-1B
MECH TOROLY I/F
14-1B
ELEC T OROLY I/F
12-1D
MECH TOROLY I/F
14-1D
ELEC TOROLY I/F
RR383
RR382
LF383
LF382
RF383
RF382
RF
CH2
CH1
CH4
LF
RR
LR
CN2
CN1
CN4
DC_INPUT
PROG
ETHERNET
CN3
CH3
12-3B
MECH TOROLY I/F
14-3B
ELEC TOROLY I/F
LR383
LR382
MPC-4C
SWIT CHING HUB
HLC
LAN
X4
X3
X2
X1
DC INPUT
RFID_PWR
PWRR22
14-1C
CN022
POWER UNIT(R)
13-1C
9-4C
CPU BOARD
LAN
LAN
HUB_BOX

- 160 -
NOTE( 注記 ) #01....FOR EN EN 用
REF.NO NOTE PART NO D E S C R I P T I O N
品 名
Qty
1 400-48294 CVS PCB(L) POWER CABLE ASM
CVS 基板(L)電源ケーブル組
1
2 400-48293 CVS IO(L) CABLE ASM
CVS IO(L)ケーブル組
1
3 400-48169 CVS IO CABLE ASM
CVS IO ケーブル組
1
4 400-48295 CVS IO(R) CABLE ASM
CVS IO(R)ケーブル組
1
5 400-48296 CVS PCB(R) POWER CABLE ASM
CVS 基板(R)電源ケーブル組
1
6 400-47537 CVS PCB ASM
CVS 基板組
1
7 400-77591 CVS LF PROBE CABLE ASM
CVS LF プローブケーブル組
1
8 400-48297 CVS LF PROBE CABLE ASM
CVS LF プローブケーブル組
1
9 400-77592 CVS LR PROBE CABLE ASM
CVS LF プローブケーブル組
1
10 400-48298 CVS LR PROBE CABLE ASM
CVS LR プローブケーブル組
1
11 400-47886 CVS PROBE CABLE ASM
CVS プローブケーブル組
1
12 400-46825 SURFACE VERIFICATION UNIT
CVS 外観組
1
13 E9589-705-0A0 VRFY SV CABLE ASM.
VRFY SV ケ−ブル組
1
14 400-47886 CVS PROBE CABLE ASM
CVS プローブケーブル組
1
15 400-46825 SURFACE VERIFICATION UNIT
CVS 外観組
1
16 E9589-705-0A0 VRFY SV CABLE ASM.
VRFY SV ケ−ブル組
1
17 400-48056 CVS DMM ASM
デジタルマルチメータ組
1
18 400-48057 CVS PROBE I/F CABLE ASM
CVS プローブI/Fケーブル組
1
19 400-48056 CVS DMM ASM
デジタルマルチメータ組
1
20 400-48057 CVS PROBE I/F CABLE ASM
CVS プローブI/Fケーブル組
1
21 400-77593 CVS RF PROBE CABLE ASM
CVS RF プローブケーブル組
1
22 400-48299 CVS RF PROBE CABLE ASM
CVS RF プローブケーブル組
1
23 400-77594 CVS RR PROBE CABLE ASM
CVS RR プローブケーブル組
1
24 400-48300 CVS RR PROBE CABLE ASM
CVS RR プローブケーブル組
1
25 400-47886 CVS PROBE CABLE ASM
CVS プローブケーブル組
1
26 400-46825 SURFACE VERIFICATION UNIT
CVS 外観組
1
27 E9589-705-0A0 VRFY SV CABLE ASM.
VRFY SV ケ−ブル組
1
28 400-47886 CVS PROBE CABLE ASM
CVS プローブケーブル組
1
29 400-46825 SURFACE VERIFICATION UNIT
CVS 外観組
1
30 E9589-705-0A0 VRFY SV CABLE ASM.
VRFY SV ケ−ブル組
1
31 HK-0651200-80 MODULAR KAPLA
モジュラーカプラ
1
32
#01
400-73738 RFID LAN CABLE (4.5M) ASM
RFID LAN ケーブル(4.5 M)組
1
33 401-07372 CPU BOARD
CPU ボード
1
34 400-79652 RFID LAN CABLE ASM
RFID LAN ケーブル組
1
35 400-79653 RFID PWR CABLE ASM
RFID パワーケーブル組
1
36 400-79658 RFID BRANCH4 CBL ASM
RFID BRANCH 4ケーブル組
1
37 400-73033 SWITCHING HUB
スイッチングハブ
1
38 400-72813 MPC RJ45 CABLE ASM
MPC 用 RJ 45ケーブル組
1
39 400-73032 4 PORT MPC
4ポート MPC
1
40 400-72814 MPC POWER CABLE ASM
MPC 電源ケーブル組
1
41 400-79656 RFID FG CABLE ASM
RFID FG ケーブル組
1
42 400-79654 RFID BRANCH1 CBL ASM
RFID BRANCH 1ケーブル組
1
43 400-79655 RFID BRANCH2 CBL ASM
RFID BRANCH 2ケーブル組
1
44 400-79657 RFID BRANCH3 CBL ASM
RFID BRANCH 3ケーブル組
1
45 400-48082 SUPER INPAUSE BOARD
SUPER INPAUSE ボード
1
46 400-47820 HOD RS232C CABLE ASM
HOD RS 232 C ケーブル組
1
47 400-48003 IEEE1394 BOARD
IEEE 1394ボード
1
48 HX-0061000-00 BARCODE READER
バーコードリーダ
1
49 400-48200 BARCODE READER CABLE ASM
バーコードリーダケーブル組
1
50 400-48006 ATX PSU
ATX 電源
1