文档中心
/
N7205A000E
N7205A000E - 第184页
在线预览 N7205A000E PDF 文档。
目录
100%
显示:宽度
宽度
1 / 438
回到旧版
旧版
?
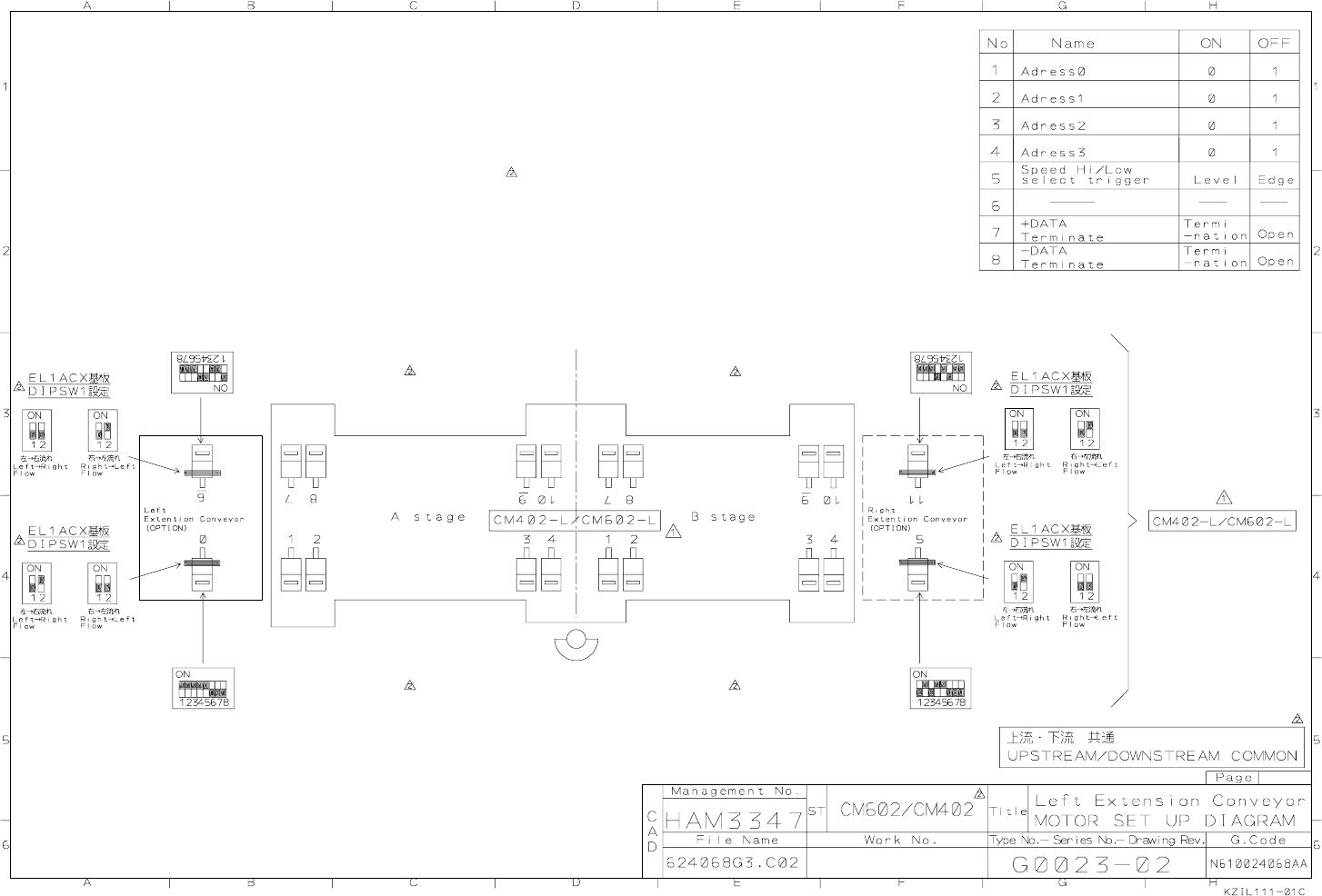
3. JUMPER CONFIGURATION
DIAGRAM
3-5 LEFT EXTENSION CONVEYOR
(SET UP DIAGRAM)
EJM8A-
E-W
DB0A-A00-0
0
该页面需要启用 JavaScript 才能进行交互式预览。