文档中心
/
N7205A000E
N7205A000E - 第188页
在线预览 N7205A000E PDF 文档。
目录
100%
显示:宽度
宽度
1 / 438
回到旧版
旧版
?
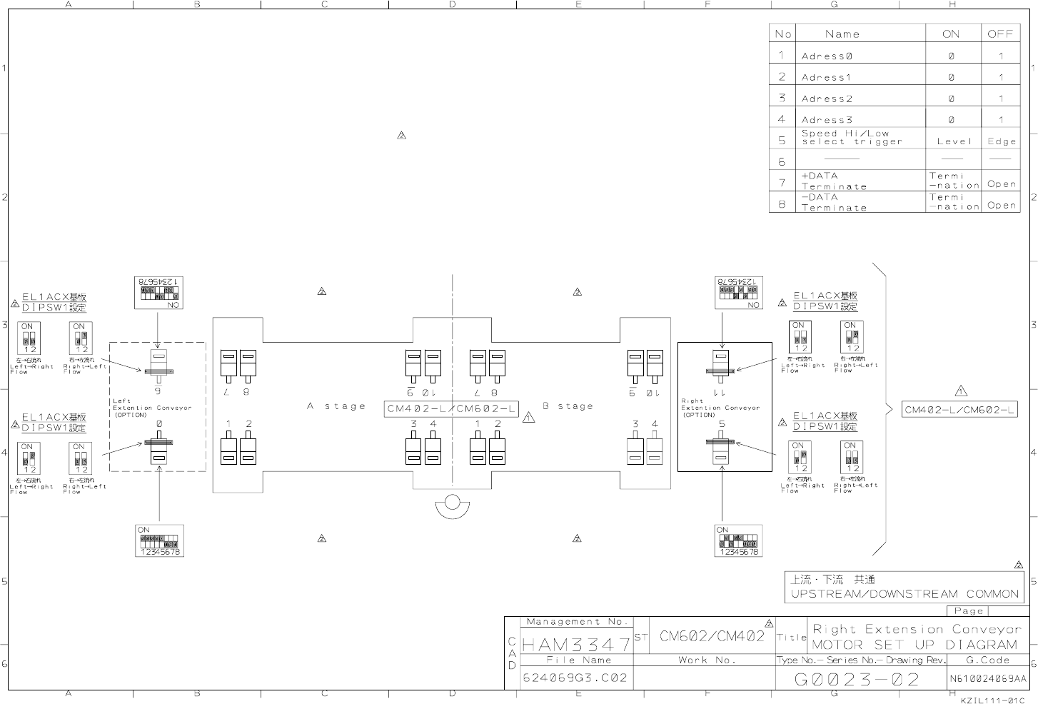
3. JUMPER CONFIGURATION
DIAGRAM
3-6 RIGHT EXTENSION C
ONVEYOR
(SET UP DIAGRA
M)
EJM8A-
E-W
DB0A-A00-0
0
该页面需要启用 JavaScript 才能进行交互式预览。