文档中心
/
N7205A000E
N7205A000E - 第20页
在线预览 N7205A000E PDF 文档。
目录
100%
显示:宽度
宽度
1 / 438
回到旧版
旧版
?
1.
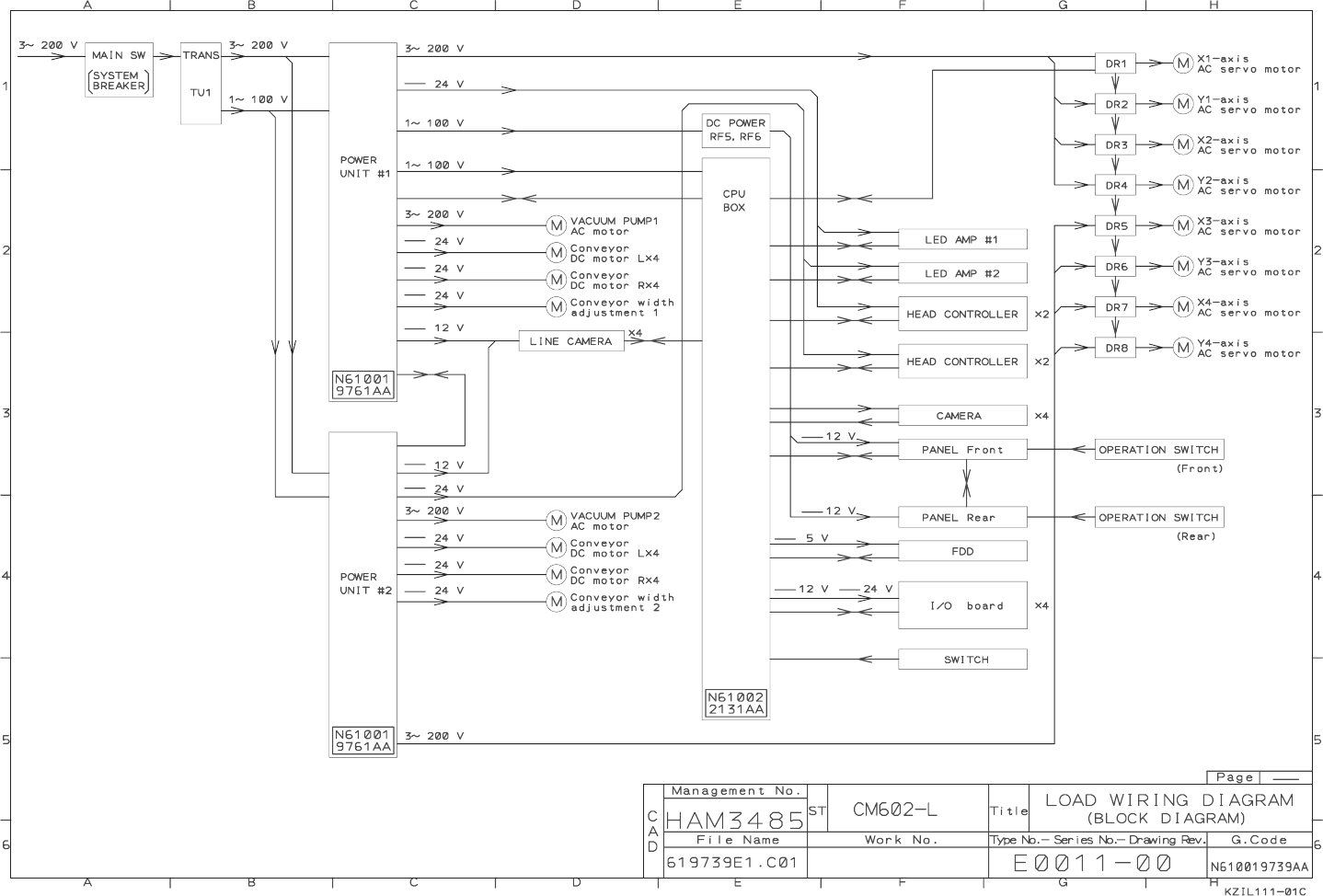
1. LOAD WIRING DIAGRAM
1-1 BASE SECTION
EJM8A-
E-W
DB0A-A00-0
0
该页面需要启用 JavaScript 才能进行交互式预览。