文档中心
/
N7205A000E
N7205A000E - 第285页
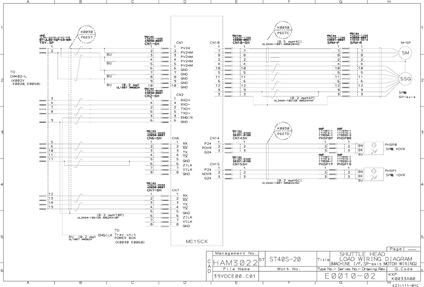
4. OPTION 4-13 SHUTTLE HEA D LO AD WIRING DIA G R A M EJM8A- E-W DB0A-A00-0 0
目录
100%
显示:宽度
宽度
1 / 438
回到旧版
旧版
?
4. OPTION
4-13 SHUTTLE HEA
D LO
AD WIRING
DIA
G
R
A
M
EJM8A-
E-W
DB0A-A00-0
0
该页面需要启用 JavaScript 才能进行交互式预览。