N7205A000E - 第385页
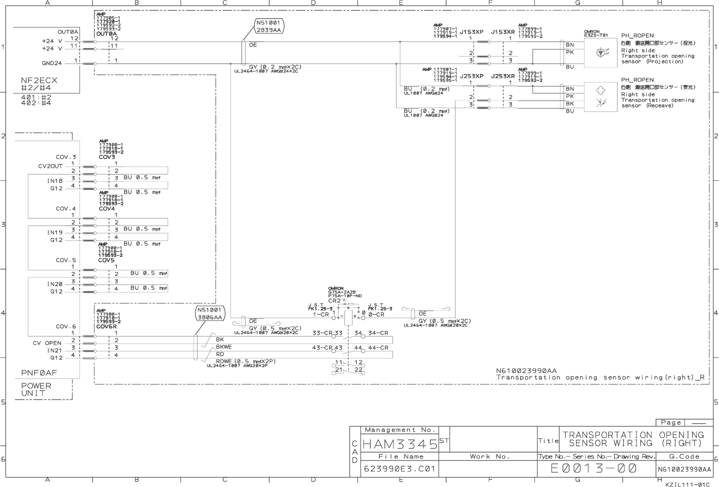
4. OPTION 4-28 TRANSPORTA TION OPENING SENSOR WIRING (RIGHT) EJM8A- E-W DB0A-A00-0 0

1.
= MEMO =
EJM8A-E-WDB0A-A01-00

4. OPTION
4-28 TRANSPORTATION OPENING
SENSOR WIRING (RIGHT)
EJM8A-E-WDB0A-A00-00

4. OPTION 4-28 TRANSPORTA TION OPENING SENSOR WIRING (RIGHT) EJM8A- E-W DB0A-A00-0 0


