N7205A000E - 第389页
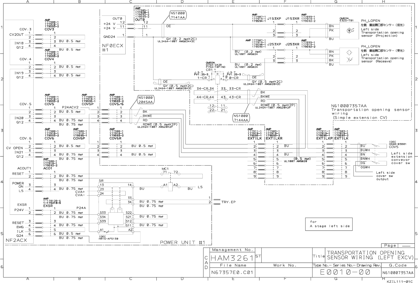
4. OPTION 4-30 TRANSPORT A TION OPENING SENSOR WIRING (SIM PLE EXTENSION CV) EJM8A- E-W DB0A-A00-0 0


4. OPTION
4-30 TRANSPORTATION OPENING SENSOR
WIRING (SIMPLE EXTENSION CV)
EJM8A-E-WDB0A-A00-00

4. OPTION 4-30 TRANSPORT A TION OPENING SENSOR WIRING (SIM PLE EXTENSION CV) EJM8A- E-W DB0A-A00-0 0


