RS-1_RS-1-XL_RS-1R-Rev16 - 第235页
- - REF.NO NOTE PARTNO DESCRI PTION Qty 1 401- 29648 POSITIONBOARD 1 2 401- 29627 OPTICAL FIBERCABLE1M 1 3 401- 29652 XAXISDRIVER 1 4 401 -82237 FXAM P-XYBEARENCCABLEASM 1 5 401 -82234 FXA…

- -
114.SYSTEMDIAGRAM(1)

- -
REF.NO NOTE PARTNO DESCRIPTION Qty
1 401-29648 POSITIONBOARD 1
2 401-29627 OPTICALFIBERCABLE1M 1
3 401-29652 XAXISDRIVER 1
4 401-82237 FXAMP-XYBEARENCCABLEASM 1
5 401-82234 FXAMP-YBEARPWRCABLEASM 1
6 401-82273 YBEARCABLE 1
7 401-29148 X-MOTORENCCABLEASM 1
8 400-44546 XMTRPWRCABLE 1
9 401-29653 XAXISMOTOR 1
10 401-82256 FXAMP-FGWIREASM 1
11 401-29654 YAXISDRIVER 1
12 401-29628 OPTICALFIBERCABLE0.15M 1
13 400-45401 YLENCCABLEASM 1
14 401-82269 YLMOTORCABLEASM 1
15 401-46348 YAXISSERVOMOTOR 1
16 401-82257 FYLAMP-FGWIREASM 1
17 400-45403 YRENCCABLEASM 1
18 401-82270 YRMOTORCABLEASM 1
19 400-48070 OPTICALFIBERCABLE7M 1
20 401-82258 FYRAMP-FGWIREASM 1
21 401-83536 POWERSUPPLYUNITBASM 1
22
#01
401-87824 POWERSUPPLYUNITBASM_EN 1
23 401-82272 XYBEARCABLE 1
24 401-33060 XYBEARAMPPWR-FGWIREASM 1
25 401-28874 HEADRELAYPCBASM 1
26 401-82243 EUTOP-FXYBEARAMPPWRCABLEASM 1
27 401-86992 BREAKER-NFWIREASM 1
28
#01
HK-0429900-7A CAP 1
29 401-91282 NOISEFILTER 1
30
#01
401-91283 NOISEFILTER 1
31 401-86994 NF-SWWIREASM 1
32
#01
401-88159 EUCNA4-CN0001CABLEASM(EN) 1
33 401-88712 SWITCH 1
34 401-28954 NF-FGWIREASM 1
35 401-86995 SW-TF/MTSWIREASM2 1
36 401-82231 MS-ELECTRICALUNITCABLEASM 1
37 401-83500 MTSPWRCABLEASM 1
38 401-83535 POWERSUPPLYUNITAASM 1
39
#01
401-87823 POWERSUPPLYUNITAASM_EN 1
40 401-82230 CNA3-AMPCNP2CABLEASM 1
41 401-91280 TRANSFORMER
1
42 401-83414 TRANS-EUCABLEASM 1
43 401-82214 ELEUNITCNA2-CNB3CABLEASM 1
44 401-82232 EUCNA6-EUCNB2CABLEASM 1
45 401-82255 EUTOP-ATXRELAYCABLEASM 1
46 EZ-1756647-11 BATTERYPACK(BS06A-H24/2.5L) 1
47 401-82264 VACUUMPUMPRELAYWIREASM 1
48 401-90921 IP-X11SETGENASM(RS-1) 1
49 401-28871 IOCONTROLPCBASM 1
50 401-82240 EUTOP-FXYBEARHDMPWRCABLEASM 1
51 401-23242 CPUBOARD 1
52 401-36338 LANCABLE5M 1
53 HK-0849200-80 CONNECTOR 1
54 401-89336 HDR-ZVACSENSORCABLEASM 1
55 401-82216 LNCLANCABLEASM 1
56 401-82791 LNC120-8 1
57 401-82217 LNCENCODERCABLEASM 1
58 401-82218 HDR-LNCLEDCABLEASM 1
59 401-86497 ATXRELAY-ATX250VCABLEASM 1
60 EZ-1468979-11 POWER(ENSP-300P-S20-11S) 1
61 401-72724 ATX-CPCIWIREASM3 1
62 401-83537 CTRL_UNIT_ASM 1
63 401-82220 HDR-SVCABLEASM2 1
64 401-82558 CN0707-T1/T2/T3ORIGINCABLEASM 1
65 401-82560 T1/T2/T3/T4ORIGINSENSORASM 1
66 401-83385 FIBERUNIT2M 1
67 401-72512 CPCIBACKBOARD6SLOT 1
68 401-29244 VACUUMPUMPASM 1
69 401-82233 ATX-SWCABLEASM 1
70 401-82559 CN0724-T4ORIGINCABLEASM 1
71 401-82238 IPX-FXYBEARCAMERACABLEASM 1
72 401-82239 IO-FXYBEARSERIALCABLEASM 1
73 401-28873 HEADMAINPCBASM 1
74 401-82241 HDM-HDRSERIALCABLEASM 1
75 401-29105 HDM-HDRPWRCABLEASM 1
76 401-29102 HDM-OCCLCABLEASM 1
77 401-29273 HDM-OCCLIGHTLCABLEASM 1
78 401-29639 OCC 1
79 401-29640 OCCLENS 1
80 401-28879 OCCCPCBASM 1
81 401-28878 OCCAPCBASM 1
82 401-29106 HDM-HMSLRELAYCABLEASM 1
83 401-29108 HMSCABLEASM 1
84 401-85429 NZL-UPSVEXTENSIONCABLEASM 1
85 401-83349 NZL-UPSVCABLEASM 1
86 401-86318 HDM-TMPSENSORCABLEASM 1
87 401-28883 THERMALSENSORPCBASM 1
88 HD-0030600-00 SENSOR 1
89 401-19461 HEADFANMOTORAASSY 1
90 401-36334 SERVOMOTOR30W 1
91 EZ-1492148-11 AMPLIFIERSERVO 1
92 401-82565 ZCCN2ACABLEASM 1
93 401-82563 ZCCNP2ACABLEASM 1
94 401-87431 SERVOMOTOR30W 1
95 401-29650 4AXISINTEGRALTYPETAXISDRIVER 1
96 401-36335 SERVOMOTOR30W 1
97 401-82252 HDR-ZAAMPPWRCABLEASM 1
98 401-82253 HDR-ZBAMPPWRCABLEASM 1
99 401-82254 HDR-ZCAMPPWRCABLEASM 1
100 401-82222 HDR-TAAMPPWRCABLEASM 1
101 401-82250 TAMP-HDRSERIALCABLEASM 1
102 401-82215 TACN5-CN0713CABLEASM 1
103 401-82251 HDR-SVCABLEASM 1
104 401-33002 NZLUPSENSOR6TLCABLEASM 1
105 401-33003 NZLUPSENSOR6TRCABLEASM 1
106 401-89336 HDR-ZVACSENSORCABLEASM 1
107 401-82489 VACUUM_UNIT 1
108
#01
401-88158 EUBTM-BANKUPCABLEASM(EN) 1
109
#01
400-02344 BUPSHORTWIRE(EN)ASM 1
110
#01
400-02287 BANKSWCABLEASSY 1
111 401-82229 CNA5-X/YL/YRCNP1CABLEASM 1

- -
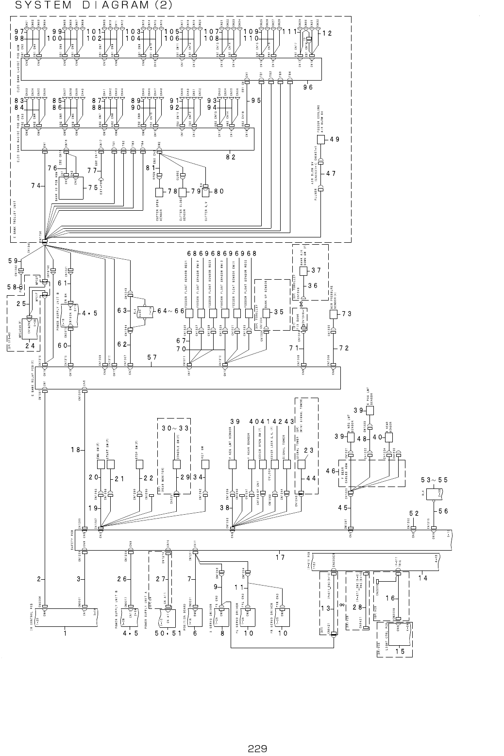
115.SYSTEMDIAGRAM(2)