RS-1_RS-1-XL_RS-1R-Rev16 - 第241页
- - REF.NO N OTE PARTNO DESCRIPTION Qty 1 401-2 8871 IOCONTROLPCBASM 1 2 401-8 2259 IO-RCNVSERIALCABLEASM 1 3 401-2 9046 SIDESENSORCABLEASM 1 4 401-2 9042 AWC/BUORGSENSORCABLEASM 1 5 401-…

- -
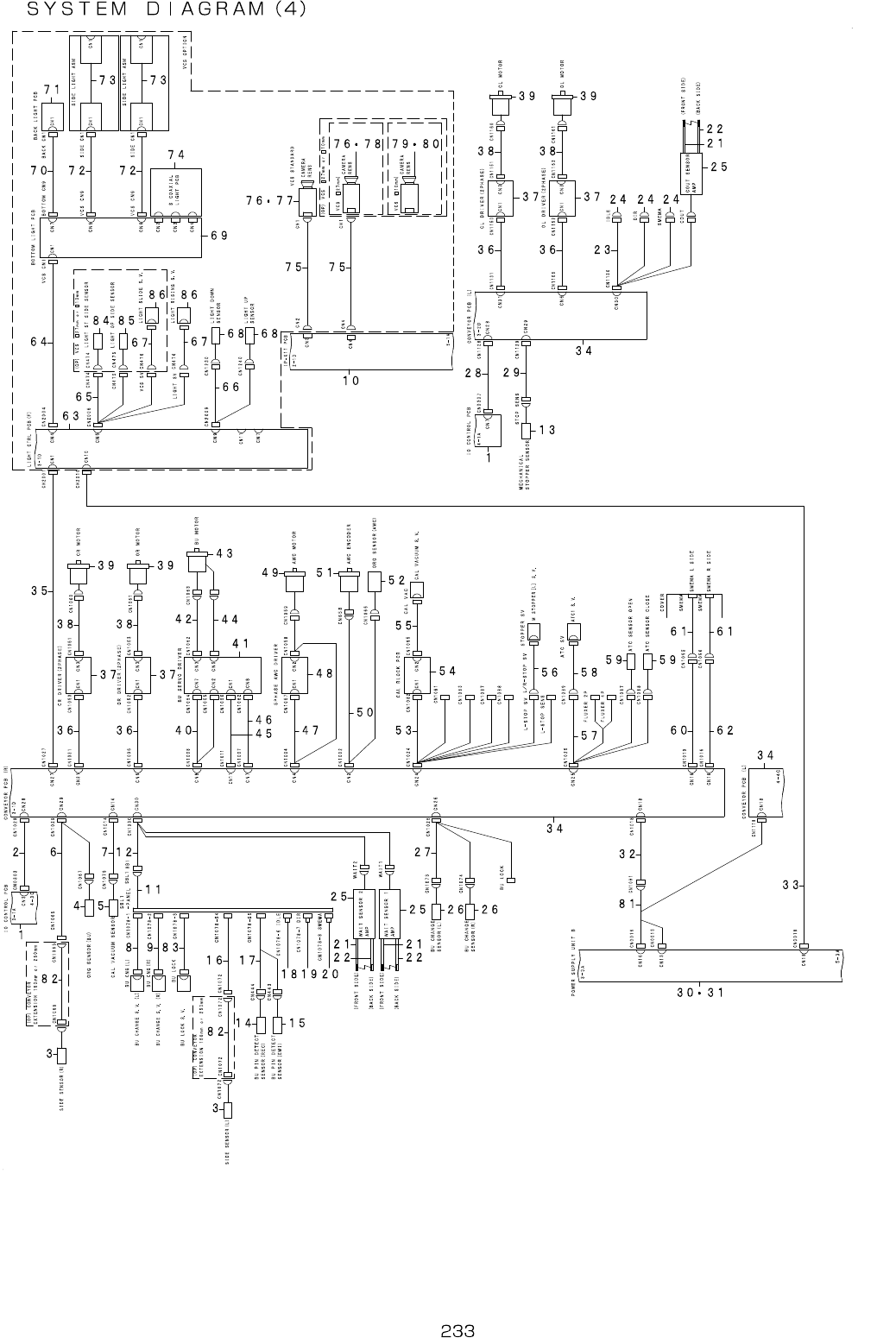
117.SYSTEMDIAGRAM(4)

- -
REF.NO NOTE PARTNO DESCRIPTION Qty
1 401-28871 IOCONTROLPCBASM 1
2 401-82259 IO-RCNVSERIALCABLEASM 1
3 401-29046 SIDESENSORCABLEASM 1
4 401-29042 AWC/BUORGSENSORCABLEASM 1
5 401-29080 AIR(N)SENSORCABLEASM 1
6 401-82336 SIDE(R)/BU-ORGCABLEASM 1
7 401-29256 CONVEYOR(F)-CALVAC(S/R)CABLEASM 1
8 401-29051 BUCHANGELSVCABLEASM 1
9 401-29052 BUCHANGERSVCABLEASM 1
10 401-90921 IP-X11SETGENASM(RS-1) 1
11 400-47908 SBL2CABLEASM 1
12 401-82337 CNVRELAYCABLEASM 1
13 401-56968 STOPPERSENSORASM 1
14 401-61237 BUPINRECEIVESENSASM 1
15 401-61236 BUPINEMISSIONSENSASM 1
16 401-82338 SIDESENSOR(L)CABLEASM 1
17 401-82339 BUPINDETECTSENSORCABLEASM 1
18 401-29056 CNVAUTOSET1WIREASM 1
19 401-29059 CNVAUTOSET2WIREASM 1
20 401-29060 CNVAUTOSET3WIREASM 1
21 401-82350 FIBERSENSOR 1
22 HD-0010700-30 SENSOR 1
23 401-82334 CNVAUTOSETCABLEASM 1
24 401-82335 SHORTCONNTCTORASM 1
25 401-29061 STOPSENSORCABLEASM 1
26 401-29048 BUCHANGECABLEASM 1
27 401-82341 BUUNITSENSORRELAYCABLEASM 1
28 401-82333 IO-LCNVSERIALCABLEASM 1
29 401-82346 STOPSENSCABLEASM 1
30 401-83536 POWERSUPPLYUNITBASM 1
31
#01
401-87824 POWERSUPPLYUNITBASM_EN 1
32 401-82329 CNVPWRRLYCABLEASM 1
33 401-33013 LIGHTCONTROLFPOWERASM 1
34 401-28875 CONVEYORPCBASM 1
35 401-82343 LTCTLSERIALCABLEASM 1
36 401-82344 MOTORDRIVERCABLEASM 1
37 401-54209 2PHASEDRIVERPCBASM 1
38 401-82330 MOTORCABLEASM 1
39 401-58136 2PHASESTEPPINGMOTOR 1
40 401-29035 BUAXISCONTROLCABLEASM 1
41 401-29636 BUAXISSERVOAMP 1
42 401-82332 BUMOTORPOWERCABLEASM 1
43 401-29637 BUAXISSERVOMOTOR 1
44 401-82327 BUMOTORENCODERCABLEASM 1
45 401-29036 BUAXISPOWERCABLEASM 1
46 401-82331 BUAXISENCODERCABLEASM 1
47 401-29039 AWCMOTOR(S)CABLEASM 1
48 HM-0013200-00 STEPPINGMOTOR 1
49 401-29040 AWCMOTORASM 1
50 401-29041 AWCENC/ORGRELAY(S)CABLEASM 1
51 E9433-729-0A0 BUENCASM. 1
52 401-29002 NEARSENSORCABLEASM 1
53 401-56965 L-STOPPERRELAYCABLEASM 1
54 400-07376 CALBLOCKPCBASM 1
55 401-29260 CAL-VACUUMSVCABLEASM 1
56 401-56969 STOPPERSVCABLEASM 1
57 401-82340 CNV-ATC(F)CABLEASM 1
58 401-29261 ATCSVCABLEASM 1
59 401-29062 PHOTOMICROSENSORASM 1
60 401-82342 CNV-SMEMALRELAY(F)CABLEASM 1
61 401-29031 SMEMACABLEASM 1
62 401-29029 CNV-SMEMARRELAY(F)CABLEASM 1
63 401-32991 LIGHTCONTROLPCBASM 1
64 401-83434 VCSLIGHTCABLEASM 1
65 401-82347 VCSSENSCABLEASM 1
66 401-82348 VCSUP-DOWNSENSCABLEASM 1
67 400-02148 VCSSVCABLEASM 1
68 401-65028 XYLMTSENSORASM 1
69 401-80852 BOTTOMLIGHTPCBASM 1
70 401-09805 S_BACKLIGHTCABLEASM 1
71 401-32986 BACKLIGHTPCBASM 1
72 401-33015 SIDELIGHTCABLEASM 1
73 401-80854 SIDELIGHTASM 1
74 401-80857 COAXIALLIGHTPCBASM 1
75 401-33146 CAMERALINKCABLESS3M 1
76 401-33149 VCSCAMERA 1
77 401-09807 S_VCSLENSSTD 1
78 401-09808 S_VCSLENSOPT 1
79 401-88244 VCSCAMERA 1
80 401-88312 VCS3LENS 1
81 401-82328 CNVPWRCABLEASM 1
82 401-50822 IN/OUTSENSRLYCABLEASM 1
83 401-29053 BULOCKSVCABLEASM 1
84 400-02146 VCSSTSENSASM 1
85 400-02147 VCSOPSENSASM 1
86 PV-1502093-00 5-PORTSOLENOIDVALVE 1

- -
118.SYSTEMDIAGRAM(5)