RS-1_RS-1-XL_RS-1R-Rev16 - 第243页
- - REF .NO NOTE PARTNO DESC RIPTION Qty 1 401- 90921 IP-X11SETGENASM (RS-1) 1 2 E9623- 721-000 PORTRAITM ONITORCABLE 1 3 401- 97864 SUPERIMPOSEB OARD 1 4 401- 29642 DVICABLEL2.5 M 1 5 401- 29…

- -
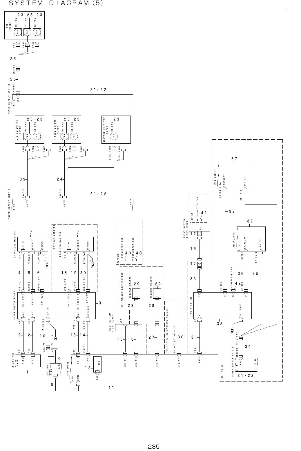
118.SYSTEMDIAGRAM(5)

- -
REF.NO NOTE PARTNO DESCRIPTION Qty
1 401-90921 IP-X11SETGENASM(RS-1) 1
2 E9623-721-000 PORTRAITMONITORCABLE 1
3 401-97864 SUPERIMPOSEBOARD 1
4 401-29642 DVICABLEL2.5M 1
5 401-29084 SPIMP-FLCDSERIALCABLEASM 1
6 401-29085 SPIMP-FLCDPWRCABLEASM 1
7 401-58158 15INCHLCDMONITOR 1
8 401-82290 ATX232CCABLEASM2 1
9 EZ-1468979-11 POWER(ENSP-300P-S20-11S) 1
10 401-82271 ATX-SPIMPPWRCABLEASM2 1
11 401-23242 CPUBOARD 1
12 401-83618 ENVIRONMENTSYSTEMDISKASM(RS1MES) 1
13 401-29644 DVICABLE1M 1
14 401-82263 CPU-SPIMPSERIALCABLEASM 1
15 400-44522 USBRELAYCABLE 1
16 HW-0018100-80 LANCABLE 1
17 HK-0651200-80 MODULARKAPLA 1
18 401-29643 DVICABLEL4.0M 1
19 401-29087 SPIMP-RLCDSERIALCABLEASM 1
20 401-29088 SPIMP-RLCDPWRCABLEASM 1
21 401-83536 POWERSUPPLYUNITBASM 1
22
#01
401-87824 POWERSUPPLYUNITBASM_EN 1
23 401-89090 DCFANASM 1
24 401-89242 BASERFANRELAYCABLEASM 1
25 401-89243 TOPCOVERFANRELAYCABLEASM 1
26 401-89244 TOPCOVERFANCABLEASM 1
27 401-73481 USBREPEATERCABLE 1
28 401-73482 USBBARCORDREADERCABLE(4M) 1
29 EZ-1458644-11 READERBARCODE 1
30 401-29932 2DPROTECTMODULE(USB) 1
31 400-79652 RFIDLANCABLEASM 1
32 400-73033 SWITCHINGHUB 1
33 400-73780 FX1RRFIDLANCABLE(1.65M)ASM 1
34 401-87772 EU-HUB/MPCPWRRELAYCABLEASM 1
35 401-87773 HUB/MPCPOWERCABLEASM 1
36 401-68954 MPCLANCABLE2ASM 1
37 401-69048 MPC-CAN 1
38 400-73738 RFIDLANCABLE(4.5M)ASM 1
39 401-89241 BASELFANRELAYCABLEASM 1
40
#01
HX-0066700-00 DUSTCOVER 1
41
#01
HX-0066000-00 DUSTCOVER 1
42 HX-0066000-00 DUSTCOVER 1

Notes