部品手册1N7203A389B - 第159页
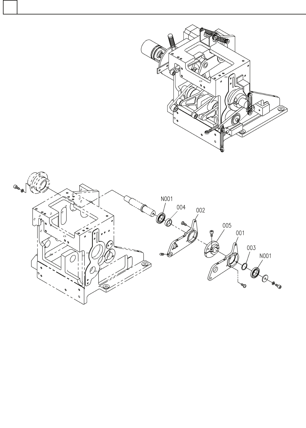
PART No. イラスト No. REF No. PAR T NAME REMARKS Q'TY 7 挿入ヘッド部( プッシャU/ Dベアリングサイ ズアップ) INSERTION H EAD SECT. (PUSHER U/D BEAEING SI ZE UP) 部 品 名 品 番 個数 備 考 R 1 R 2 1 N610132969AA INSERTION HEA D UNIT ソウニュウヘット ゙ユニット…

挿入ヘッド部(プッシャU/Dベアリングサイズアップ)
INSERTION HEAD SECT.(PUSHER U/D BEAEING SIZE UP)
7
FN610132969AA_01
M127

PART No.
イラスト
No.
REF
No.
PART NAME
REMARKS
Q'TY
7
挿入ヘッド部(プッシャU/Dベアリングサイズアップ)
INSERTION HEAD SECT.(PUSHER U/D BEAEING SIZE UP)
部 品 名 品 番 個数
備 考
R
1
R
2
1 N610132969AA
INSERTION HEAD UNIT ソウニュウヘット
゙ユニット
1
001 N210157145AA
LEVER レバー
1
002 N210157146AA
LEVER レバー
1003 N210157196AA
COLLAR カラー
1004 N210157197AA
COLLAR カラー
1
005 N210157198AA
CAM カム
6005ZZ
2
N001
KXF00K8AA00
BEARING ベアリング
M128
FN610132969AA_01

挿入部(チャック部(2P))
INSERT SECT.(CHUCK SECT.(2P))
8
FN610130607AA_03
M129