西门子技术培训资料TX等糸例 - 第68页
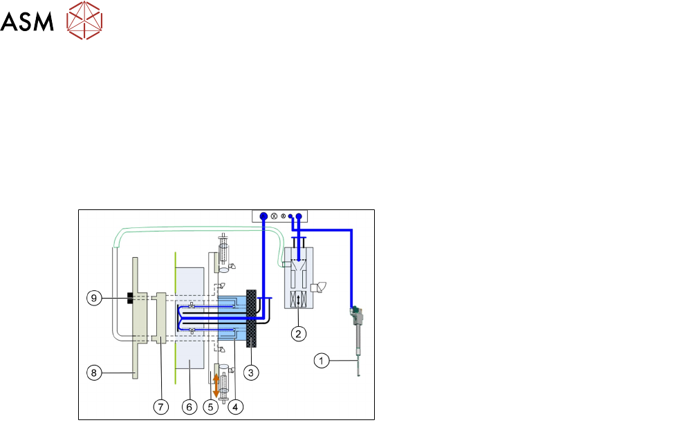
5 贴片头 5.1 CPP 贴片头 68 技术培训 SIPLACE TX系列 10/2016 5.1.4 真空系统概览 5.1.4.1 真空系统功能概览 真空系统包括两个主要部件: ● 拾取/贴片回路:提供真空或吹气,拾取供料器中的元件并将其贴装到印刷板上。 ● 保持回路:当元件在吸嘴上,不在拾取位置时,将元件吸持到吸嘴上 1. Z 轴收缩装置 2. 真空发生器 3. 消音器 4. 保持回路 5. 配备 DP 轴驱动装置的星型轴框架 6…

5 贴片头
5.1 CPP 贴片头
技术培训 SIPLACE TX系列 10/2016 67
贴片程序
“高力度”:贴片力度取决于 Z 轴的当前位置,以确定 Z 轴下移以及真空发生器切换到吹气的终了信
号。
抛料程序
“缺陷”或“缺失”的决定因素:
●
光学对中
●
元件传感器
温度补偿
定期检查温度传感器,校准偏差值以提高贴片精准度。

5 贴片头
5.1 CPP 贴片头
68 技术培训 SIPLACE TX系列 10/2016
5.1.4 真空系统概览
5.1.4.1 真空系统功能概览
真空系统包括两个主要部件:
●
拾取/贴片回路:提供真空或吹气,拾取供料器中的元件并将其贴装到印刷板上。
●
保持回路:当元件在吸嘴上,不在拾取位置时,将元件吸持到吸嘴上
1. Z 轴收缩装置
2. 真空发生器
3. 消音器
4. 保持回路
5. 配备 DP 轴驱动装置的星型轴框架
6. 阀门板
7. 分配器盘
8. 贴片头后盖
9. 保持回路传感器
●
气动输送分配器向调压阀 PRV
(2)
、保持回路
(4)
及收缩装置
(1)
提供 4.5 bar 的压缩空气。
●
通过保持回路
(4)
,将压缩空气直接提供给阀岛
(6)
。经过阀岛的压缩空气被分配到 12 个通道,
每个通道均配有一个气动阀,用于打开或关闭该通道。
●
压缩空气从阀岛中进入保持回路
(4)
。在这里,通过 12 个吹气电磁阀的吸嘴,生成 12 个所有
段位器的保持回路的真空。
●
通过星型轴框架
(5)
,保持回路中的真空进入吸嘴中。

5 贴片头
5.1 CPP 贴片头
技术培训 SIPLACE TX系列 10/2016 69
拾取与贴片回路
●
星型轴旋转到拾取位置前,相关阀门通过阀岛打开。
●
现在,吸嘴上出现了保持回路中的真空。
●
星型轴到达拾取位置后,保持回路的真空通过调压阀得到增强,从而就能拾取元件了。
●
完成元件的拾取后,通过保持回路,元件被吸持在吸嘴上。
●
在到达贴片位置且启用 Z 轴向下传感器后,调压阀将切换为吹气。这可以消除保持回路的真
空,而吸嘴上也会出现大约 200mbar 的吹气。