SM471_TechnicalReference(Eng_Ver1.3) - 第183页
Page SAMSUNG TECHWIN 173 SM471 S afety Control Board Interface (1/4) NO. Lev . P ART NO. P ART NAME Q'TY Old No. Supply Supply L T Reference 1 AM03-0055 06A CABLE ASSY -GENERAL_PW_RELA Y 1 SM471-PW03 2 2 AM03-0055 0…

Page
SAMSUNG TECHWIN
172
SM471
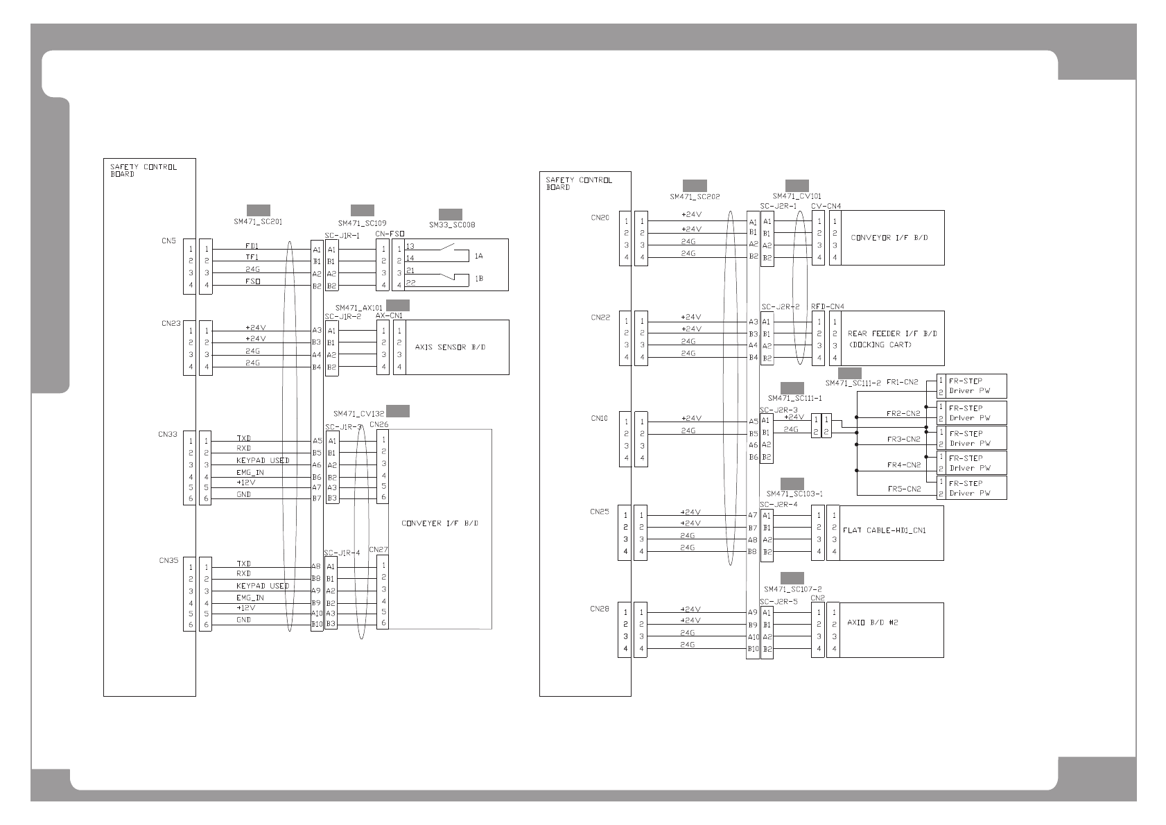
Safety Control Board Interface (1/4)
[1 ]
[2 ]
[3 ]
[4 ] [5 ]
[6 ] [7 ]

Page
SAMSUNG TECHWIN
173
SM471
Safety Control Board Interface (1/4)
NO. Lev. PART NO. PART NAME Q'TY Old No. Supply Supply LT Reference
1 AM03-005506A CABLE ASSY-GENERAL_PW_RELAY 1 SM471-PW032
2 AM03-005504A CABLE ASSY-PS1_PS2_SACO_T6L 1 SM471-PW127
3 AM03-005507A CABLE ASSY-FEEDER_PW_RELAY 1 SM471-PW033
4 AM03-005520A CABLE ASSY-F_OP_PANEL_IF 1 SM471-SC101
5 AM03-005521A CABLE ASSY-F_OP_PANEL_IF-EXT 1 SM471-SC101-1
6 AM03-005523A CABLE ASSY-R_OP_PANEL_IF-EXT 1 SM471-SC102-1
7 AM03-005522A CABLE ASSY-R_OP_PANEL_IF 1 SM471-SC102

Page
SAMSUNG TECHWIN
174
SM471
Safety Control Board Interface (2/4)
[1 ] [2 ]
[3 ]
[4 ]
[5 ]
[6 ] [7 ]
[8 ]
[9 ]
[10]
[11]