SM471_TechnicalReference(Eng_Ver1.3) - 第190页
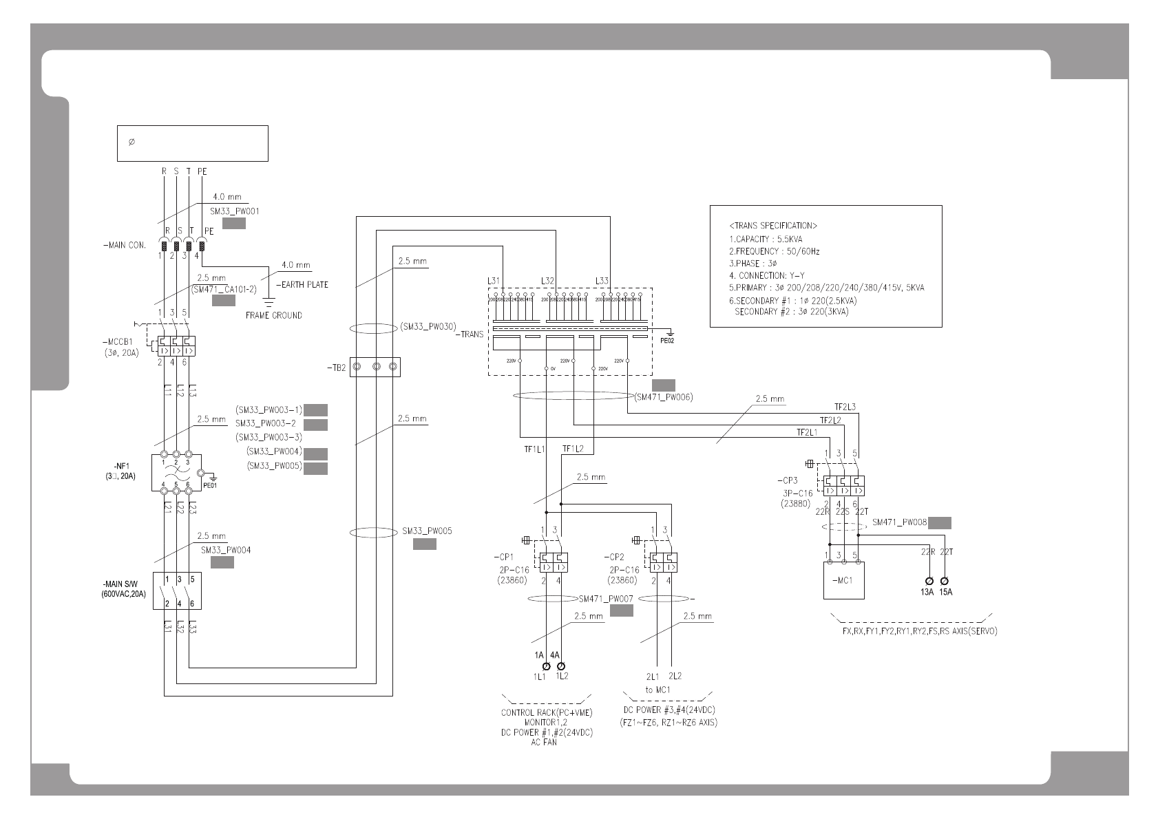
Page SAMSUNG TECHWIN 180 SM471 E lectric Circuit Diagram (1/7) [1] 2 2 2 2 2 2 2 2 2 FACTORY MAIN POWER (3 /PE 60 HZ 200~415VAC ) APPROX. 5KVA) 2 2 [3] [6] [8] [9] [2] [4] [5] [6] [3] [7]

Page
SAMSUNG TECHWIN
179
SM471
Safety Control Board Interface (4/4)
NO. Lev. PART NO. PART NAME Q'TY Old No. Supply Supply LT Reference
1 AM03-005527A CABLE ASSY-CONV_SUB_IF-EXT 1 SM471-SC105-1
2 AM03-005526A CABLE ASSY-CONV_SUB_IF 1 SM471-SC105
3 AM03-005451A CABLE ASSY-SAFETY-FRONT_T_BOX 1 SM471-CV134
4 AM03-005452A CABLE ASSY-SAFETY-FRONT_T_BOX_EXT 1 SM471-CV134-1
5 AM03-005521A CABLE ASSY-F_OP_PANEL_IF-EXT 1 SM33-CV023-4

Page
SAMSUNG TECHWIN
180
SM471
Electric Circuit Diagram (1/7)
[1]
2
2
2
2
2
2 2
2
2
FACTORY MAIN POWER
(3 /PE 60HZ 200~415VAC)
APPROX. 5KVA)
2
2
[3]
[6]
[8]
[9]
[2]
[4]
[5]
[6]
[3]
[7]

Page
SAMSUNG TECHWIN
181
SM471
Electric Circuit Diagram (1/7)
NO. Lev. PART NO. PART NAME Q'TY Old No. Supply Supply LT Reference
1 J90831063A MAIN_POWER_CABLE_ASSY SM33-PW001 1 SM33-PW001
2 AM03-005393A CABLE ASSY-AXIO_BD_2_FFD_CAN_J8L 1 SM471_CA101-2
3 J90831252A REAR_ELEC_PANEL_EARTH_CABLE_ASSY SM33-PW 1 SM33-PW003-1
4 J90831253C MCCB_NF1_EARTH_CABLE_ASSY 1 SM33-PW003-2
5 J90831066D NF1_MAIN_SWITCH_CABLE_ASSY 1 SM33-PW004
6 J90831067B MAIN_SWITCH_TB2_CABLE_ASSY SM33-PW005
7 AM03-005697A CABLE ASSY-AC RELAY JUMPER 1 SM471_PW006
8 AM03-005482A CABLE ASSY-CP1_TB1_MC1 1 SM471_PW007
9 AM03-005483A CABLE ASSY-CP2_TB1_MC2_CABLE 1 SM471_PW008