SM471_TechnicalReference(Eng_Ver1.3) - 第199页
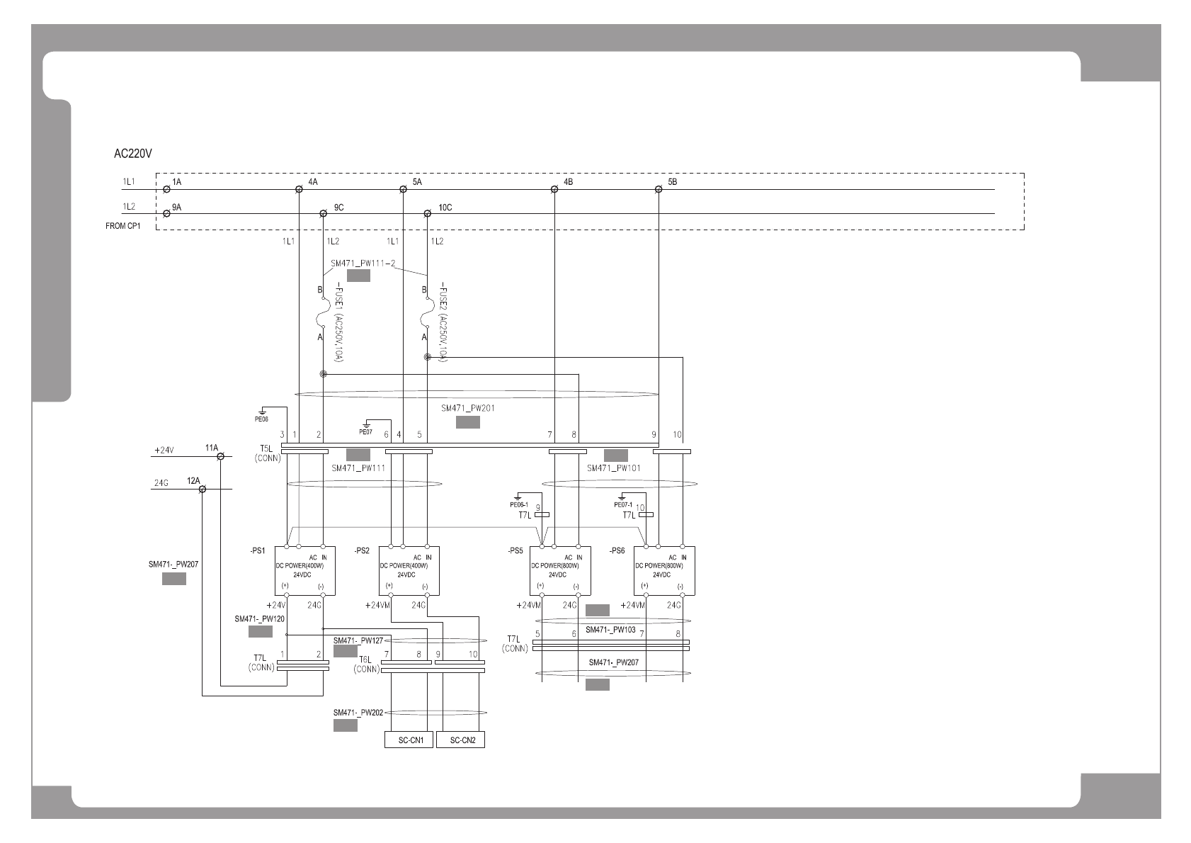
Page SAMSUNG TECHWIN 189 SM471 E lectric Circuit Diagram (5/7) NO. Lev . P ART NO. P ART NAME Q'TY Old No. Supply Supply L T Reference 1 AM03-0054 87A CABLE ASSY -TB1_FS1_FS2 1 SM471_PW1 1 1-2 2 AM03-0054 86A CABLE …

Page
SAMSUNG TECHWIN
188
SM471
Electric Circuit Diagram (5/7)
^4`
^6`
^5`
^7`
^8`
^9`
^:`
^;`
^<`
^43`

Page
SAMSUNG TECHWIN
189
SM471
Electric Circuit Diagram (5/7)
NO. Lev. PART NO. PART NAME Q'TY Old No. Supply Supply LT Reference
1 AM03-005487A CABLE ASSY-TB1_FS1_FS2 1 SM471_PW111-2
2 AM03-005486A CABLE ASSY-TB1_PS1_PS2_PW_T5L 1 SM471_PW111
3 AM03-005478A CABLE ASSY-PS1_PS2_PS5_PS6_PW_T5L 1 SM471_PW201
4 AM03-005476A CABLE ASSY-PS5_PS6_PW_T5 1 SM471_PW101
5 AM03-005479A CABLE ASSY-RY3_RY5_T7L 1 SM471_PW207
6 AM03-005495A CABLE ASSY-PS1_1_DC_POWER_BD 1 SM471_PW120
7 AM03-005504A CABLE ASSY-PS1_PS2_SACO_T6L 1 SM471-PW127
8 AM03-005485A CABLE ASSY-PS34_AC_PS12_DC_PW_T6L 1 SM471_PW202
9 AM03-005480A CABLE ASSY-PS5_PS6__DC24V_PWR 1 SM471_PW103
10 AM03-005479A CABLE ASSY-RY3_RY5_T7L 1 SM471_PW207

Page
SAMSUNG TECHWIN
190
SM471
Electric Circuit Diagram (6/7)
[1 ]
[2 ]
[3 ]
[4 ]
[5 ]
[6 ]
[7 ]
[8 ]