SM471_TechnicalReference(Eng_Ver1.3) - 第201页
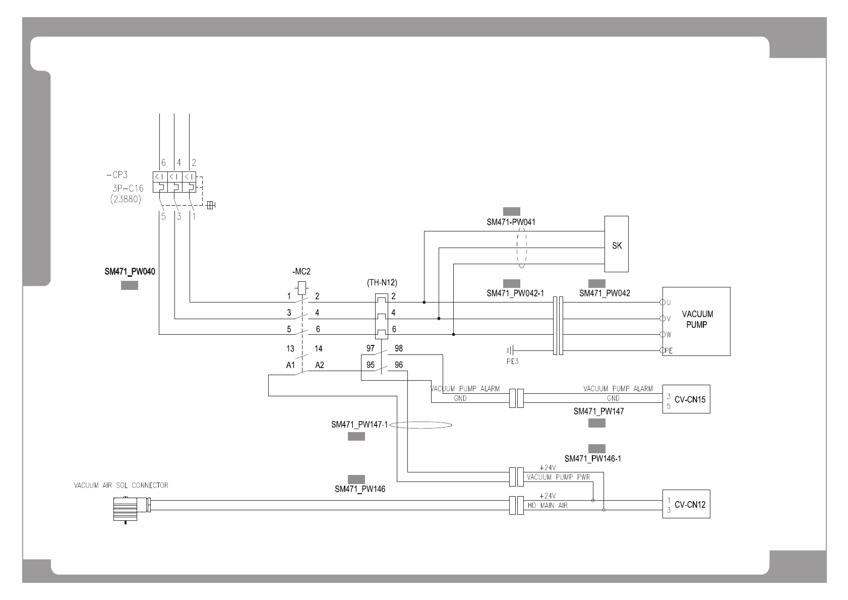
Page SAMSUNG TECHWIN 191 SM471 E lectric Circuit Diagram (6/7) NO. Lev . P ART NO. P ART NAME Q'TY Old No. Supply Supply L T Reference 1 AM03-005509 A CABLE ASSY -MC_INPUT_220V 1 SM471-PW040 2 AM03-005701 A CABLE AS…

Page
SAMSUNG TECHWIN
190
SM471
Electric Circuit Diagram (6/7)
[1 ]
[2 ]
[3 ]
[4 ]
[5 ]
[6 ]
[7 ]
[8 ]

Page
SAMSUNG TECHWIN
191
SM471
Electric Circuit Diagram (6/7)
NO. Lev. PART NO. PART NAME Q'TY Old No. Supply Supply LT Reference
1 AM03-005509A CABLE ASSY-MC_INPUT_220V 1 SM471-PW040
2 AM03-005701A CABLE ASSY-PUMP_PWR_ALARM-EXT 1 SM471-PW147-1
3 AM03-005698A CABLE ASSY-VACUUM_PWR 1 SM471-PW146
4 AM03-005510A CABLE ASSY-SK 1 SM471-PW041
5 AM03-005767A CABLE ASSY-VACUUM_PUMP_PWR_EXT 1 SM471-PW042-1
6 AM03-005511A CABLE ASSY-VACUUM_PUMP_220V SM471-PW042
7 AM03-005700A CABLE ASSY-PUMP_PWR_ALARM 1 SM471-PW147
8 AM03-005699A CABLE ASSY-VACUUM_EJECTOR_PWR 1 SM471-PW146-1

Page
SAMSUNG TECHWIN
192
SM471
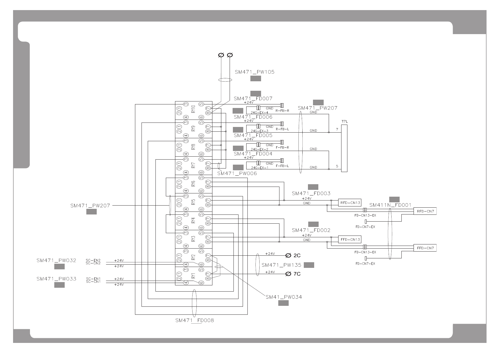
Electric Circuit Diagram (7/7)
[1 ]
[2 ]
[3 ]
[4 ]
[5 ]
[6 ]
[4 ]
[7 ]
[8 ]
[9 ]
[1 0 ]
[1 1 ]
[12]
[1 3 ]
[1 4 ]