SM471_TechnicalReference(Eng_Ver1.3) - 第22页
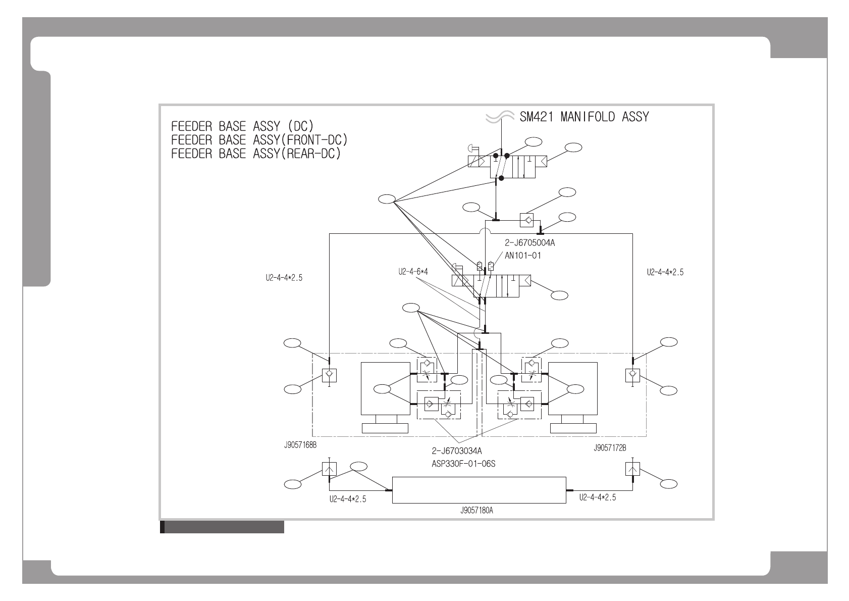
Page SAMSUNG TECHWIN 12 SM471 F eeder Base Ass’y - DC (4/4) Reference to Air Ass'y ڡۀۀڿۀۍٻڝڼێۀٻڃڟڞڄ 1 1 2 3 3 6 6 2 2 4 5 5 4 10 11 12 7 10 9 8 12

Page
SAMSUNG TECHWIN
11
SM471
Feeder Base Ass’y - DC (3/4)
NO. PART NO. PART NAME Q'TY Old No. Stock Apply Reference
1 J91741071A FEEDER_INPUT_EXT_BOARD VER 1.1 1
2 J91741070A FEEDER_IO_BOARD VER 1.2 1
3 FC09-000977A FRONT SENSOR BKT2 1 J70540267B
4 FC09-000976A FRONT SENSOR BKT1 1 J70540266B/ J70540266C
5 J1300101 DRAWER PULL [HD-108] 2
6 J70540268C REAR SENSOR BKT1 1
7 J70540269B REAR SENSOR BKT2 1

Page
SAMSUNG TECHWIN
12
SM471
Feeder Base Ass’y - DC (4/4)
Reference to Air Ass'y
ڡۀۀڿۀۍٻڝڼێۀٻڃڟڞڄ
1
1
2
3
3
6
6
2
2
4
5 5
4
10
11
12
7
10
9
8
12

Page
SAMSUNG TECHWIN
13
SM471
Feeder Base Ass’y - DC (4/4)
NO. PART NO. PART NAME Q'TY Old No. Stock Apply Reference
1 J6712008A PLUG 2
2 J1301188 FITTING [KQ2L04-M5/PL4-M5M/SQL04-M5] 4
3 J6711256A COUPLER[KD-M5-SA34697KR] 1
4 J6703034A SPEED CON[ASP330F-01-06S] 1
5 J6711009A ELBOW FITTING [KQ2L06-M5] 1
6 J6711247A ELBOW FITTING[PT18EF] 2
7 J6712008A PLUG [PT 1/8] 3
8 J67110119B UNION Y FITTING [KQ2U04-06] 1
9 J6703037A CHECK VALVE[AKH06-00] 1
10 J1300284 FITTING [KQ2U06-00/PY6M] 5
11 J1300276 FITTING [KQ2L06-01/PL6-01] 5
12 J6702021A SOLENOID VALVE [K180-4E1-21-DC24V] 1