JX-300LED-Rev02.pdf - 第118页
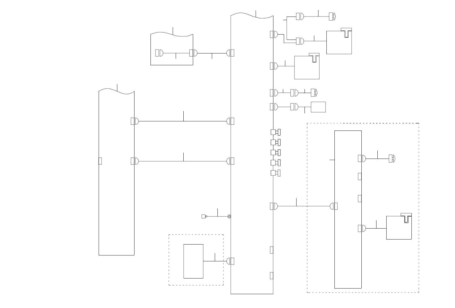
- 11 3 - 5 7 .SY S TE M DI AG RA M (O PE RA T IO N UN IT ) SYSTEM DIAGRAM(OPERATION UNIT) HOD op ti o n CN8 CN6 12-1A CN2 CN02 CN18 CN16 CN1 6 LS0 -16 XY RELAY PCB ( 5 /5) L S0-16 CN25 LS4-6 CN6 CN1 SW9 SW10 SW5 SW6 SW1 …

- 112 -
REF.NO NOTE PART NO D E S C R I P T I O N
品 名
Qty
1 400-44847 XY RELAY CABLE3 ASM
XY 中継ケーブル3組
1
2 400-45444 XY-SAFETY I/F CABLE ASM
XY − SAFETY I / F ケーブル組
1
3 400-45268 SAFETY CABLE1 ASM
セーフティケーブル1組
1
4 E9378-729-0A0 SMEMA CABLE (L) ASM.
SMEMA ケ−ブル(L)組
1
5 400-02334 SMEMA CABLE (R) ASM
SMEMA ケーブル(R)組
1
6 400-45269 SAFETY CABLE2 ASM セーフティケーブル2組 1
7 400-45270 SAFETY CABLE3 ASM
セーフティケーブル2組
1
8 400-02202 SAFETY CABLE ASM
セーフティケーブル組
1
9 400-45445 PMDC L CABLE ASM
PMDC L ケーブル組
1
10 400-45446 PMDC R CABLE ASM
PMDC R ケーブル組
1
11 HM-0013200-00 MOTOR DRIVER
モータドライバ
1
12 401-37708 OPERATION PCB ASM
オペレーション基板組
1
13 401-38561 I/O MOTOR(L) CABLE ASM
I / O モータ(L)ケーブル組
1
14 401-38562 I/O MOTOR(R) CABLE ASM
I / O モータ(R)ケーブル組
1
15 400-48075 JOINT MOTOR ASM
ジョイントモータ組
1
16 400-44557 XY RELAY PCB ASM
XY リレー基板組
1
17 401-35753 SAFETY PCB ASM JX-300LED
セーフティ_基板_組_ JX −300 LED
1

- 113 -
57.SYSTEM DIAGRAM (OPERATION UNIT)
SYSTEM DIAGRAM(OPERATION UNIT)
HOD opti on
CN8
CN6
12-1A
CN2CN02
CN18
CN16CN16 LS0-16
XY RELAY PCB (5 /5)
LS0-16
CN25
LS4-6CN6
CN1
SW9
SW10
SW5
SW6
SW1
12-3B
9-1 C
I /O CONTRO L PCB(4 /4)
LS4-4CN4
CN1C N701
CN7
CN5
CN15CN715
CN3
CN11CN711
OPERA TION PCB(2 /2)
HO D BOX
OP E-E110
FG -TA P
FR ONT
SERVO F REE SW
CYCLE SW
CN70 3
COVER OPEN SW(R)
EMG S W_RR
R COVE R opti on
C OVE R O PEN SW( R)
CN8
EMG SW_ RR
CN6
CN7
SF SW00 7
S FSW
7 05/92 8
SFS W
005 /928
SAFE TY SW
COV ER OPEN SW (F)
CN1CN7 41
CN7
E MG SW_F R
C N705
STOP SW
START SW
ORIG IN SW
SW P CB
OPE RATION
CN5
CN7CN7
CN2 CN742
CN6
CN 747
CN 742
7
9
4
6
10
13
3
15
14
1211
5
3
3
2
1
8
17
18
16

- 114 -
REF.NO NOTE PART NO D E S C R I P T I O N
品 名
Qty
1 400-66604 SAFETY SWITCH RELAY CABLE ASM
安全スイッチ中継ケーブル組
1
2 400-02205 F-EMG SWITCH CABLE ASM
F エマージェンシーケーブル組
1
3 400-02254 COVER OPEN SWITCH CABLE ASM
カバーオープン SW
1
4 400-44846 XY RELAY PCB ASM OPE - CN16 CA
ケーブル
1
5 400-68898 R-SW RELAY CABLE ASM
リアスイッチ中継ケーブル組
1
6 400-45440 OPEPANE PWR CABLE ASM
オペパネパワーケーブル組
1
7 400-02197 RS232C CABLE ASM
RS 232 C ケーブル組
1
8 400-02203 OP S P CABLE ASM
OP S / P ケーブル組
1
9 400-02207 OP FG CABLE ASM
OPFG ケーブル組
1
10 E9649-729-000 HOD ASM.
HOD 組
1
11 400-68865 R-EMG SW CABLE ASM
リア非常停止スイッチケーブル組
1
12 400-68899 R-COP SW CABLE ASM
リア非常停止スイッチケーブル組
1
13 400-02204 R OP SWITCH CABLE ASM
R OP スイッチケーブル組
1
14 400-01956 OPERATION SW PWB ASM.
オペパネ SW 基板組
1
15 400-02206 R-EMG SWITCH CABLE ASM
R エマージェンシーケーブル組
1
16 400-01943 I/O CTRL PCB ASM.
I / O CTRL 基板組
1
17 400-44557 XY RELAY PCB ASM
XY リレー基板組
1
18 401-37708 OPERATION PCB ASM
オペレーション基板組
1