JX-300LED-Rev02.pdf - 第83页
- 78 - NOTE ( 注記 ) #0 1....MTS IS I NSTALLE D MTS 装着時 RE F.N O N OT E PA RT NO D E S C R I P T I O N 品 名 Qt y 1 P F- 0154 010- A0 AIR F I LT ER エアフィルター 1 2 P F- 9010 070- 00 FILTER ELEME NT フィルターエレメント (1 ) 3 B T- 1200 80…

- 77 -
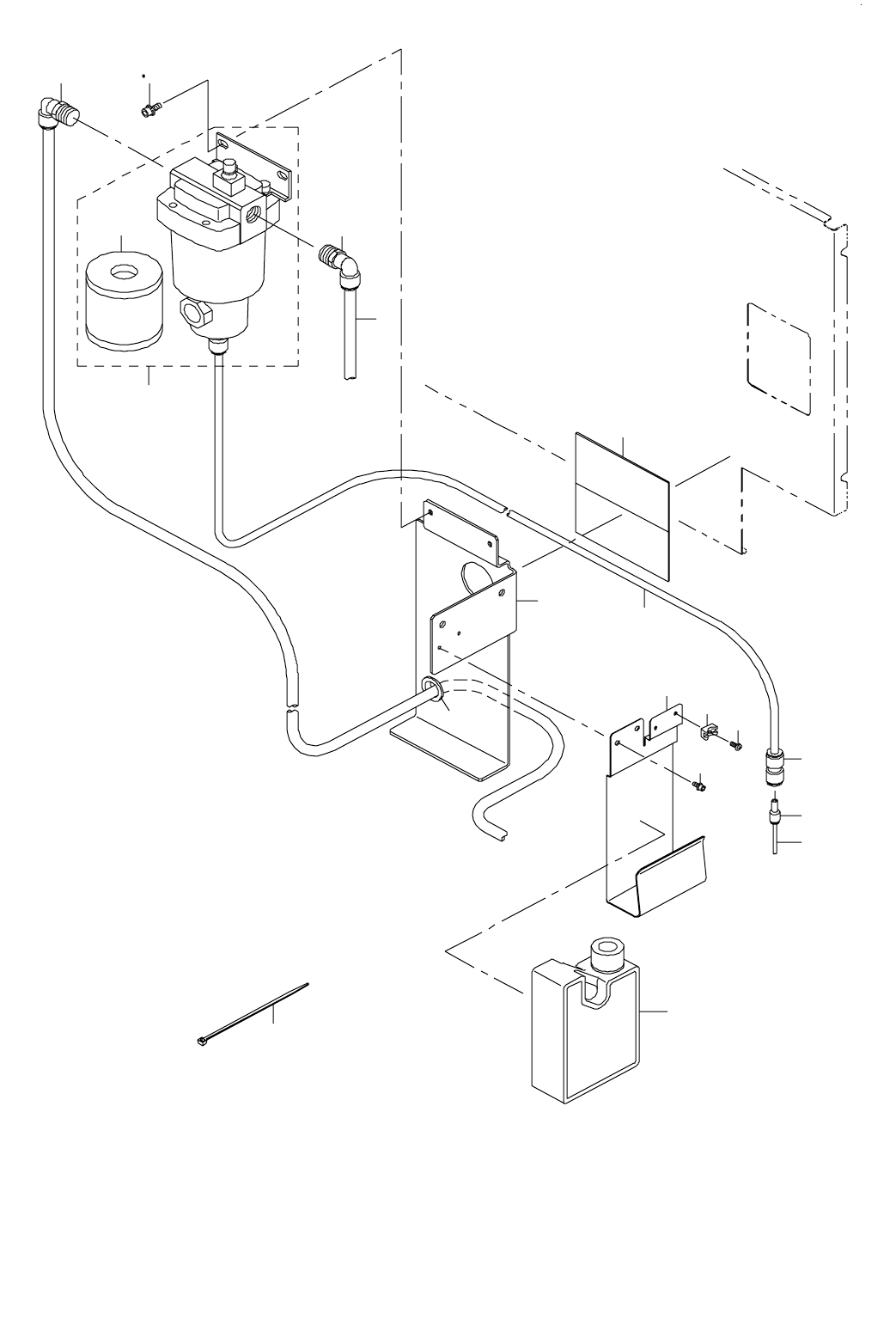
39.MAIN LINE FILTER COMPONENTS
メインラインフィルタ関係
15
14
16
17
7
8
13
11
9
6
18
5
12
19
3
2
1
4
10
19

- 78 -
NOTE( 注記 ) #01....MTS IS INSTALLED MTS 装着時
REF.NO NOTE PART NO D E S C R I P T I O N
品 名
Qty
1 PF-0154010-A0 AIR FILTER
エアフィルター
1
2 PF-9010070-00 FILTER ELEMENT
フィルターエレメント
(1)
3 BT-1200801-EF TUBE
チュ−ブ
2
4
#01
SL-6061692-TN BOLT
座金付き六角穴ボルト
2
5 400-16815 DRAIN TANK
ドレインタンク
1
6 BT-1000651-EB POLYURETHANE TUBE
ポリウレタン チュ−ブ
0.8
7 PJ-3031000-02 STRAIGHT
ストレート
1
8 PJ-3090400-03 REDUCER 4-10
レジューサ φ 4ー φ 10
1
9 BT-0400251-EA TUBE HOSE, BLUE
ウレタンホ−ス 青
0.16
10 SL-6082092-TN BOLT
座金付き六角穴ボルト
2
11 400-55291 FILTER BRACKET
フィルタブラケット
1
12
#01
HX-0005500-0J RUBBER BUSHING
ゴムブッシュ
1
13 E1387-700-000 HOD MAGNET
HOD マグネット
2
14 400-55290 DRAIN TANK STAY
ドレインタンクステイ
1
15
#01
SL-6040892-TN BOLT
座金付き六角穴ボルト
2
16 HX-0029400-00 FIXED BASE
固定ベース
1
17 SM-4040601-SC SCREW M4X0.7 L=6
なべ小ねじ M 4 X 0.7 L =6
1
18 EA-9500B01-00 CABLE BAND
束線バンド
1
19 PJ-3041254-01 ELBOW UNION D=12
エルボユニオン φ 12
2

- 79 -
40.VACCUM PUMP UNIT
真空ポンプユニット
23
24
29
28
31
32
21
34
30
36
37
38
40
35
41
42
44
45
45
33
25
20
39
43
8
18
19
15
14
17
16
13
11
10
5
6
7
2
1
3
12
4
9
27
22
26
26
46
47 48
49
50
51
52 53