JX-300LED-Rev02.pdf - 第95页
- 90 - RE F .NO NOTE PA RT NO D E S C R I P T I O N 品 名 Q ty 1 4 00- 02 055 B REA KER INPU T CAB LE ASM ブレーカー入力ケーブル組 1 2 HA -005 3200- 00 C I R CU IT P ROTE CTOR ブレーカ 1 3 4 00- 02 067 B REA KER OUT C ABLE A SM ブレーカー出力ケーブ…

- 89 -
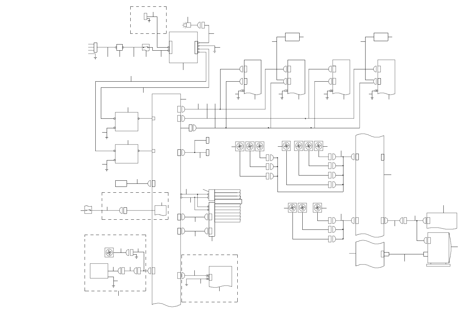
45.SYSTEM DIAGRAM (POWER UNIT)
SYSTEM DIAGRAM(POWER UNIT)
7-1 A
1-3 C
LS5-3
CN3
IN
V CS( OC S)
MON IT OR
F-LCD
PWR
DC12V
CN015
1 5-4 A
FRONT LC D
M ONITOR(1 /2)
CN0 15
FAN_L2
FAN _L1
FAN_YL
PWR30
CN 030
FAN_R1
FAN_R2
FAN_R3
FAN_YR
F AN_ CN 1
FA N_ C N2
AWC option
VACUUM PUMP OPTION
MT S o ptio n
CN 06 9
C& N KH2 0B T10 3/ 17
4-2A
6-4B(1/2)
FG
FG
IEEE 1394 BOARD
CN0 14
PWR29
CN1 3 C N13
VACUUM PUMP
C N080
CN 06 8
10-2C
CN00 5
AW C D RI VE R( 1/2 )
F6E
TB
R8E
MT S P WR (L )
CN 06
C N06 0
PW R
LAMP
2-3C
XR
X R SE RV O
AMP(1/4)
MR-J3-70B-RJ024
F2E
E
CN P2
C NP1
(1/4) 9- 2A
(1/4)
(1/4)
(1/2)
(1/3)
(1/2)
(1/3)
(1/5)
2- 2A
7-1A
7-1B
7-1B
1-4D
2-3A
1 4-2 A
2-3D2-3B
2-3C
14 -2 B
1- 2A
1-1 C
1-2D
1-4B
R5E
CPU
OUT MOTER
DRIVER
12-4C
CN0 31C N031 CN655 (R)
IN MOTER
DRIVER
12-4B
CN655 (L)
CPCI BACK
BOA RD
TB 2
TB1
BASE-FEEDER
XY RELAY
LIGHT CTRL
I/ O CT RL
SAFETY
IP -X 3R A
B US -BR ID GE
P OS ITI ON BO AR D
YR
YR SERVO
AM P( 1/ 4)
MR -J 3- 20 0B- RJ 02 4
F3E
E
CNP2
CNP 1
XL
XL SERVO
AMP(1/4)
MR-J3-70B-RJ024
F4E
E
CNP2
CNP 1
CN001
CN0 5
MAIN
SW(2/ 2)
TB 2
AC200V
INPUT
YL
FA N_ C N3
YL SERVO
AM P( 1/ 4)
MR -J 3- 200 B- RJ 00 24
POWER UNIT(1/6)
CN027
CN024
CN010
POWER UNIT(2/ 6)
CN 02 9
HOURMETER C N010
CN2
CN 1
REMORT SW
U PS (1/ 2)
CN27
CN24
F5E
E
CNP2
CN P1
C N09 9
C N002
TB1
CN096
R7E
TF 2( AC TRANS )
R6E
TF1 (DC TR ANS)
AC INPUT UNIT
TB1
MAIN
SW(1/ 2)
NFB1
30A
PE
FG
L3
L2
L1
F-LCD
MONI
PW R
IP -X3 R A PCB( 2/3 )
UPS o ptio n
1
2
3
4
5
6
9
8
10
11
12
13
14 16
15 17
18
20
19
22
33
35
37
36
32
34
21
23
24
25
26
3130
27
28
29
39
40
42
44
45
47
48
REG 1
MR- RB 12
38
46
49
44
55
47
46
56
REG 2
MR- RB 12
57
57
57
57
57
CONTROL UNIT TOP FAN
BASE FAN R
BASE FAN L YR MOTOR FAN
YR MOTOR FAN
51 52
41
7
53
43
50
58
54
21

- 90 -
REF.NO NOTE PART NO D E S C R I P T I O N
品 名
Qty
1 400-02055 BREAKER INPU T CABLE ASM
ブレーカー入力ケーブル組
1
2 HA-0053200-00 CIRCUIT PROTECTOR
ブレーカ
1
3 400-02067 BREAKER OUT CABLE ASM
ブレーカー出力ケーブル組
1
4 HA-0053800-00 SWITCH
メインスイッチ
1
5 400-02064 MAIN SW OUTPUT CABLE ASM
メインスイッチ出力ケーブル組
1
6 400-02062 MTC POWER WIRE L ASM MTC(L)電源ケーブル組 1
7 401-37822 F-LCD/VCS MONITOR PWR CABLE ASM
F − LCD / VCS モニタパワーケーブル組
1
8 E9221-729-0A0 PWR ON LIGHT ASM.
PWR ON ライト組
1
9 400-00481 AC INPUT UNIT
AC 入力ユニット
1
10 400-02061 POWER ON LAMP RELAY CABLE ASM
パワーオンランプ中継ケーブル組
1
11 400-02056 INPUT UNIT FG CABLE ASM
入力ユニット FG ケーブル組
1
12 400-02060 TF2 INPUT CABLE ASM
TF 2イ入力ケーブル組
1
13 400-02059 TF1 INPUT CABLE ASM
TF 1入力ケーブル組
1
14 400-40378 TRANSFORMER(PSU)
トランス DC
1
15 400-02057 TF1 FG CABLE ASM
TF 1 FG ケーブル組
1
16 400-40379 TRANSFORMER(SERVO)
トランス AC
1
17 400-02058 TF2 FG CABLE ASM
TF 2 FG ケーブル組
1
18 400-02115 HOURMETER ASM
アワーメータ組
1
19 HA-0053800-00 SWITCH
メインスイッチ
1
20 400-02101 UPS SW CABLE ASM
UPS SW ケーブル組
1
21 401-35748 POWER UNIT ST JX-300LED
電源_ユニット_ ST _ JX −300 LED
1
22 400-95745 UPS
UPS
1
23 400-45391 XY SV PWR CABLE ASM L
XY SV パワーケーブル組 L
1
24 400-45392 XY SV PWR CABLE ASM R
XY SV パワーケーブル組 R
1
25 400-45489 XY CTRL PWR CABLE ASM
XY コントロールパワーケーブル組
1
26 400-45448 I/O PMD PWR CABLE ASM
I / O PMD パワーケーブル組
1
27 400-02327 PS CTRL POWER CABLE ASM
PS CTRL パワーケーブル組
1
28 400-02330 CPCI CTRL POWER CABLE ASM
CPCI CTRL パワーケーブル組
1
29 400-03283 VME BACK PCB ASM
VME バック PCB 組
1
30 400-02328 BACKBOARD MONITOR CABLE ASM バックボードモニターケーブル組 1
31 400-02329 BACKBOARD SIGNALCABLE ASM
バックボードシグナルケーブル組
1
32 400-60925 VACUUM PUMP UNIT 70
バキュームポンプユニット70
1
33 400-54705 VAC FAN CABLE ASM
真空ポンプファンケーブル組
1
34 400-45490 VAC PUMP PWR RELAY CABLE ASM
真空ポンプパワー中継ケーブル組
1
35 400-99547 VACUUM_PUMP_ASM
真空ポンプ組
1
36 400-99553 VAC_PUMP_FG_CABLE_ASM
真空ポンプ FG ケーブル組
1
37 401-03162 VAC PUMP PWR CONVERSION CABLE ASM
真空ポンプパワー転換ケーブル組
1
38 400-54887 XL_MOTOR_RB_CABLE_ASM
XL 回生ケーブル組
1
39 400-45423 AWC DRV PWR CABLE ASM
AWC ドライブパワーケーブル組
1
40 400-45425 AWC DRV FG CABLE ASM
AWC ドライブ FG ケーブル組
1
41 E9623-721-000 PORTRAIT MONITOR CABLE
画像モニタケーブル
1
42 HX-0042000-00 5 PHASE STEP DRIVER
5相ステッピングモータドライバ
1
43 401-02599 8.4 LCD MONITOR(CE) 8.4 LCD モニタ(CE) 1
44 400-44539 SERVO AMP 2000W
Y 軸サーボアンプ2000 W
1
45 400-45388 YL DRV FG CABLE ASM
YL DRV FG ケーブル組
1
46 400-54885 REGENERATIVE RESISTOR
回生抵抗 RB −12
1
47 400-44538 SERVO AMP 750W
X 軸サーボアンプ750 W
1
48 400-45387 XL DRV FG CABLE ASM
XL DRV FG ケーブル組
1
49 400-45390 YR DRV FG CABLE ASM
YR DRV FG ケーブル組
1
50 L910E-021-000 CPCI BACKBOARD
CPCI バックボード5スロット
1
51 401-36128 YR FAN CABLE ASM
YR ファンケーブル組
1
52 401-36129 YL FAN CABLE ASM
YL ファンケーブル組
1
53 400-45442 F-LCD PWR CABLE ASM
F − LCD パワーケーブル組
1
54 401-22812 15INCH LCD MONITOR
15インチ LCD モニタ
1
55 400-45389 XR DRV FG CABLE ASM
XR DRV FG ケーブル組
1
56 400-54888 XR_MOTOR_RB_CABLE_ASM XR 回生ケーブル 1
57 401-33768 DC FAN
DC ファン
10
58 400-52359 IP-X3R ASM A
IP−X3R基板A組
1

- 91 -
46.SYSTEM DIAGRAM (XY MOTOR/SSC-NET)
SYSTEM DIAGRAM(XY MOTOR / SSC − NET)
CN 13 9
Y BEAR CABLES
XY BEAR CABLES
LS0-9
LS0-7
LS0-3
LS0-2
LS0-1
4-4B4-4A
3- 2C
3-2A
3-2B
1-4B
1-3B
1-4B
1-3B
2-4A
2-5A
2-4A
2-5A
CN13 LS0-13 YRCN2L CN2L
CN12 LS0-12 YLCN2L CN2L
CN11 LS0- 11 XRCN2L CN2L
CN10 LS0-10 XLCN2L CN2L
YR SERVO
AMP(2/4)
MR-J3-200B-RJ024
YL SERVO
AMP(2/4)
MR-J3-200B-RJ024
XR SERVO
AMP(2/4)
MR-J3-70B-RJ024
XL SERVO
AMP(2/4)
MR-J3-70B-RJ024
CN8
CN6
CN 14 2
MAGNETIC
SCALE
Y
SENSOR
UNIT
CN 13 4
LS0-8
CN 141
MAGNETIC
SCALE
Y
SENSOR
UNIT
CN 13 3
LS0-6
CN5
CN 17 6
MAGNETIC
SCALE
X
SENSOR
UNIT
CN 17 5
LS0-5
CN140
YR ORG SENSOR
LS0-9
CN 13 6
YL ORG SENSOR
LS0-7
+Y LI MI T( FEE DE R)
SEN SO R
CN 13 8
CN132
ZTACN1B
ZTACN1A
ID
0
CN 1B
CN 1A
ZTA SERVO
AMP (1/4)
MR- MD100
CN1B
CN1A
ID
1
ZTB SERV O
AMP(1/4)
MR-MD100
PCK202HPX-F07-7m
3-2B
2-3D
ID
3
YR SERVO
AMP(3/4)
MR-J3-200B-RJ024
CN1B
CN1A
2-3D
ID
2
CN 1B
CN 1A
YL
YL SERVO
AMP(3/4)
MR-J3-200B-RJ024
MR-J3BUS015M
CN 14 3
CN 13 7
CN130
CN 131
CN156 CN127
LS0-3
LS0-2
LS0-1
CN9
CN7
CN3
CN2
CN1
Y NEAR SENSOR
-Y LIMIT
SENSOR
-X LIMIT
SENSOR
+X LIMIT
SENSOR
X N EAR SENSOR
1-3C
2-3C2-3C
11- 4C
1-3C
2CH
XR
ID
1
XR SERVO
AMP(3/4)
MR-J3-70B-RJ024
CN 1B
CN 1A
CN1B
CN1A1C H
CN4-2 2CH
YRXL
ID
0
XL SERVO
AMP(3/4)
MR-J3-70B-RJ024
XY RELAY
PCB( 2/5)
LS0-4-1CN4-1 MCCN1CH 1CH
POSITION
BOARD(1/2)
MR-MC-121-S01
MR-J3BUS1M
MR-J3BUS015MMR-J3BUS015M
144
2
5
3 6 8 11
25 26
24
10
9
12
13
15 17 18 20 21
7
16 19 22 23
27 28 29
30 32 33
34 35
36 36
37 37
38
37
40
36
37
36
40
40
31
40
MR-J3BUS015M
31
ZTBCN1A
14
39