JX-300LED-Rev02.pdf - 第96页
- 91 - 4 6 .SY S TE M DI AG RA M (X Y MO TO R/ S SC - N ET ) SYSTEM DIAGRAM(XY MOTOR / SSC − NET) CN 13 9 Y BE AR C ABLE S XY B EAR CABL ES LS 0-9 LS 0-7 LS 0-3 LS 0-2 LS 0- 1 4- 4B 4-4A 3- 2C 3-2A 3-2B 1- 4B 1- 3B 1- 4B…

- 90 -
REF.NO NOTE PART NO D E S C R I P T I O N
品 名
Qty
1 400-02055 BREAKER INPU T CABLE ASM
ブレーカー入力ケーブル組
1
2 HA-0053200-00 CIRCUIT PROTECTOR
ブレーカ
1
3 400-02067 BREAKER OUT CABLE ASM
ブレーカー出力ケーブル組
1
4 HA-0053800-00 SWITCH
メインスイッチ
1
5 400-02064 MAIN SW OUTPUT CABLE ASM
メインスイッチ出力ケーブル組
1
6 400-02062 MTC POWER WIRE L ASM MTC(L)電源ケーブル組 1
7 401-37822 F-LCD/VCS MONITOR PWR CABLE ASM
F − LCD / VCS モニタパワーケーブル組
1
8 E9221-729-0A0 PWR ON LIGHT ASM.
PWR ON ライト組
1
9 400-00481 AC INPUT UNIT
AC 入力ユニット
1
10 400-02061 POWER ON LAMP RELAY CABLE ASM
パワーオンランプ中継ケーブル組
1
11 400-02056 INPUT UNIT FG CABLE ASM
入力ユニット FG ケーブル組
1
12 400-02060 TF2 INPUT CABLE ASM
TF 2イ入力ケーブル組
1
13 400-02059 TF1 INPUT CABLE ASM
TF 1入力ケーブル組
1
14 400-40378 TRANSFORMER(PSU)
トランス DC
1
15 400-02057 TF1 FG CABLE ASM
TF 1 FG ケーブル組
1
16 400-40379 TRANSFORMER(SERVO)
トランス AC
1
17 400-02058 TF2 FG CABLE ASM
TF 2 FG ケーブル組
1
18 400-02115 HOURMETER ASM
アワーメータ組
1
19 HA-0053800-00 SWITCH
メインスイッチ
1
20 400-02101 UPS SW CABLE ASM
UPS SW ケーブル組
1
21 401-35748 POWER UNIT ST JX-300LED
電源_ユニット_ ST _ JX −300 LED
1
22 400-95745 UPS
UPS
1
23 400-45391 XY SV PWR CABLE ASM L
XY SV パワーケーブル組 L
1
24 400-45392 XY SV PWR CABLE ASM R
XY SV パワーケーブル組 R
1
25 400-45489 XY CTRL PWR CABLE ASM
XY コントロールパワーケーブル組
1
26 400-45448 I/O PMD PWR CABLE ASM
I / O PMD パワーケーブル組
1
27 400-02327 PS CTRL POWER CABLE ASM
PS CTRL パワーケーブル組
1
28 400-02330 CPCI CTRL POWER CABLE ASM
CPCI CTRL パワーケーブル組
1
29 400-03283 VME BACK PCB ASM
VME バック PCB 組
1
30 400-02328 BACKBOARD MONITOR CABLE ASM バックボードモニターケーブル組 1
31 400-02329 BACKBOARD SIGNALCABLE ASM
バックボードシグナルケーブル組
1
32 400-60925 VACUUM PUMP UNIT 70
バキュームポンプユニット70
1
33 400-54705 VAC FAN CABLE ASM
真空ポンプファンケーブル組
1
34 400-45490 VAC PUMP PWR RELAY CABLE ASM
真空ポンプパワー中継ケーブル組
1
35 400-99547 VACUUM_PUMP_ASM
真空ポンプ組
1
36 400-99553 VAC_PUMP_FG_CABLE_ASM
真空ポンプ FG ケーブル組
1
37 401-03162 VAC PUMP PWR CONVERSION CABLE ASM
真空ポンプパワー転換ケーブル組
1
38 400-54887 XL_MOTOR_RB_CABLE_ASM
XL 回生ケーブル組
1
39 400-45423 AWC DRV PWR CABLE ASM
AWC ドライブパワーケーブル組
1
40 400-45425 AWC DRV FG CABLE ASM
AWC ドライブ FG ケーブル組
1
41 E9623-721-000 PORTRAIT MONITOR CABLE
画像モニタケーブル
1
42 HX-0042000-00 5 PHASE STEP DRIVER
5相ステッピングモータドライバ
1
43 401-02599 8.4 LCD MONITOR(CE) 8.4 LCD モニタ(CE) 1
44 400-44539 SERVO AMP 2000W
Y 軸サーボアンプ2000 W
1
45 400-45388 YL DRV FG CABLE ASM
YL DRV FG ケーブル組
1
46 400-54885 REGENERATIVE RESISTOR
回生抵抗 RB −12
1
47 400-44538 SERVO AMP 750W
X 軸サーボアンプ750 W
1
48 400-45387 XL DRV FG CABLE ASM
XL DRV FG ケーブル組
1
49 400-45390 YR DRV FG CABLE ASM
YR DRV FG ケーブル組
1
50 L910E-021-000 CPCI BACKBOARD
CPCI バックボード5スロット
1
51 401-36128 YR FAN CABLE ASM
YR ファンケーブル組
1
52 401-36129 YL FAN CABLE ASM
YL ファンケーブル組
1
53 400-45442 F-LCD PWR CABLE ASM
F − LCD パワーケーブル組
1
54 401-22812 15INCH LCD MONITOR
15インチ LCD モニタ
1
55 400-45389 XR DRV FG CABLE ASM
XR DRV FG ケーブル組
1
56 400-54888 XR_MOTOR_RB_CABLE_ASM XR 回生ケーブル 1
57 401-33768 DC FAN
DC ファン
10
58 400-52359 IP-X3R ASM A
IP−X3R基板A組
1

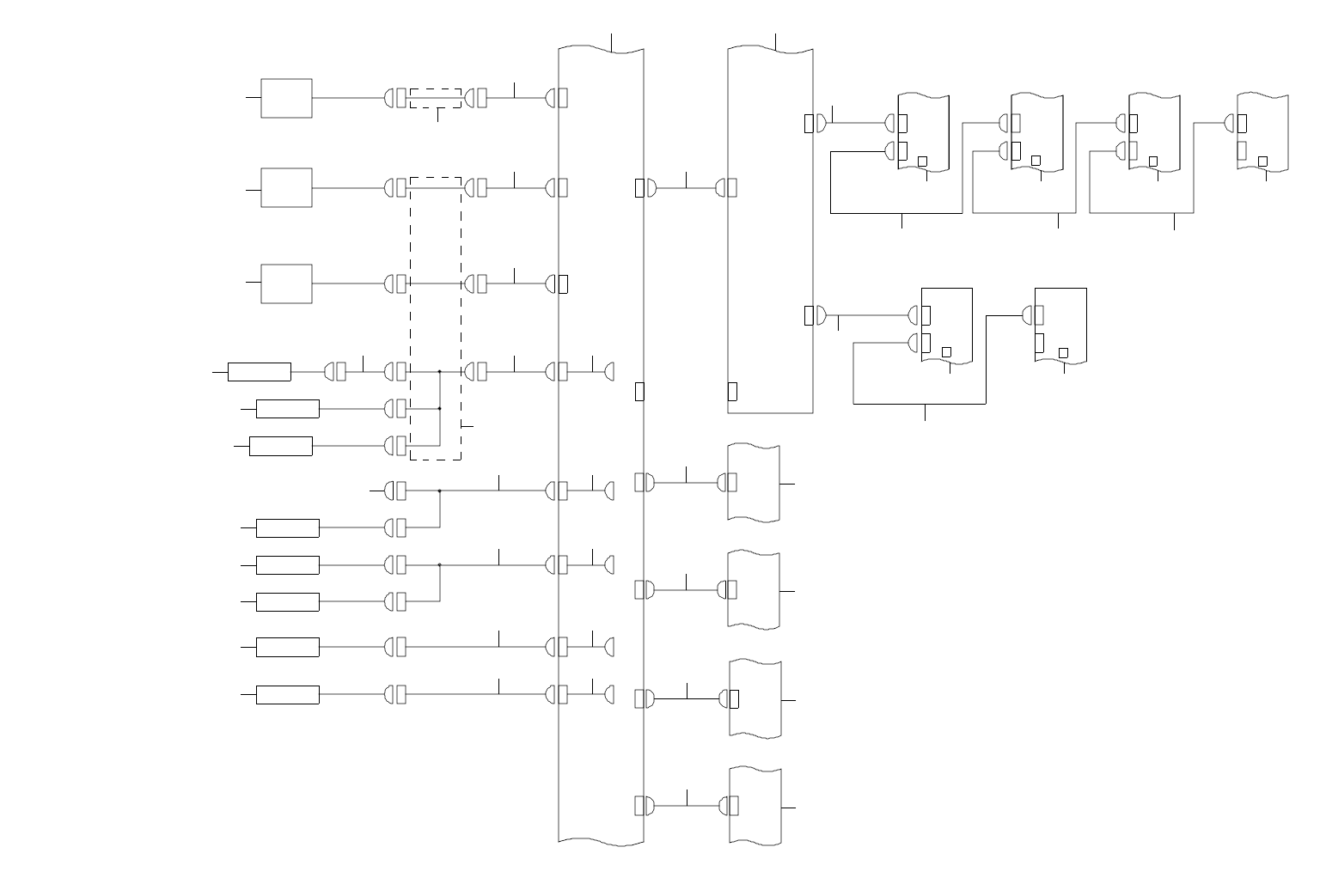
- 91 -
46.SYSTEM DIAGRAM (XY MOTOR/SSC-NET)
SYSTEM DIAGRAM(XY MOTOR / SSC − NET)
CN 13 9
Y BEAR CABLES
XY BEAR CABLES
LS0-9
LS0-7
LS0-3
LS0-2
LS0-1
4-4B4-4A
3- 2C
3-2A
3-2B
1-4B
1-3B
1-4B
1-3B
2-4A
2-5A
2-4A
2-5A
CN13 LS0-13 YRCN2L CN2L
CN12 LS0-12 YLCN2L CN2L
CN11 LS0- 11 XRCN2L CN2L
CN10 LS0-10 XLCN2L CN2L
YR SERVO
AMP(2/4)
MR-J3-200B-RJ024
YL SERVO
AMP(2/4)
MR-J3-200B-RJ024
XR SERVO
AMP(2/4)
MR-J3-70B-RJ024
XL SERVO
AMP(2/4)
MR-J3-70B-RJ024
CN8
CN6
CN 14 2
MAGNETIC
SCALE
Y
SENSOR
UNIT
CN 13 4
LS0-8
CN 141
MAGNETIC
SCALE
Y
SENSOR
UNIT
CN 13 3
LS0-6
CN5
CN 17 6
MAGNETIC
SCALE
X
SENSOR
UNIT
CN 17 5
LS0-5
CN140
YR ORG SENSOR
LS0-9
CN 13 6
YL ORG SENSOR
LS0-7
+Y LI MI T( FEE DE R)
SEN SO R
CN 13 8
CN132
ZTACN1B
ZTACN1A
ID
0
CN 1B
CN 1A
ZTA SERVO
AMP (1/4)
MR- MD100
CN1B
CN1A
ID
1
ZTB SERV O
AMP(1/4)
MR-MD100
PCK202HPX-F07-7m
3-2B
2-3D
ID
3
YR SERVO
AMP(3/4)
MR-J3-200B-RJ024
CN1B
CN1A
2-3D
ID
2
CN 1B
CN 1A
YL
YL SERVO
AMP(3/4)
MR-J3-200B-RJ024
MR-J3BUS015M
CN 14 3
CN 13 7
CN130
CN 131
CN156 CN127
LS0-3
LS0-2
LS0-1
CN9
CN7
CN3
CN2
CN1
Y NEAR SENSOR
-Y LIMIT
SENSOR
-X LIMIT
SENSOR
+X LIMIT
SENSOR
X N EAR SENSOR
1-3C
2-3C2-3C
11- 4C
1-3C
2CH
XR
ID
1
XR SERVO
AMP(3/4)
MR-J3-70B-RJ024
CN 1B
CN 1A
CN1B
CN1A1C H
CN4-2 2CH
YRXL
ID
0
XL SERVO
AMP(3/4)
MR-J3-70B-RJ024
XY RELAY
PCB( 2/5)
LS0-4-1CN4-1 MCCN1CH 1CH
POSITION
BOARD(1/2)
MR-MC-121-S01
MR-J3BUS1M
MR-J3BUS015MMR-J3BUS015M
144
2
5
3 6 8 11
25 26
24
10
9
12
13
15 17 18 20 21
7
16 19 22 23
27 28 29
30 32 33
34 35
36 36
37 37
38
37
40
36
37
36
40
40
31
40
MR-J3BUS015M
31
ZTBCN1A
14
39

- 92 -
REF.NO NOTE PART NO D E S C R I P T I O N
品 名
Qty
1 400-44531 MAGNETIC SCALE X SENSOR UNIT
マグネチックスケール X センサユニット
1
2 400-58385 XY BEAR CABLES ASM
XY ベアケーブル組
1
3 400-45405 X LINEAR SENSOR CABLE ASM
X リニアセンサーケーブル組
1
4 400-44532 MAGNETIC SCALE Y SENOR UNIT
マグネスケール Y センサユニット
1
5 400-58384 Y BEAR CABLES ASM
Y ベアケーブル組
1
6 400-45406 YL LINEAR SENSOR CABLE ASM
YL リニアセンサーケーブル組
1
7 400-02352 Y PLUS LMT SENSOR SHORT WIRE ASM
Y 軸プラスリミットセンサショート束線組
1
8 400-45407 YR LINEAR SENSOR CABLE ASM
YR リニアセンサーケーブル組
1
9 400-02227 X PLUS LMT SENSOR ASM
X 軸プラスリミットセンサ組
1
10 400-45409 X SENSOR RELAY CABLE ASM
X センサーチュウケイケーブル組
1
11 400-45408 X SENSOR CABLE ASM
X センサーケーブル組
1
12 400-02228 X MINUS LMT SENSOR ASM
X 軸マイナスリミットセンサ組
1
13 400-02229 X ORG RANGE SENSOR ASM
X 軸原点周囲センサ組
1
14 400-48070 OPTICAL FIBER CABLE 7M
光ファイバケーブル7 M
1
15 400-02069 YL+ LMT SENSOR(TRAY)ASM
Y 軸プラスリミットトレイセンサ組
1
16 400-45410 Y POS LMT SENSOR CABLE ASM
Y POS LMT センサーケーブル組
1
17 400-02068 Y MINUS LMT SENSOR ASM
Y 軸マイナスリミットセンサ組
1
18 400-45414 Y NEAR SENSOR ASM
Y ニアセンサ組
1
19 400-45411 Y NEG LMT SENSOR CABLE ASM
Y NEG LMT センサーケーブル組
1
20 400-02171 YL ORG SENS ASM
YL 原点センサ組
1
21 400-02172 YR ORG SENS ASM
YR 原点センサ組
1
22 400-45412 YL ORG SENSOR CABLE ASM
YL ORG センサーケーブル組
1
23 400-45413 YR ORG SENSOR CABLE ASM
YR ORG センサーケーブル組
1
24 400-44557 XY RELAY PCB ASM
XY リレー基板組
1
25 400-44848 XY RELAY CABLE4
XY リレーケーブル4
1
26 400-44849 XY RELAY CABLE5
XY リレーケーブル5
1
27 400-44851 XY RELAY CABLE7
XY リレーケーブル7
1
28 400-44850 XY RELAY CABLE6
XY リレーケーブル6
1
29 400-44852 XY RELAY CABLE8
XY リレーケーブル8
1
30 400-45393 DI 1CH CABLE ASM
DI 1 CH ケーブル組
1
31 400-44535 4AXIS SERVO AMP
4軸一体型サーボアンプ
1
32 400-45415 XL L-ENC CABLE ASM
XL L − ENC ケーブル組
1
33 400-45416 XR L-ENC CABLE ASM
XR L − ENC ケーブル組
1
34 400-45417 YL L-ENC CABLE ASM
YL L − ENC ケーブル組
1
35 400-45418 YR L-ENC CABLE ASM
YR L − ENC ケーブル組
1
36 400-44538 SERVO AMP 750W
X 軸サーボアンプ750 W
1
37 400-44539 SERVO AMP 2000W
Y 軸サーボアンプ2000 W
1
38 400-44540 16AXIS 2CH SERVO CONTROLLER
16軸 2 CH ポジションボード
1
39 401-18620 OPTICAL FIBER CABLE 1M
光ファイバケーブル1 M
1
40 400-44541 OPTICAL FIBER CABLE 0.15M
光ファイバケーブル0.15 M
1