CM602(EJM4A)20070511 - 第406页
在线预览 CM602(EJM4A)20070511 PDF 文档。

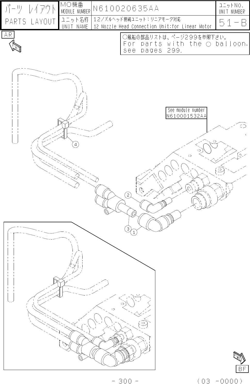
1 KXF0E1FPA00 PLUG KK4P-10L 1
2 KXF0CV1AA00 JOINT KK3P-06L 1
3 KXF09S4AA00 JOINT KQX08-10 1
4 KXF0DGAAA00 CABLE-SUPPORT HV-125 1
5
6
7
8
9
10
11
12
13
14
15
16
17
18
19
20
21
22
23
24
25
26
27
28
29
30
NO
番号
MO機番
ユニット名称
12ノズルヘッド接続ユニット:リニアモータ
UNIT NAME
PART NUMBER
品番 部品名 型式 数量 ランク 備考
12 Nozzle Head Connection Unit:for Line
PART LIST
MODULE NUMBER
パーツリスト
N610020635AA
51-A
UNIT NUMBER
ユニットNo.
PART NAME TYPE Q'TY RANK REMARKS
− −299 02 0000−
(
)


1
2
3
4
5
6
7
8
9
10
11
12
13
14
15
16
17
18
19
20
21
22
23
24
25
26
27
28
29
30
NO
番号
MO機番
ユニット名称
12ノズルヘッド接続ユニット:リニアモータ
UNIT NAME
PART NUMBER
品番 部品名 型式 数量 ランク 備考
12 Nozzle Head Connection Unit:for Line
PART LIST
MODULE NUMBER
パーツリスト
N610020635AA
51-B
UNIT NUMBER
ユニットNo.
PART NAME TYPE Q'TY RANK REMARKS
− −301 04 0000−
(
)