00191474-02 - 第11页
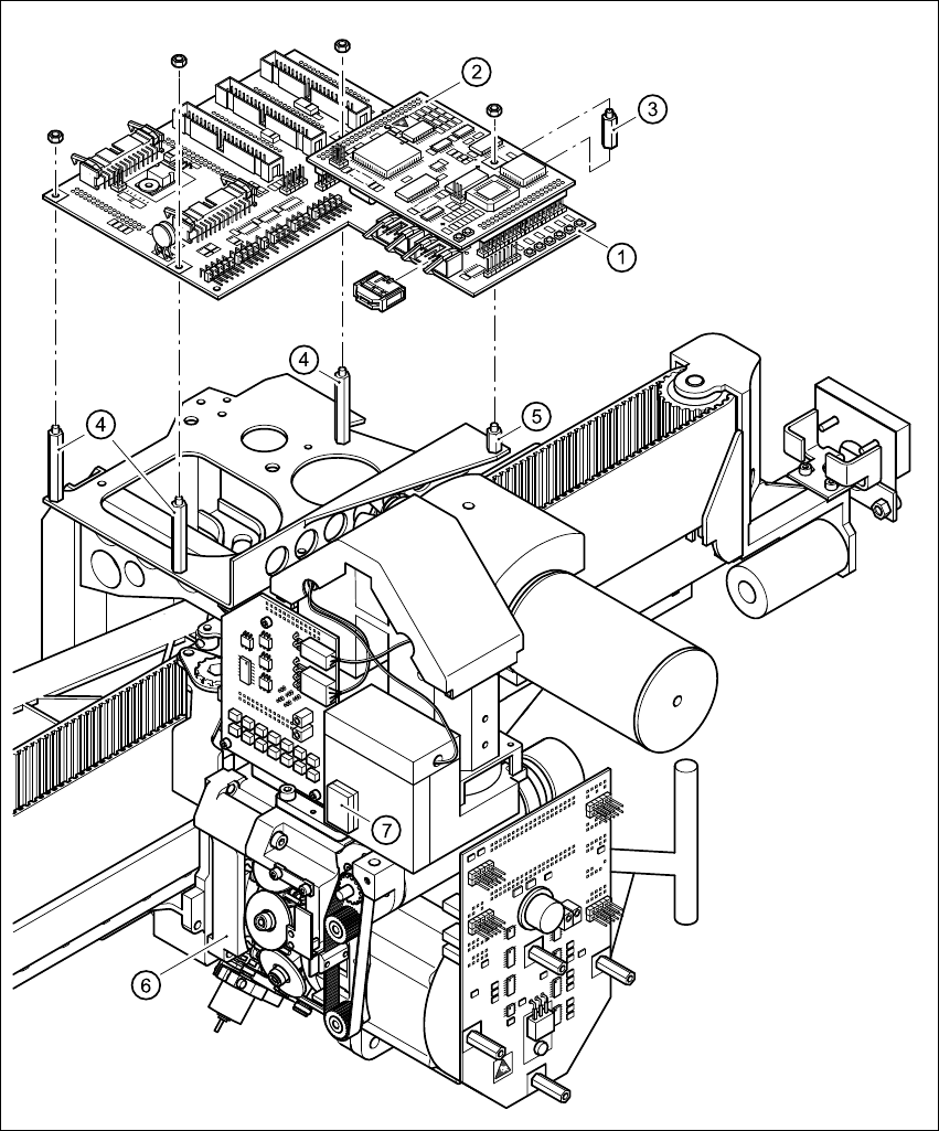
Nachrüstanleitung HS-50 Kabelhalterblech an der Kopfplatine Ausgabe 11/99 11 5 Abb. 5 - 1 Kopfplatine und Befesti gungsteile demontieren 5 5 5

Kabelhalterblech an der Kopfplatine Nachrüstanleitung HS-50
Ausgabe 11/99
10
–Position IV
Zylinderschraube M3x5, DIN912, Pos. 7
Abstandsbolzen M3x14 (Innengewinde, Aussengewinde), Pos. 11
Abstandsbolzen M3x15 (Innengewinde, Innengewinde), Pos. 12
Scheibe M3, DIN9021, Pos.13
Abstandsbolzen M3x5 (Aussengewinde/Aussengewinde), Pos. 15
Scheibe M3, DIN433, Pos. 4
Mutter M3, DIN934, Pos. 5
5 Kopfplatine und alte Befestigungsteile demontieren
Å Lösen Sie alle Kabelverbindungen von der Kopfplatine.
Å Lösen Sie die Muttern (siehe Abb. 5 - 1).
Å Ziehen Sie die Kopfprozessorplatine (Pos. 2 in Abb. 5 - 1) vorsichtig von den Steckern ab.
VORSICHT 5
Achten Sie darauf, beim Abziehen die Kopfprozessorplatine nicht zu verkanten. Es könnten
dabei Steckerstifte verbogen werden. 5
Å Lösen Sie den Abstandsbolzen M3x15 (Pos. 3 in Abb. 5 - 1).
Å Heben Sie die Kopfplatine (Pos. 2 in Abb. 5 - 1) vorsichtig von Abstandsbolzen ab.
Å Lösen Sie die Abstandsbolzen M3x35 (Pos. 4 in Abb. 5 - 1).
Å Lösen Sie den Abstandsbolzen M3x10 (Pos. 5 in Abb. 5 - 1).
Legende zu Abb. 5 - 1
(1) Kopfplatine C50, Art.-Nr. 00331451-02
(2) Kopfplatine C51, Prozessor, Art.-Nr. 00331452-02
(3) Abstandsbolzen M3x15
(4) Abstandsbolzen M3x35, 3 Stück
(5) Abstandsbolzen M3x10
(6) DLM1-Revolverkopf
(7) Klettverschluss für Flachbandkabel der Stelleinheit (z-Achse oben)

Nachrüstanleitung HS-50 Kabelhalterblech an der Kopfplatine
Ausgabe 11/99
11
5
Abb. 5 - 1 Kopfplatine und Befestigungsteile demontieren
5
5
5

Kabelhalterblech an der Kopfplatine Nachrüstanleitung HS-50
Ausgabe 11/99
12
6 Klettverschlüsse und Rundkabelhalter am BE-
Visionmodul anbringen
Å Reinigen Sie die mit Pos. 7 in Abb. 5 - 1 und Pos. 1 - 4 in Abb. 6 - 1 gekennzeichneten Klebe-
flächen am Revolverkopf. Verwenden Sie dazu ein sauberes, flusenfreies Tuch, das mit Äthyl-
alkohol angefeuchtet ist.
HINWEIS: 6
Die Klebefläche muß öl- und fettfrei sein! 6
Å Ziehen Sie von den Klettverschlüssen die Schutzfolie von der Klebefläche ab.
Å Befestigen Sie die Klettverschlüsse mit einem leichten Druck an den bezeichneten Stellen am
Revolverkopf (Pos. 7 in Abb. 5 - 1 und Pos. 1 - 3 in Abb. 6 - 1).
Å Ziehen Sie die Schutzfolie an der dem Flachbandkabel zugewandten Seite vom Klettver-
schluss ab.
VORSICHT 6
Drücken Sie das Flachbandkabel nur leicht mit dem Zeigefinger gegen die Klebeflächen. An-
derenfalls riskieren Sie Kabelbrüche und damit Fehlfunktionen des Revolverkopfes. 6
Å Ziehen Sie die Schutzfolie von der Klebefläche des Rundkabelhalters ab und befestigen Sie
diesen mit einem leichten Druck an Pos. 4 der Abb. 6 - 1.
Å Rasten Sie den Vakuumschlauch an der Schelle des Rundkabelhalters ein.