00191474-02 - 第25页
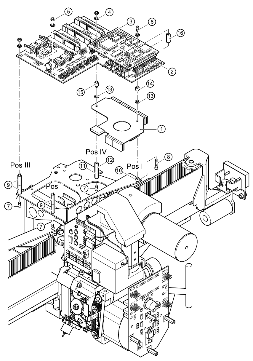
Retrofit instructions HS -50 Cable mounting plate on the head board 1 1/99 edition 25 7 Fig. 7 - 1 Fitting the fixing part s and cable mounting plate
Cable mounting plate on the head board Retrofit instructions HS -50
11/99 edition
24
7 Fitting the new fixing parts, cable mounting plate
and head board
Fit the following fixing parts in the order described below (see Fig. 7 - 1): 7
– At pos. I:
M3x5 fillister head screw, item 7
2x M3x18 spacer bolts (internal thread/external thread), item 9
– At pos. III:
M3x5 fillister head screw, item 7
2x M3x18 spacer bolts (internal thread/external thread), item 9
– At pos. IV:
M3x5 fillister head screw, item 7
M3x15 spacer bolt, (internal thread/internal thread), item 11
M3x14 spacer bolt (internal thread/external thread), item 12
– At pos. II:
M3x20 fillister head screw, item 8
Spacer sleeve, Ø 3.2x6x4, item 10
Cable mounting plate, item 1
M3 washer, item 13
M3x5 spacer bolt, (internal thread/internal thread), item 14
Å Tighten the spacer bolts.
– At pos. IV:
M3 washer, item 13
M3x5 spacer bolt, (external thread/external thread), item 15
Å Tighten the spacer bolts.
Å Place the holes in the head board (item 2) over the threaded pins of the spacer bolts.
Å Check that the head board is lying flat on all the spacer bolts.
– At pos. II:
Å Screw the M3x15 spacer bolt (internal thread/internal thread), item 16 onto the threaded
pin.
Å Tighten the bolt. Make sure that you do not damage the head board.

Retrofit instructions HS -50 Cable mounting plate on the head board
11/99 edition
25
7
Fig. 7 - 1 Fitting the fixing parts and cable mounting plate

Cable mounting plate on the head board Retrofit instructions HS -50
11/99 edition
26
ATTENTION 7
Before attaching the head processor board, check that 7
- none of the pins on the head board (item 2 in Fig. 7 - 1) are bent
- the plugs of the head processor board are seated correctly on the rows of pins on the head
board. 7
Å Carefully press the head processor board against the head board until the plugs of the head
processor board come to rest against the head board.
Å Use the M3 washers (item 4) and M3 nuts (item 5) to fix the head processor board at positions
I/III and IV.
Å Use the M3 washer (item 4) and M3x5 fillister head screw (item 6) to fix the head processor
board at position II.
Å Secure all the screws and nuts with Loctite 243.
Å Attach all the cables once more.
Å Remove the protective paper from the adhesive tapes (items 2, 3, 5 and 6 in Fig. 1 - 1) and
carefully press the ribbon cable against the adhesive tapes.
CAUTION 7
Use your index finger and press the ribbon cable only lightly against the adhesive surfaces.
Otherwise you may break the cable, which would cause faults in the revolver head. 7
Å Snap the black dp motor cable onto the round cable holder (item 4 in Fig. 1 - 1).
8 Function test
Å Remove all tools and other parts from the placement system.
Å Close the protective covers.
Å Start the placement system and watch the reference run.