SP18 机械Parts List - 第37页
Ref No. Remark s R 1 Q'ty 2-B 全 体 カバー W hole Cover イラスト No. Part No. 品 名 品番 数量 R 2 パーツリスト Kit N o . キット品 番 Kit Name キット名称 N610029319AA Part Name 備 考 セクションNo. PARTS LIST Section No. R 3 NUT 6 19 KXF0 ATHAA00 SFB-00 1…

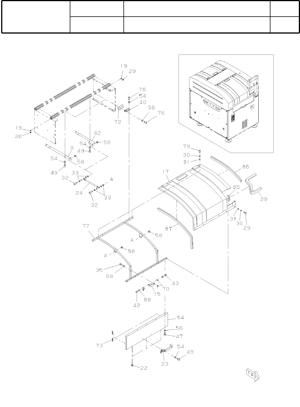
2-B
全
体
カバー
Whole Cover
パーツレイアウト
Ki
t
N
o
.
キット
品番
Kit Name
キット名称
N610029319AA
セクションNo.
PARTS LAYOUT
Section No.
M19

Ref
No.
Remarks
R
1
Q'ty
2-B
全
体
カバー
Whole Cover
イラスト
No.
Part No.
品 名品番 数量
R
2
パーツリスト
Kit N
o
.
キット品
番
Kit Name
キット名称
N610029319AA
Part Name
備 考
セクションNo.
PARTS LIST
Section No.
R
3
NUT
6
19 KXF0ATHAA00 SFB-001
CAP
6
20 KXF0ATFAA00 SFA-906
SCREW
6
21 N510018302AA
Cross recessed Truss head machine screw M5X8-4.8 A2J (Trivalent)
CAP
20
36 N510024547AA CP-328-B-5-G hole process
BOLT
20
37 N510017629AA
Hexagon socket Flat head bolt M5X10-10.9 A2J (Trivalent)
FRAME
2
38 N510019898AA SFF-304 L=1088
BOLT
8
49 N510017390AA
Hexagon socket head cap screw M5X12-10.9 A2J (Trivalent)
WASHER
8
56 N510020100AA Thick washer for M5
COVER
1
63 N610032692AA
COVER
1
65 N610032694AB
COVER
1
67 N610032696AB
M20

2-C
全
体
カバー
Whole Cover
パーツレイアウト
Ki
t
N
o
.
キット
品番
Kit Name
キット名称
N610029319AA
セクションNo.
PARTS LAYOUT
Section No.
M21