SP18 机械Parts List - 第56页
㪋㪄㪞 ၮ ᧼ ⟎ 䉄䊥䊐䊃㩷㩿㪣㪀 Bo ar d P os itio ni ng Li f t(L ) 䊌䊷䉿䊧䉟䉝䉡䊃 Kit N o . 䉨䉾䊃ຠ ⇟ Kit N am e 䉨䉾䊃ฬ⒓ N6 10 012 84 5AA 䍜䍖䍚䍌䍻㪥㫆㪅 PARTS LAYOUT Section No. M39 -0##

Ref
No.
Remarks
R
1
Q'ty
㪋㪄㪝
ၮ
᧼
⟎
䉄䊥䊐䊃㩷㩿㪣㪀
Board Positioning Lift(L)
䍐䍵䍛䍢
㪥㫆㪅
Part No.
ຠ䇭䇭ฬຠ⇟ ᢙ㊂
R
2
䊌䊷䉿䊥䉴䊃
Kit N
o
.
䉨䉾䊃ຠ
⇟
Kit Name
䉨䉾䊃ฬ⒓
N610012845AA
Part Name
䇭䇭䇭⠨
䍜䍖䍚䍌䍻㪥㫆㪅
PARTS LIST
Section No.
R
3
PLATE
3
1 N210025891AB
PLATE
1
2 N210025892AB
BRACKET
1
24 N210025914AE
PLATE
2
25 N210025915AA
PLATE
2
26 N210025916AA
BRACKET
1
28 N210043153AE
PLATE
1
36 N210025921AA
BRACKET
1
46 N210068809AA
BRACKET
2
49 N210026248AB
BALL-SCREW
2
61 N510035664AA XSTR01204C1DFC7-583-P0(NA120502)
BEARING
4
62 KXF03G0AA00 SFB38-10
WASHER
2
63 N510020766AA KK16
PULLEY
2
64 N510024786AA R101-0320C2-821305-F-PK
PULLEY
1
65 N510032579AA R101-KXF0DWXYA00S-F-PK
SPACER
3
66 N510020925AA ASF-436E
MOTOR
1
67 KXF0DZDRA00
S
103H7832-0312(DDA)
T-BELT
1
68 KXF0DYZWA00 564XL037U
BEARING
2
69 KXF020LAA00 F608ZZ
WASHER
1
70 N510020767AA 87SSWA13-2.0
SCREW
6
72 N510018381AA
Hexagon socket set screw Cup point M5X5-45H A2J (Trivalent)
CONTROLLER
1
82 N310E39E10 E39-E10
BOLT
2
83 N510017254AA
Hexagon socket head cap screw M2X12-10.9 A2J (Trivalent)
WASHER
2
84 N510018324AA Spring lock washer No.2 2 S A2J (Trivalent)
WASHER
2
85 N510018477AA
Small round-plain washer 2 10H A2J (Trivalent)
PIN
2
86 KXF051WAA00 SPP2-10
BOLT
2
135 N510017308AA
Hexagon socket head cap screw M3X12-10.9 A2J (Trivalent)
BOLT
8
138 N510017381AA
Hexagon socket head cap screw M4X8-10.9 A2J (Trivalent)
BOLT
6
139 N510017344AA
Hexagon socket head cap screw M4X10-10.9 A2J (Trivalent)
BOLT
14
140 N510017346AA
Hexagon socket head cap screw M4X12-10.9 A2J (Trivalent)
BOLT
8
141 N510017351AA
Hexagon socket head cap screw M4X16-10.9 A2J (Trivalent)
BOLT
6
145 N510017390AA
Hexagon socket head cap screw M5X12-10.9 A2J (Trivalent)
BOLT
8
146 N510017395AA
Hexagon socket head cap screw M5X16-10.9 A2J (Trivalent)
BOLT
8
148 N510017399AA
Hexagon socket head cap screw M5X25-10.9 A2J (Trivalent)
BOLT
1
153 N510017475AA
Hexagon socket head cap screw M8X30-10.9 A2J (Trivalent)
WASHER
3
155 N510018497AA
Round finish plain washer 4 10H A2J (Trivalent)
WASHER
10
156 N510018499AA
Round finish plain washer 5 10H A2J (Trivalent)
WASHER
2
158 N510018478AA
Small round-plain washer 3 10H A2J (Trivalent)
WASHER
11
159 N510018479AA
Small round-plain washer 4 10H A2J (Trivalent)
WASHER
6
161 N510020099AA Thick washer for M4
WASHER
8
162 N510020100AA Thick washer for M5
WASHER
1
164 N510020102AA Thick washer for M8
WASHER
2
166 N510018327AA Spring lock washer No.2 3 S A2J (Trivalent)
NUT
1
171 N510017877AA
Hexagon nut Type-1 Best class M8-6H-4T A2J (Trivalent)
Sensor
1
176 N610026828AA Sensor:-B1B10
GREASE-NIPPLE
2
187 N510021518AA NGA-610S
Sensor
1
188 N610026829AA Sensor:-B1031
NUT
1
193 N510017849AA
Hexagon nut Type-1 Best class M3-6H-4T A2J (Trivalent)
BOLT
1
194 N510017324AA
Hexagon socket head cap screw M3X30-10.9 A2J (Trivalent) Full thread
M38
-0##

㪋㪄㪞
ၮ
᧼
⟎
䉄䊥䊐䊃㩷㩿㪣㪀
Board Positioning Lift(L)
䊌䊷䉿䊧䉟䉝䉡䊃
Kit N
o
.
䉨䉾䊃ຠ
⇟
Kit Name
䉨䉾䊃ฬ⒓
N610012845AA
䍜䍖䍚䍌䍻㪥㫆㪅
PARTS LAYOUT
Section No.
M39
-0##

Ref
No.
Remarks
R
1
Q'ty
㪋㪄㪞
ၮ
᧼
⟎
䉄䊥䊐䊃㩷㩿㪣㪀
Board Positioning Lift(L)
䍐䍵䍛䍢
㪥㫆㪅
Part No.
ຠ䇭䇭ฬຠ⇟ ᢙ㊂
R
2
䊌䊷䉿䊥䉴䊃
Kit N
o
.
䉨䉾䊃ຠ
⇟
Kit Name
䉨䉾䊃ฬ⒓
N610012845AA
Part Name
䇭䇭䇭⠨
䍜䍖䍚䍌䍻㪥㫆㪅
PARTS LIST
Section No.
R
3
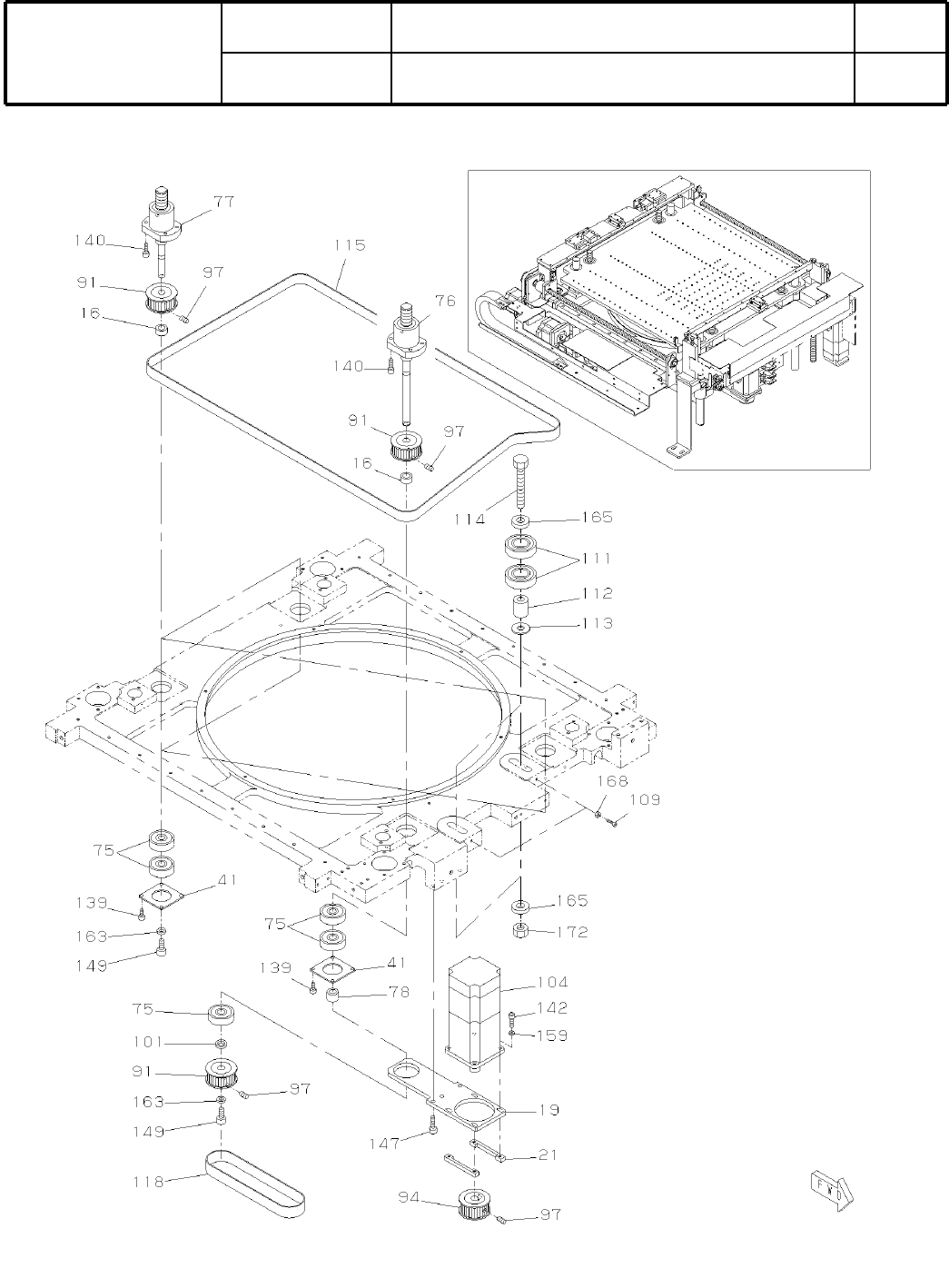
COLLAR
4
16 N210026041AA
PLATE
1
19 N210025907AA
NUT
2
21 KXFB00D8A00
PLATE
4
41 N210026242AA
BEARING
9
75 KXF00LCAA00 6300ZZ
BALL-SCREW
1
76 N510016314AB RBSK1605-87R198.5-Cp5ZZCL
BALL-SCREW
3
77 N510016313AB RBSK1605-87R145-Cp5ZZCL
COLLAR
1
78 N510020768AA 87NCLBH10-16-12.0
PULLEY
5
91 N510022795AA P25-5GT-15-6F(K0602-013)
PULLEY
1
94 N510022798AA P25-5GT-15-33F(K0602-016)
SCREW
12
97 N510018387AA
Hexagon socket set screw Cup point M6X8-45H A2J (Trivalent)
WASHER
1
101 N510020772AA 87FWSSB-D16.0-V10.0-T3.0
MOTOR
1
104 MSMD022PJT
S
MSMD022PJT
BOLT
2
109 N510017733AA
Hexagon head bolt Best class M4X35-6g 4T A2J (Trivalent)
BEARING
4
111 KXF0E23YA00 6004ZZ
COLLAR
2
112 N510020773AA 87NCLBH10-20-24.0
WASHER
2
113 N510020774AA 87FWSSB-D25-V10.0-T2.0
BOLT
2
114 N510017684AA
Hexagon head bolt Best class M10X70-6g 4T A2J (Trivalent)
T-BELT
1
115 KXF0E0RYA00 1630-5GT-15(DDA)
T-BELT
1
118 KXF0E08HA00 390-5GT-15(DDA)
BOLT
16
139 N510017344AA
Hexagon socket head cap screw M4X10-10.9 A2J (Trivalent)
BOLT
16
140 N510017346AA
Hexagon socket head cap screw M4X12-10.9 A2J (Trivalent)
BOLT
4
142 N510017354AA
Hexagon socket head cap screw M4X20-10.9 A2J (Trivalent)
BOLT
3
147 N510017398AA
Hexagon socket head cap screw M5X20-10.9 A2J (Trivalent)
BOLT
4
149 N510017428AA
Hexagon socket head cap screw M6X12-10.9 A2J (Trivalent)
WASHER
4
159 N510018479AA
Small round-plain washer 4 10H A2J (Trivalent)
WASHER
4
163 N510020101AA Thick washer for M6
WASHER
4
165 N510020103AA Thick washer for M10
NUT
2
168 N510017855AA
Hexagon nut Type-1 Best class M4-6H-4T A2J (Trivalent)
NUT
2
172 N510017887AA
Hexagon nut Type-1 Best class M10-6H-4T A2J (Trivalent)
M40
-0##