Maintenance Manual - 第69页
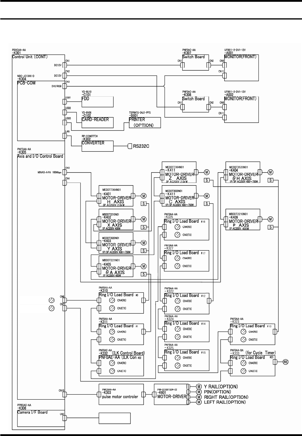
RL131 MAINTENANCE MANUAL 4. CONTRO L SYSTEM DA8MEC-14-000- A0 4-2 DA8MEC-14-000-A0 4. CONTROL SYSTEM This chapter ill ustrates the control s ystem.

RL131
MAINTENANCE MANUAL
4. CONTROL SYSTEM
DA8MEC-14-000-A0
4-1
4. CONTROL SYSTEM

RL131
MAINTENANCE MANUAL
4. CONTROL SYSTEM
DA8MEC-14-000-A0
4-2
DA8MEC-14-000-A0
4. CONTROL SYSTEM
This chapter illustrates the control system.

RL131
MAINTENANCE MANUAL
4.1 Control System Configuration
DA8MEC-14-020-A0
4.1-1
4.1. Control System Configuration
DA8MEC-14-020-A0
4.1.1 Block Diagram
Hole recognition
camera
Transmission for
ring I/O
Transmission for
ring I/O