NXTIIIC电路图 - 第11页
2 01 2 02 2 03 2 04 2 05 2 06 2 07 2 08 2 09 2 10 2 11 2 12 2 13 2 14 2 15 2 16 2 17 2 18 2 19 2 20 2 21 2 22 2 23 2 24 2 25 2 26 2 27 2 28 2 29 2 30 2 31 2 32 2 33 2 34 2 35 2 36 2 37 2 38 2 39 2 40 2 41 2 42 2 43 2 44 …

1 01
1 02
1 03
1 04
1 05
1 06
1 07
1 08
1 09
1 10
1 11
1 12
1 13
1 14
1 15
1 16
1 17
1 18
1 19
1 20
1 21
1 22
1 23
1 24
1 25
1 26
1 27
1 28
1 29
1 30
1 31
1 32
1 33
1 34
1 35
1 36
1 37
1 38
1 39
1 40
1 41
1 42
1 43
1 44
1 45
NAME PAGE
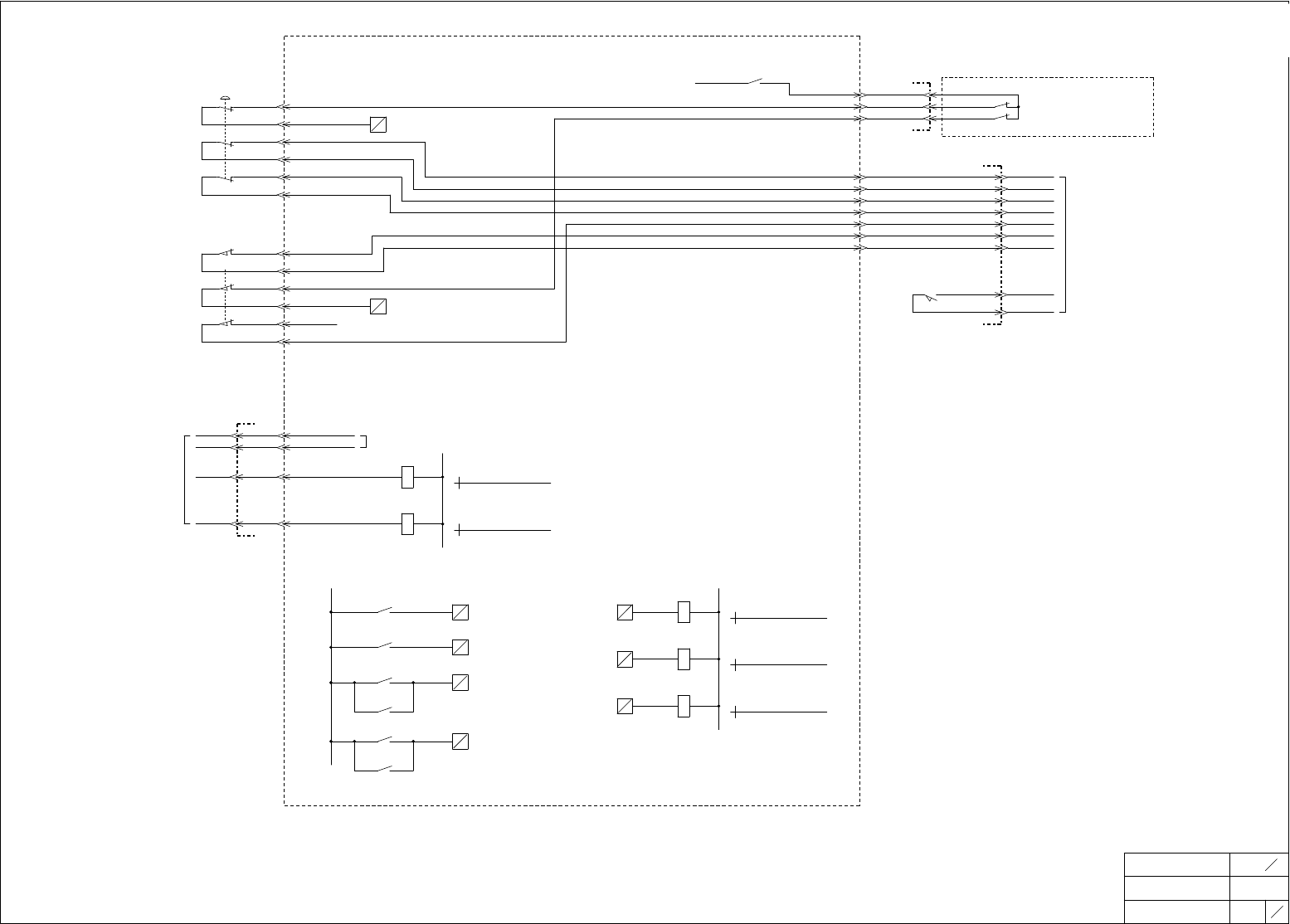
安全回路図
SAFETY CIRCUIT DIAGRAM
2
1
TITLE TYPE
モジュール安全回路
MODULE SAFETY CIRCUIT
NXTⅢc
DRAWING No.
FUJI SECRET
2RGZBB007400
I
O
M2LS1E
M2CR11E
5 6
226
セーフティーリレーOK
I
O
M2CR13X
7 8
115
XS軸インターロック
I
O
DP9
M2CR12X
7 8
114
ペアモジュール非常停止要因
I
O
DP10
M2CR12E
8 7
228
セーフティーリレーOK(ディレー)
I
O
I
O
M2CR4X
1 10
運転準備OK
a
b
204
I
O
M2CR5X
1 10
マスターON
a
b
202
M2CR3X
8 7
140
パレット電源入り
I
O
ADDRESS
214
M2CR3X
1 10
パレット電源入り
a
b
125
I
O
Y000
M2CR12X
1 10
ペアモジュール非常停止要因
a
b
121 211
M2CR13X
1 10
XS軸インターロック
a
b
120 207
M2LS4
非常停止ボタン
EMERGENCY STOP BUTTON
CN3
K3107
-9
X009
-10
E1
-13
E2
-14
M256
-11
E7
-12
CN6
-11
M256
-1
E1
-2
E2
-12
E7
CN2
+24VM4C
-A1
ベース I/F
M1001
-A2
BASE I/F
M181
-B1
M182
-B2
-14
CN17
K3107
-13
+24VA1A
M/C CN2
パレット非常停止要因
+24VA1A
-9
PALETTE EMERGENCY STOP FACTOR
-3
K3107
INTERFACE BOARD
インターフェース基板
フロントカバー開閉確認
FRONT COVER CHECK
CN3
M226
-1
M225
-2
+24VM4A
-7
E9
-8
E9 M191
-21 -C1
+24VA1
X000
X004
M3:OFF M6:ON
X008
X001
GA
運転準備OK
MASTER ON
Y001
EB2-24NU-L
マスターON
MASTER ON
Y002
EB2-24NU-L
+24VA1
K3108
-4
X003
-3
K3108
-5-15
K3108
非常停止SW正常
EMERGENCY SWITCH OK
フロントカバー開閉確認
FRONT COVER CLOSED CHECK
パレット電源入り
PALLET POWER ON
EB2-24NU-L
Y000
-23
-24
M225
M226
-C3
-C4
M1002
M1001
M2PB1E
セーフティーリレー正常
SAFETY RELAY OK
セーフティーリレー正常(ディレー)
SAFETY RELAY OK(DELAY)
XS軸インターロックOK
XS AXIS INTERLOCK OK
ペアモジュール非常停止要因
PAIR MODULE EMERGENCY STOP FACTOR
CN2
-D8
-D9
M1015
ベース I/F
BASE I/F
-37
CN6
M228
-38
M221M1016
M271
ペアモジュール非常停止要因
PAIR MODULE EMERGENCY STOP FACTOR
M272
XS軸インターロック
XS AXIS INTERLOCK
GM
-22
-33
-C2
F33
-E3
P6
-D1
-D2
+24VM1
M1101
+24VM1
M1101
モジュール電源接続扉
MODULE POWER CONNECTION DOOR
DEVICE BASE
デバイスベース
PALLET POWER ON
パレット電源入り
(未使用)
(UNUSED)
ON
OFF
Zt2h816k
Zt2h816k
Downloaded at 2017/12/05 11:12:329 by 397B3171 DL#IK62Kg0n

2 01
2 02
2 03
2 04
2 05
2 06
2 07
2 08
2 09
2 10
2 11
2 12
2 13
2 14
2 15
2 16
2 17
2 18
2 19
2 20
2 21
2 22
2 23
2 24
2 25
2 26
2 27
2 28
2 29
2 30
2 31
2 32
2 33
2 34
2 35
2 36
2 37
2 38
2 39
2 40
2 41
2 42
2 43
2 44
2 45
NAME PAGE
安全回路図
SAFETY CIRCUIT DIAGRAM
2
2
TITLE TYPE
モジュール安全回路
MODULE SAFETY CIRCUIT
NXTⅢc
DRAWING No.
FUJI SECRET
2RGZBB007400
MTU EMG
M2CR5X
3 4
142
マスターON
DP11
M2CR4X
3 4
141
運転準備OK
DP12
M2CR13X
3 4
115
XS軸インターロック
M2CR12X
3 4
114
ペアモジュール非常停止要因
DP13
DP14
M2CR11E
3 4
226
セーフティーリレーOK
M2CR11E
1 2
セーフティーリレーOK
a
b
118
211
D20
M2CR12E
1 10
セーフティーリレーOK(ディレー)
a
b
119
M2MS1X
A2 A1
セーフティーリレーOK(ディレー)
a
b
241 242 243
211
M2MS1X
21 22
239
セーフティーリレーOK(ディレー)
M2MS1X
1 2
239
セーフティーリレーOK(ディレー)
M2MS1X
3 4
239
セーフティーリレーOK(ディレー)
M2MS1X
5 6
239
セーフティーリレーOK(ディレー)
DP15
ADDRESS
113
インターフェース基板
INTERFACE BOARD
M2SR1
CN2
+24VM4A
+24VM4A
M/C CN4 CN17
-3
-12 -1
M224A
+24VM4A
CN17
-11 -2
M3:ON
M6:OFF
M211 M211
-12
M253
M221 M221
-6
OFF
M260
M231
M261
CN17
-7
-21
CN17
M221
-22
-8
-15
+24VM4A
-16
M212
インターフェース基板
セーフティーリレーユニット
INTERFACE BOARD
SAFETY RELAY UNIT
CN2
GMGM
-4
GM
セーフティーリレーOK
SAFETY RELAY OK
M241M241
-11
セーフティーリレーOK(ディレー)
SAFETY RELAY OK(DELAY)
(DELAY:1.0sec)
M242M242 M242A
-13
M175
-14 -13
セーフティーリレーOK(ディレー)
SAFETY RELAY OK(DELAY)
(DELAY:1.0sec)
GM
M242
M212A
CN2
-B3
M175 M175
ベース I/F
BASE I/F
ON
OFF
NXTⅡ互換
ペアモジュール非常停止要因:OFF
ON
OFF
R1 R3
S1 S3
T1 T3
サーボアンプ動力電源
SERVO AMP POWER SOURCE
AC200V
Control circuit
A2(-)
S14
S44
L1
L2
X1
X2
Y1
T32
T33
T21
T22
T11
T12
T31
A1(+)
JP1
1
3 4
2
未接続
CN6
デバイスベース
DEVICE BASE
-3
CN23
CN23
-4
-1
CN23
-2
CN23
OFF
OFF
NFV
ペアモジュール非常停止要因:OFF
-9
+24VM4A
M211A
M292
+24VM4A
+24VM4A
+24VM4A
M221
M228
PALLET POWER ON
マスターON
MASTER ON
運転準備OK
PAIR MODULE
EMERGENCY STOP FACTOR
ペアモジュール非常停止要因
XS AXIS INTERLOCK
XS軸インターロック
OFF
Zt2h816k
Zt2h816k
Downloaded at 2017/12/05 11:12:329 by 397B3171 DL#IK62Kg0n

NAME
TITLE
DRAWING No.
I/F接続図
I/F JUNCTION DIAGRAM
ベース - モジュール間 I/F
BASE-MODULE BETWEEN I/F
TYPE
NXTⅢc
1
1
FUJI SECRET
2RGZBB007500
ベース側 モジュール側
BASE SIDE MODULE SIDE
CN1
POWER
B A A B
R121
1 1
R
CN1 CN1
S121 T121
2 2
T S
コネクタ電線挿入側 コネクタ電線挿入側
wire insertion side wire insertion side
CN2
SIGNAL
E D C B A A B C D E
NC
+24
VM1
M
191
(M
256)
+24V
M4C
1 1
E1
M
256
E9
+24
VM1
M
650
NC
M
1101
F33 (E7)
M
1001
2 2
E2 E7
M
271
M
1101
SP2
CN2
NC NC
M
1001
M
175
SP1
3 3
SP1
M
175
M
226
X
005
M
272
NC NC
M
1002
H1 SP1
4 4
SP1
X
016
M
225
X
006
OPTO
B
NC NC
M
1234
H2 SP1
5 5
SP1
X
017
RY
008
X
007
SP2
CN2
NC NC
M
1235
H3 SP1
6 6
SP1
X
018
RY
008A
GA SP2
CX
002
SHI
ELD
+ H4 SP1
7 7
SP1
X
019
+
SHI
ELD
CX
002
CX
00A
M
1015
- H5 SP1
8 8
SP1
+24
VA1
-
M
228
CX
00A
CY
002
M
1016
+
+24
VM4A
SP1
9 9
SP1
+24
VM4A
+
M
221
CY
002
CY
007
NC - GM SP1
10 10
SP1 GM - NC
CY
007
CN3
コネクタ電線挿入側 コネクタ電線挿入側
wire insertion side wire insertion side
IEEE1394
6
TPB TPB*
5 5
TPB* TPB
6
6 5 5 6
4
TPA TPA*
3 3
TPA* TPA
4
4 3
CN3 CN3
3 4
2 1 1 2
2
VG VP
1 1
VP VG
2
コネクタ電線挿入側 コネクタ電線挿入側
CASE:FG CASE:FG
wire insertion side wire insertion side
M6c
A B C D E
E1
M
256
E9
+24
VM1
M
650
E2 E7
M
271
M
1101
SP2
SP1
M
175
M
226
X
005
M
272
SP1
X
016
M
225
X
006
OPTO
B
SP1
X
017
RY
008
X
007
SP2
SP1
X
018
RY
008A
GA SP2
SP1
X
019
+
SHI
ELD
NC
SP1
+24
VA1
-
M
228
NC
SP1
+24
VM4A
NC
M
221
NC
CN2R
SP1 GM NC NC NC
SIGNAL
E D C B A A B C D E
NC
+24
VM1
M
192
(M
256)
M
1008
1 1
E1
M
256
E9 E10 NC
CN2R
NC
M
1102
F34 (E7)
M
1009
2 2
E2 E7 NC E11 NC
NC NC
M
1009
M
175
SP1
3 3
NC NC
M
226
NC NC
CN2
NC NC
M
1010
H6 SP1
4 4
NC NC
M
225
NC NC
NC NC
M
1238
H7 SP1
5 5
NC NC NC NC NC
NC NC
M
1239
H8 SP1
6 6
NC NC NC NC NC
CX
002
SHI
ELD
+ H9 SP1
7 7
NC NC NC
SHI
ELD
NC
CX
00A
M
1017
- H10 SP1
8 8
NC NC NC NC NC
CY
002
M
1018
+
+24
VM4B
SP1
9 9
NC
+24
VM4B
+ NC NC
CN1
CY
007
NC - GM SP1
10 10
NC NC - NC NC
偶数ステーションのCN1、3は電気的接続はありません。
コネクタ電線挿入側
CN1 and 3 of an even number station does not have electric connection.
コネクタ電線挿入側
wire insertion side wire insertion side
CN3
M6cM3c
M6cモジュール偶数ステーションコネクタCN2R、CN1、CN3の接続
Connection of M6c module even number station connector CN2R,CN1 and CN3.
CN1
POWER
CN3
IEEE1394
Zt2h816k
Zt2h816k
Downloaded at 2017/12/05 11:12:329 by 397B3171 DL#IK62Kg0n