NXTIIIC电路图 - 第129页
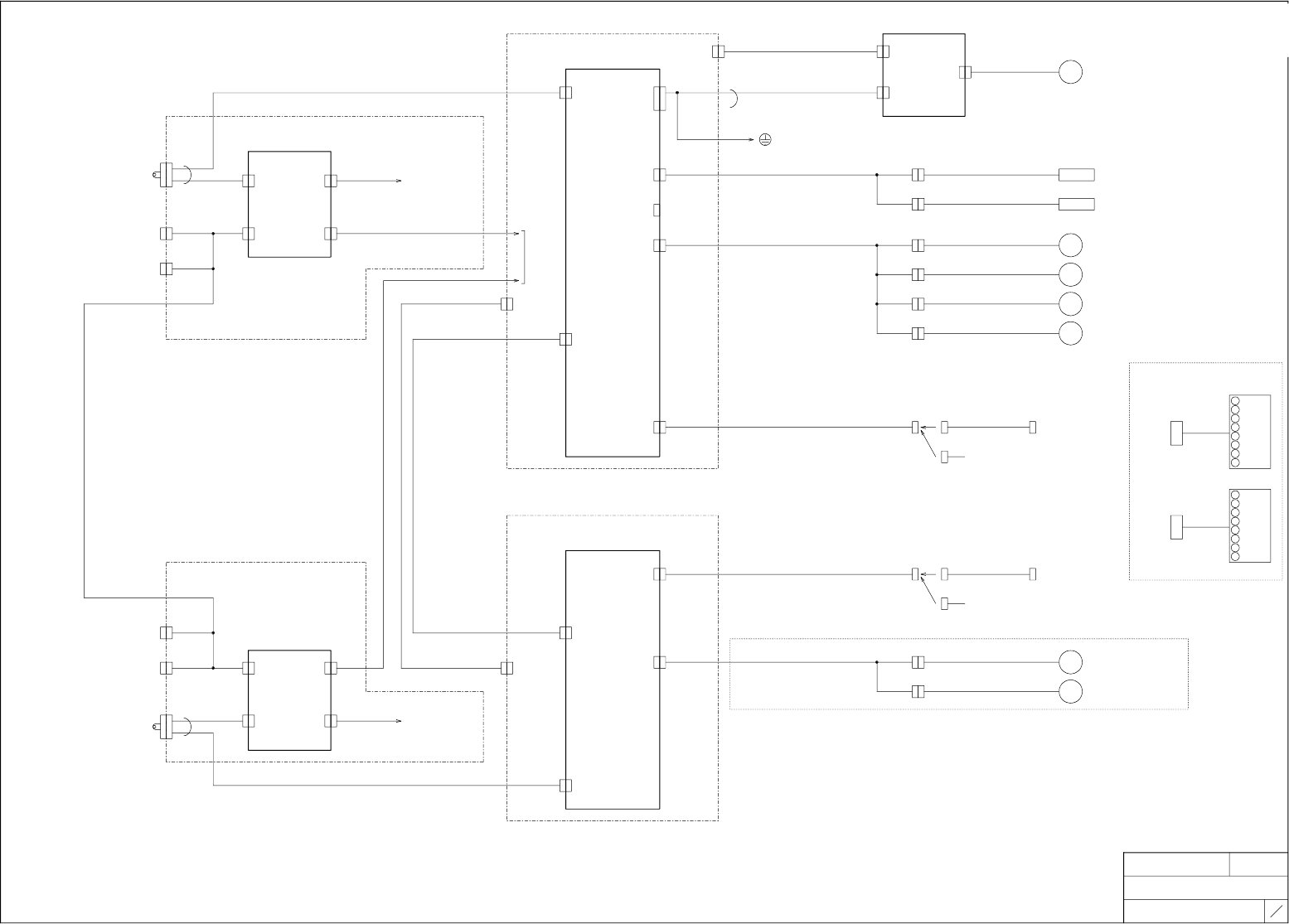
NAME TYPE 接続図 NFVc T I T L E アース接続 DRAWING No. 2 8 FUJI SECRET 2R GZB B00 010 3 A D D R E S S 3 一次電源 PE ( 2E G Z BB 00 03 ** ) アースターミナル1 E A R T H T E R M I N A L 1 アースターミナル2 E A R T H T E R M I N A L 2 メインスイッチ M A I N S…

NAME TYPE
接続図
NFVc
TITLE
動力接続
DRAWING No.
1
8
FUJI SECRET
2RGZBB000103
ADDRESS
2
ADDRESS
2
ADDRESS
2
4MⅢc ベース
CP1CN7
OPTION装置
2EGZBB0003** 2EGZBB0002**
2EGZBB0001**
一次電源
M1NFB1 M1NF1
CP1CN6
CP1CN5
CP1CN4
CP1CN3A
CP1CN1
CP1CN2
CP2CN3A
CP2CN4
CP2CN1
CP2CN5
2EGZBB0004**
OPTION装置
OPTION装置
OPTION装置
2EGZBB0005**
CN1
2AGTBB0003**
2AGTBB0004**
2EGTBC0118**
2AGTBB0005**
BCBCN1A
BCBCN4
2EGZBB0095**
2EGZBB0097**
2AGTBB0006**
EBCBCN1A
2EGZBB0098**
M1SW1
メインスイッチ
MAIN SW
メインブレーカ
NO FUSE BREAKER
ノイズフィルター
NOISE FILTER
M1NFB2M1T1
ブレーカ
NO FUSE BREAKER
トランス
TRANSFORMER
サーキットブレーカBKT
CIRCUIT BREAKER BKT
サーキットブレーカ増設BKT
EXTEND CIRCUIT BREAKER BKT
ベース制御盤
BASE CONTROL BOX
ベース増設制御盤
EXTEND BASE CONTROL BOX
4MⅢc BASE UNIT
ベースCPU−BOX
BASE CPU−BOX
DC電源
DC SUPPLY
2EGZBB0096**
CP1CN3B BCBCN1B
2EGZBB0099**
CP2CN3B EBCBCN1B
2EGTBC0145**
冷却ファン(下部)
FAN
COOLING FAN (UNDER)
CN202
バックプレーン
BACKPLANE
2EGTBC0144**
BACKPLANECN201
メインブレーカ ノイズフィルター
NO FUSE BREAKER NOISE FILTER
2EGZBB0072**
M1NFB1 M1NF1
2EGZBB0071** 2EGZBB0073** 2EGZBB0074** 2EGZBB0075**
トランス OPTION
2AGTBC0012**
OPTION UNIT
OPTION UNIT
OPTION UNIT
OPTION UNIT
アースBKTへアースボスへ
アースBKTへ
Zt2h816k
Zt2h816k
Downloaded at 2017/12/05 11:12:329 by 397B3171 DL#IK62Kg0n

NAME TYPE
接続図
NFVc
TITLE
アース接続
DRAWING No.
2
8
FUJI SECRET
2RGZBB000103
ADDRESS
3
一次電源
PE
(2EGZBB0003**)
アースターミナル1
EARTH TERMINAL1
アースターミナル2
EARTH TERMINAL2
メインスイッチ
MAIN SW
ノイズフィルター
NOISE FILTER
M1NF1
サーキットブレーカBKT
CIRCUIT BREAKER BKT
サーキットブレーカ増設BKT
EXTEND CIRCUIT BREAKER BKT
2EGZBB0015**
2EGZBB0013**
2EGZBB0014**
アースBKT
EARTH BKT
4MⅢc ベース
4MⅢc BASE UNIT
(リストバンド中継 フロント)
(リストバンド中継 リア左)
M1SW1
ハンドルBKT
サージキラー
SURGE KILLER
M1SK1
2EGZBB0011**
2EGZBB0111**
トランス
TRANSFORMER
トランス
M1T1
2EGZBB0076**
トランス OPTION
2EGZBB0070**
アースターミナル3 (リストバンド中継 リア右)
EARTH TERMINAL3
トランス OPTION
(2EGZBB0071**)
(2EGZBB0100**)
ベース制御I/F基板1 CN6へ
Zt2h816k
Zt2h816k
Downloaded at 2017/12/05 11:12:329 by 397B3171 DL#IK62Kg0n

NAME TYPE
接続図
NFVc
TITLE
制御盤・基板搬送I/F接続
DRAWING No.
3
8
FUJI SECRET
2RGZBB000103
ADDRESS
8
ADDRESS
8
ADDRESS
2
ベース制御盤
BASE CONTROL BOX
BCBCN18
CN6
CN5
2EGZBB0100**
ベース制御I/F基板1
BASE CONTROL I/F PCB 1
パーツ真空ポンプ制御BKT
PARTS VACCUM PUMP CONTROL BKT
MS1CN1
MS1CN3
MS1CN2 M1M1
パーツ真空ポンプ
PARTS VACCUM PUMP
2AGTBB0070**
2EGZBB0024**
エアー圧力正常
M1PS1
AIR CHECK
パーツバキューム圧力正常
M1PS2
PARTS VACUUM OK
M1PS1
M1PS2
2RGTBB0029**
2RGTBB0030**
M1FAN1
2EGZBB0089** 2RGZBB0099**
冷却ファン(ベース背面1)
CN12
M1
FAN1
M1FAN2
2RGZBB0100**
冷却ファン(ベース背面2)
M1
FAN2
CN27A
2EGZBB0026**
CN3
CN8
前工程基板搬送I/F基板
PREVIOUS PANEL
TRANSFER PCB
2EGZBB0088**
CN−5
SMF
CN−1
SMF
CN−3
SMF
レーン1
LANE1
レーン2
LANE2
LANE1−F
LANE2−F
BCBCN7
CNB
2EGZBB0020**
2EGZBB0036**
ベース増設制御盤
EXTEND BASE CONTROL BOX
ベース制御I/F基板2
BASE CONTROL I/F PCB 2
CN28A
2EGZBB0027**
CN4
CNA
EBCBCN4
後工程基板搬送I/F基板
NEXT PANEL
TRANSFER PCB
CN−1
SMR
レーン1
CN−5
SMR
CN−3
SMR
LANE1
LANE1−R
レーン2
LANE2
LANE2−R
2EGZBB0022**
CN9
2EGZBB0110**
4MⅢc ベース
4MⅢc BASE UNIT
(2EGZBB0054**)
(2EGZBB0084**)
側面カバーOPTION
11
M191
12
M191A
21
M192
22
M192A
RH5733*
ベースより
CN27B
31
+24VM1
32
X018
E1
Y000A
E2
GM
11
M191A
12
M191B
21
M192A
22
M192B
RH5734*
ベースより
CN28B
31
+24VM1
32
X019
E1
Y001A
E2
GM
2EGZBB0094**
CN12
M1FAN5
2RGTBB0035**
冷却ファン(トランス後)
M1
FAN5
M1FAN6
2RGTBB0036**
冷却ファン(トランス上)
M1
FAN6
盤内配線
モジュール1
接続コネクタCN2へ
モジュール4
接続コネクタCN2へ
CN−M2
CN−2
SMR
2EGTBB0080**
or
周辺装置
2EGTBB0080**
or
周辺装置
CN−M1
CN−2
SMF
M1FAN3
2RGZBB0101**
冷却ファン(ベース背面3)
M1
FAN3
M1FAN4
2RGZBB0102**
冷却ファン(ベース背面4)
M1
FAN4
2EGZBB0016**
2EGZBB0017**
トランス OPTION
前工程基板搬送I/F基板 BKT
PREVIOUS PANEL TRANSFER PCB BKT
2EGTBA0050**
後工程基板搬送I/F基板BKT
NEXT PANEL TRANSFER PCB BKT
2EGTBA0051**
CN27A CN27B
RH5735*
側面カバー左
RH5733*
CN28A
連結コネクタ
(2EGZBB0027**)
(前工程のCN28A)
CN28A CN28B
RH5736*
側面カバー右
RH5734*
CN27A
連結コネクタ
(2EGZBB0026**)
(後工程のCN27A)
FG
CN16
COOLING FAN (REAR1)
COOLING FAN (REAR2)
COOLING FAN (REAR3)
COOLING FAN (REAR4)
TRANSFORMER OPTION
COOLING FAN (TRANSFORMER REAR)
COOLING FAN (TRANSFORMER UPPER)
SIDE COVER OPTION
FROM BASE UNIT
FROM BASE UNIT
側面カバー左
SIDE COVER(L)
側面カバー右
SIDE COVER(R)
(4M流用)
(4M流用)
FG
アースBKTへ
(4M流用)
(4M流用)
Zt2h816k
Zt2h816k
Downloaded at 2017/12/05 11:12:329 by 397B3171 DL#IK62Kg0n