NXTIIIC电路图 - 第20页
1 01 1 02 1 03 1 04 1 05 1 06 1 07 1 08 1 09 1 10 1 11 1 12 1 13 1 14 1 15 1 16 1 17 1 18 1 19 1 20 1 21 1 22 1 23 1 24 1 25 1 26 1 27 1 28 1 29 1 30 1 31 1 32 1 33 1 34 1 35 1 36 1 37 1 38 1 39 1 40 1 41 1 42 1 43 1 44 …

NAME TYPE
I/Oアドレス表
I/O ADDRESS LIST
NXTⅢc
TITLE
モジュールI/O
MODULE I/O
DRAWING No.
2
2
FUJI SECRET
2RGZBB007800
【INPUT】
ADDRESS
モジュールCPU基板 I/Oアドレス表
X000
X001
X002
X003
X004
X005
X006
X007
X008
X009
X00A
X00B
X00C
X00D
X00E
X00F
X010
X011
X012
X013
X014
X015
X016
X017
X018
X019
X01A
X01B
X01C
X01D
X01E
X01F
MODULE CPU BOARD I/O ADDRESS
セーフティリレー正常
フロントカバー開閉確認
コンベア種0
ペアモジュール非常停止要因
非常停止ボタン正常
制御BOX内ヒューズOK
セーフティーリレー正常(ディレー)
コンベア種1
DC24V 正常
モジュールアドレス確認1
モジュールアドレス確認2
モジュールアドレス確認3
モジュールアドレス確認4
モジュール冷却ファン正常
パレット冷却ファン正常
モジュール種確認1
モジュール種確認2
モジュール種確認3
モジュール種確認4
信号名称
SAFETY RELAY OK
FRONT COVER CLOSED CHECK
CONVEYOR TYPE 0
PAIRED MODULE EMERGENCY STOP TRIGGER
EMERGENCY STOP BUTTON OK
CONTROL BOX FUSES OK
SAFETY RELAY OK(DELAY)
CONVEYOR TYPE 1
DC24V OK
MODULE ADDRESS CHECK 1
MODULE ADDRESS CHECK 2
MODULE ADDRESS CHECK 3
MODULE ADDRESS CHECK 4
MODULE BASE COOLING FAN OK
PALLET BASE COOLING FAN OK
MODULE TYPE CHECK 1
MODULE TYPE CHECK 2
MODULE TYPE CHECK 3
MODULE TYPE CHECK 4
SIGNAL NAME
【OUTPUT】
ADDRESS
Y000
Y001
Y002
Y003
Y004
Y005
Y006
Y007
Y008
Y009
Y00A
Y00B
Y00C
Y00D
Y00E
Y00F
Y010
Y011
Y012
Y013
Y014
Y015
Y016
Y017
Y018
Y019
Y01A
Y01B
Y01C
Y01D
Y01E
Y01F
パレット電源入り
運転準備OK
マスターON
フロントカバーロック
サーボ制御電源、ヘッド電源入り
パーツカメラ1側射 A
パーツカメラ1側射 B
パーツカメラ1側射 C
パーツカメラ1落射
ペアモジュールロック指示
残テープカッター動作指示
マークカメラトリガ信号
基板高さセンサ_ON
基板高さセンサ_ゼロシフト
基板高さセンサ_レーザー投光停止
信号名称
PALLET POWER ON
MACHINE READY OK
MASTER ON
FRONT COVER LOCK
SERVO CONTROL POWER,HEAD POWER ON
PARTS CAMERA 1 SIDELIGHT A
PARTS CAMERA 1 SIDELIGHT B
PARTS CAMERA 1 SIDELIGHT C
PARTS CAMERA1 INCIDENT LIGHTING
PAIRED MODULE LOCK
TAPE CUT
MARK CAMERA TRIGGER SIGNAL
PANEL HEIGHT SENSOR ON
PANEL HEIGHT SENSOR ZERO CONFIGURATION
PANEL HEIGHT SENSOR LASER STOP
SIGNAL NAME
【INPUT】
ADDRESS
モジュールリモートI/O基板 I/Oアドレス表
RX000
RX001
RX002
RX003
RX004
RX005
RX006
RX007
RX008
RX009
RX00A
RX00B
RX00C
RX00D
RX00E
RX00F
RX010
RX011
RX012
RX013
RX014
RX015
RX016
RX017
RX018
RX019
RX01A
RX01B
RX01C
RX01D
RX01E
RX01F
MODULE REMOTE I/O BOARD I/O ADDRESS
パーツバキューム圧確認
レーン1基板バキューム圧確認 ※OPTION
エアー圧力確認
ノズルチェンジャー1上昇端1確認
ノズルチェンジャー1上昇端2確認
ノズルチェンジャー1下降端確認
ノズルチェンジャー1テーブルシャッター閉確認
ノズルチェンジャー1テーブルシャッター開確認
ノズルチェンジャー1着座確認
ノズルチェンジャー1接続確認
ヘッド接続確認1
イオナイザー正常(フィーダ1) ※OPTION
デバイスパレット密着確認(右)
デバイスパレット密着確認(左)
デバイスパレット確認
イベント報告
異常イベント報告
デバイスパレットクランプ確認
デバイスパレットアンクランプ確認
部品排出BOX着座確認
残テープカッター動作端確認
残テープカッター原位置確認
ユニット接続確認0
ペアモジュールロック確認
ペアモジュールアンロック確認
ユニット接続確認1
ユニット接続確認2
信号名称
PARTS VACUUM PRESSURE CHECK
LANE 1 PANEL VACUUM PRESSURE CHECK
AIR CHECK
NOZZLE CHANGER1 UPPER LIMIT1 CHECK
NOZZLE CHANGER1 UPPER LIMIT2 CHECK
NOZZLE CHANGER1 LOWER LIMIT CHECK
NOZZLE CHANGER1 TABLE SHUTTER CLOSED CHECK
NOZZLE CHANGER1 TABLE SHUTTER OPEN CHECK
NOZZLE CHANGER1 DOCKING CHECK
NOZZLE CHANGER1 CONNECTION CHECK
HEAD CONNECTION CHECK 1
IONIZER NORMAL (FEEDER 1)
FEEDER PALLET SET CHECK(RIGHT)
FEEDER PALLET SET CHECK(LEFT)
FEEDER PALLET CHECK
EVENT REPORT
ERROR EVENT REPORT
FEEDER PALLET CLAMP CHECK
FEEDER PALLET UNCLAMP CHECK
PARTS EJECT BOX SET CHECK
TAPE CUTTER STROKE END CHECK
TAPE CUTTER ORIGIN POSITION CHECK
UNIT CONNECTION CHECK 0
PAIRED MODULE LOCK CHECK
PAIRED MODULE UNLOCK CHECK
UNIT CONNECTION CHECK 1
UNIT CONNECTION CHECK 2
SIGNAL NAME
【OUTPUT】
ADDRESS
RY000
RY001
RY002
RY003
RY004
RY005
RY006
RY007
RY008
RY009
RY00A
RY00B
RY00C
RY00D
RY00E
RY00F
RY010
RY011
RY012
RY013
RY014
RY015
RY016
RY017
RY018
RY019
RY01A
RY01B
RY01C
RY01D
RY01E
RY01F
ノズルチェンジャー1上昇1
ノズルチェンジャー1下降1
ノズルチェンジャー1上昇2
ノズルチェンジャー1下降2
ノズルチェンジャー1テーブルシャッター開
ノズルチェンジャー1テーブルシャッター閉
予約
デバイスパレットクランプ
デバイスパレットアンクランプ
ブラッシングユニットON
シグナルタワー 赤点灯
シグナルタワー 黄点灯
シグナルタワー 青点灯
シグナルタワー 赤点滅
シグナルタワー 黄点滅
シグナルタワー 青点滅
信号名称
NOZZLE CHANGER1 UP 1
NOZZLE CHANGER1 DOWN 1
NOZZLE CHANGER1 UP 2
NOZZLE CHANGER1 DOWN 2
NOZZLE CHANGER1 TABLE SHUTTER OPEN
NOZZLE CHANGER1 TABLE SHUTTER CLOSED
RESERVED
FEEDER PALLET CLAMP
FEEDER PALLET UNCLAMP
BRUSHING UNIT ON
SIGNAL TOWER RED ON
SIGNAL TOWER YELLOW ON
SIGNAL TOWER BLUE ON
SIGNAL TOWER RED FLASH
SIGNAL TOWER YELLOW FLASH
SIGNAL TOWER BLUE FLASH
SIGNAL NAME
レーン1コンベア基板吸着バキュームON ※OPTION
LANE1 CONVEYOR PCB VACUUM ON
レーン1コンベア基板吸着バキュームOFF ※OPTION
LANE1 CONVEYOR PCB VACUUM OFF
レーン2コンベア基板吸着バキュームON ※OPTION
LANE2 CONVEYOR PCB VACUUM ON
レーン2コンベア基板吸着バキュームOFF ※OPTION
LANE2 CONVEYOR PCB VACUUM OFF
予約
RESERVED
MODULE REVISION 0
モジュールリビジョン0
MODULE REVISION 1
モジュールリビジョン1
Y軸リニアモータ温度正常
Y AXIS LINEAR MOTOR TEMPERATURE OK
レーン2基板バキューム圧確認 ※OPTION LANE 2 PANEL VACUUM PRESSURE CHECK
ハイブリッドキャリブレーション吸着確認 HYBRID CALIBRATION PICKUP CHECK
ブザーON BUZZER ON
レバー戻り確認センサー(原点位置)
LEVER RETURN CHECK SENSOR
モジュールリビジョン2
MODULE REVISION 2
フィーダDO信号 FEEDER DO SIGNAL
MODULE KIND &
REVISION
REVISION
REV.6
X013 1
MODULE KIND
X014
0X01C X01D X01E X01F X015
1
0 0 0 1 M3c M3c
0 0 1 0 M6c M6c
CONVEYOR KIND
REVISION
REV.0
X002 0
MODULE KIND CONTROLLER KIND X00F 0
M3c 3 AXIS M3 SINGLE
M3c 7 AXIS M3 DOUBLE
M6c 3 AXIS M6 SINGLE
M6c 7 AXIS M6 DOUBLE
HYBRID CALIBRATION VACUUM ON
ハイブリッドキャリブレーション吸着バキュームON
ハイブリッドキャリブレーション吸着バキュームOFF
HYBRID CALIBRATION VACUUM OFF
ノズルチェンジャ右側確認
NOZZLE CHANGER RIGHT SIDE
基板高さセンサあり確認 PANEL HEIGHT SENSOR CHECK
集塵エアブローON
DUST COLLECTION AIR BLOW ON
予約
RESERVED
パーツカメラ光源充電指示
PARTS CAMERA LIGHTING CHARGE COMMAND
フィーダ誤挿入検知
RAISED FEEDER CHECK
RX020 RY020
RX021 RY021
RX022 RY022
RX023 RY023
RX024 RY024
RX025 RY025
RX026 RY026
RX027 RY027
RX028
RX029
RX02A
RX02B
RX02C
RX02D
RX02E
RX02F
RX030
RX031
RX032
RX033
RX034
RX035
RX036
RX037
予約
RESERVED
イオナイザー正常(フィーダ2) ※OPTION
IONIZER NORMAL (FEEDER 2)
モジュール - リモートI/O基板
MODULE-REMOTE I/O BOARD
ノズルチェンジャー2テーブルシャッター閉確認
ノズルチェンジャー2テーブルシャッター開確認
ノズルチェンジャー2上昇端確認
ノズルチェンジャー2下降端確認
ノズルチェンジャー2着座確認
ノズルチェンジャー2前進端確認
ノズルチェンジャー2後退端確認
ノズルチェンジャー2接続確認
NOZZLE CHANGER 2 TABLE SHUTTER CLOSED CHECK
NOZZLE CHANGER 2 TABLE SHUTTER OPEN CHECK
NOZZLE CHANGER 2 UPPER LIMIT CHECK
NOZZLE CHANGER 2 LOWER LIMIT CHECK
NOZZLE CHANGER 2 DOCKING CHECK
NOZZLE CHANGER 2 FORWARD LIMIT CHECK
NOZZLE CHANGER 2 BACKWARD LIMIT CHECK
NOZZLE CHANGER 2 CONNECTION CHECK
オートツールステーション上昇端確認
オートツールステーション下降端確認
オートツールステーションシャッター閉確認
オートツールステーションシャッター開確認
オートツールステーション有確認
予約
予約
予約
AUTO TOOL STATION UPPER LIMIT CHECK
AUTO TOOL STATION LOWER LIMIT CHECK
AUTO TOOL STATION SHUTTER CLOSED CHECK
AUTO TOOL STATION SHUTTER OPEN CHECK
AUTO TOOL STATION PRESENCE CHECK
RESERVED
RESERVED
RESERVED
オートツールステーション上昇
オートツールステーション下降
オートツールステーションシャッター閉
オートツールステーションシャッター開
AUTO TOOL STATION UP
AUTO TOOL STATION DOWN
AUTO TOOL STATION SHUTTER CLOSED
AUTO TOOL STATION SHUTTER OPEN
ノズルチェンジャー2テーブルシャッター閉
ノズルチェンジャー2テーブルシャッター開
ノズルチェンジャー2上昇
ノズルチェンジャー2下降
ノズルチェンジャー2前進
ノズルチェンジャー2後退
NOZZLE CHANGER 2 TABLE SHUTTER CLOSED
NOZZLE CHANGER 2 TABLE SHUTTER OPEN
NOZZLE CHANGER 2 UP
NOZZLE CHANGER 2 DOWN
NOZZLE CHANGER 2 FORWARD
NOZZLE CHANGER 2 BACKWARD
予約 RESERVED
予約 RESERVED
予約 RESERVED
予約 RESERVED
Zt2h816k
Zt2h816k
Downloaded at 2017/12/05 11:12:329 by 397B3171 DL#IK62Kg0n

1 01
1 02
1 03
1 04
1 05
1 06
1 07
1 08
1 09
1 10
1 11
1 12
1 13
1 14
1 15
1 16
1 17
1 18
1 19
1 20
1 21
1 22
1 23
1 24
1 25
1 26
1 27
1 28
1 29
1 30
1 31
1 32
1 33
1 34
1 35
1 36
1 37
1 38
1 39
1 40
1 41
1 42
1 43
1 44
1 45
NAME PAGE
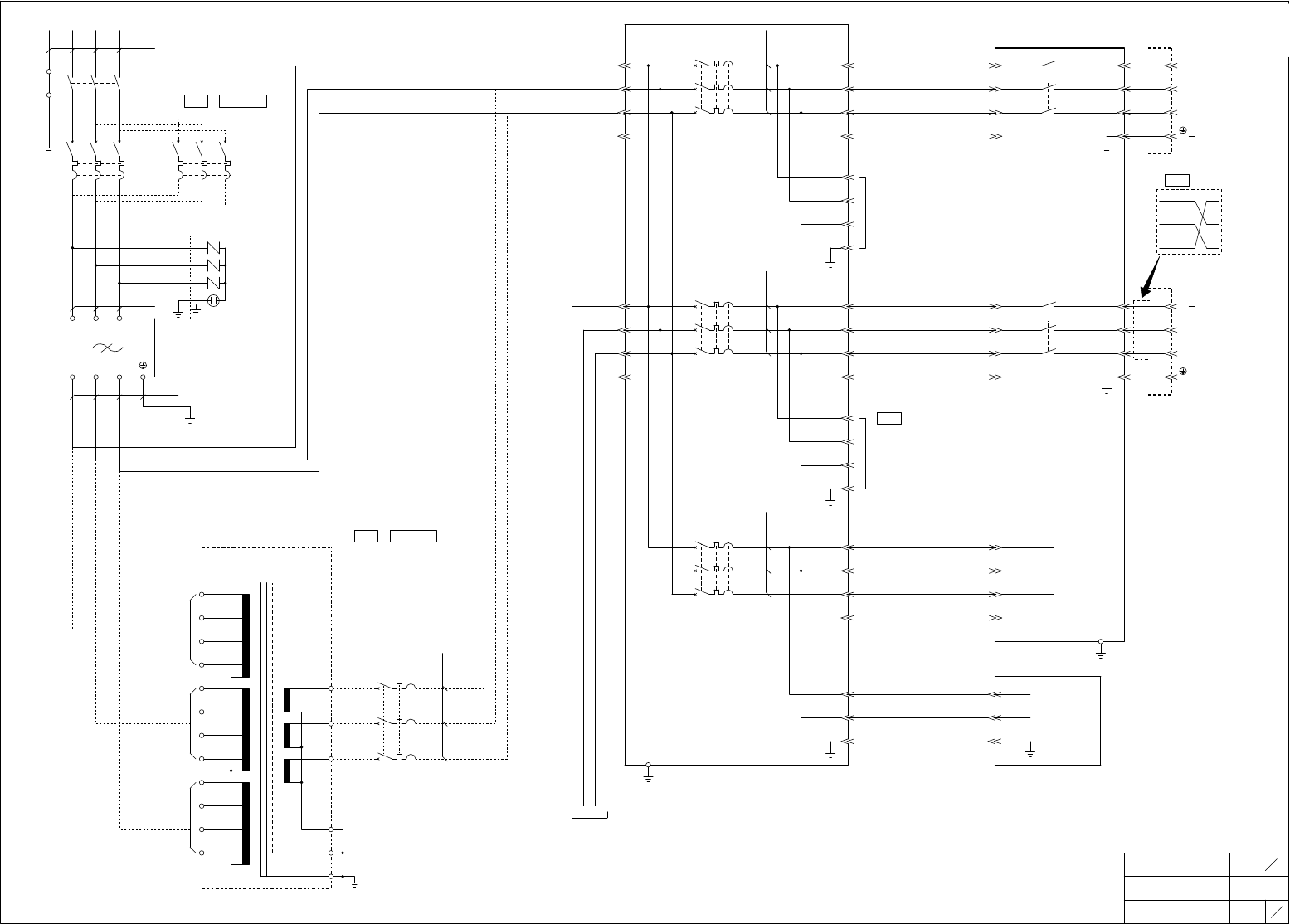
ベース回路図
BASE CIRCUIT DIAGRAM
19
1
TITLE TYPE
動力回路(AC)
POWER SOURCE CIRCUIT(AC)
NXTⅢc
DRAWING No.
1
4
FUJI SECRET
2RGZBB008000
M1NFB1
(30A)
M1CP1
(15A)
M1MS11
635
モジュール1電源遮断
M1CP2
(15A)
M1MS12
637
モジュール2電源遮断
M1CP11
(10A)
SW1
M1NFB2
(30A)
1 2
3 4
5 6
1
2
3
4
M1NFB1
(20A)
5
6
PE
L1
L2
L3
AWG12
M1SK1
1
2
3
M1NF1
AWG12
AWG12
R010R100
①
④
S010S100
②
⑤
T010T100
③
⑥
AC200~230V 50/60Hz
AWG16
R111 R121 R
S111 S121 S
T111 T121 T
AWG16
R112 R122 R
S112 S122 S
T112 T122 T
モジュール1電源
MODULE1 POWER SOURCE
オプション装置電源(IN)
OPTIONAL DEVICE POWER(IN)
モジュール2電源
MODULE2 POWER SOURCE
オプション装置電源(OUT)
OPTIONAL DEVICE POWER(OUT)
2Mc
AWG16
R101
S101
T101
ブレーカボックス1
BREAKER BOX 1
CP1CN1
-A1
-A2
-B1
-B2
R001
S001
T001
CP1CN2
-A1
-A2
-B1
-B2
CP1CN3A
-1
-2
-3
-1
-2
-3
-4
-4
CP1CN3B
CP1CN6
-1
-2
-3
-4
CP1CN7
-1
-2
-3
-4
CP1CN4
-1
-2
-3
-4
CP1CN5
-1
-2
-3
BCBCN1A
-1
-2
-3
-1
-2
-3
-4
BCBCN1B BCBCN3
-1
-2
-3
-4
ベースCPUボックス
BASE CPU BOX
BASE CONTROL BOX 1
ベースコントロールボックス1
BCBCN2
-1
-2
-3
-4-4
CN1
-B1
-B2
-A2
-A1
CN1
-B1
-B2
-A2
-A1
NEXT PAGE
R122
S122
T122
2Mc
460-
480V
415-
440V
R020
380-
400V
200V
460-
480V
415-
440V
S020
380-
400V
200V
460-
480V
415-
440V
T020
380-
400V
200V
M1T1
10.4kVA
U1
U2
U3
AWG12
U4
V1 u
200V R030 R100
V2
v
200V S030 S100
V3
V4 w
200V T030 T100
W1
W2
W3
N
W4
SHIELD
アース端子台
FG
OPTION4Mc
AC400V
SYSTEM
4Mc OPTION
EARTH BLOCK
AC POWER
R
1
S
3
5
BCBCN4
-1
-2
-3
-4
R101
S101
T101
-4
Zt2h816k
Zt2h816k
Downloaded at 2017/12/05 11:12:329 by 397B3171 DL#IK62Kg0n

2 01
2 02
2 03
2 04
2 05
2 06
2 07
2 08
2 09
2 10
2 11
2 12
2 13
2 14
2 15
2 16
2 17
2 18
2 19
2 20
2 21
2 22
2 23
2 24
2 25
2 26
2 27
2 28
2 29
2 30
2 31
2 32
2 33
2 34
2 35
2 36
2 37
2 38
2 39
2 40
2 41
2 42
2 43
2 44
2 45
NAME PAGE
ベース回路図
BASE CIRCUIT DIAGRAM
19
2
TITLE TYPE
動力回路(AC)
POWER SOURCE CIRCUIT(AC)
NXTⅢc
DRAWING No.
2
4
FUJI SECRET
2RGZBB008000
M1CP3
(15A)
M1MS13
835
モジュール3電源遮断
M1CP4
(15A)
M1MS14
837
モジュール4電源遮断
AWG16
R113
S113
T113
AWG16
R114
S114
T114
R123
S123
モジュール3電源
MODULE3 POWER SOURCE
T123
R124
S124
モジュール4電源
MODULE4 POWER SOURCE
T124
4Mc
オプション装置電源(OUT)
OPTIONAL DEVICE POWER(OUT)
R100
S100
T100
BREAKER BOX 2
ブレーカボックス2
BASE CONTROL BOX 2
ベースコントロールボックス2
CP2CN1
-A1
-A2
-B1
-B2
CP2CN3A
-1
-2
-3
-4
-1
CP2CN3B
-2
-3
CP2CN5
-1
-2
-3
-4
EBCBCN1A
-1
-2
-3
-4 -4
-3
-2
-1
EBCBCN2
EBCBCN1B
-1
-2
-3
-4
-3
-2
-1
EBCBCN3
4Mc
4Mc
CN1
R
-B1
S
-B2
T
-A2
-A1
CN1
R
-B1
S
-B2
T
-A2
-A1
PREVIOUS PAGE
-4 -4
Zt2h816k
Zt2h816k
Downloaded at 2017/12/05 11:12:329 by 397B3171 DL#IK62Kg0n