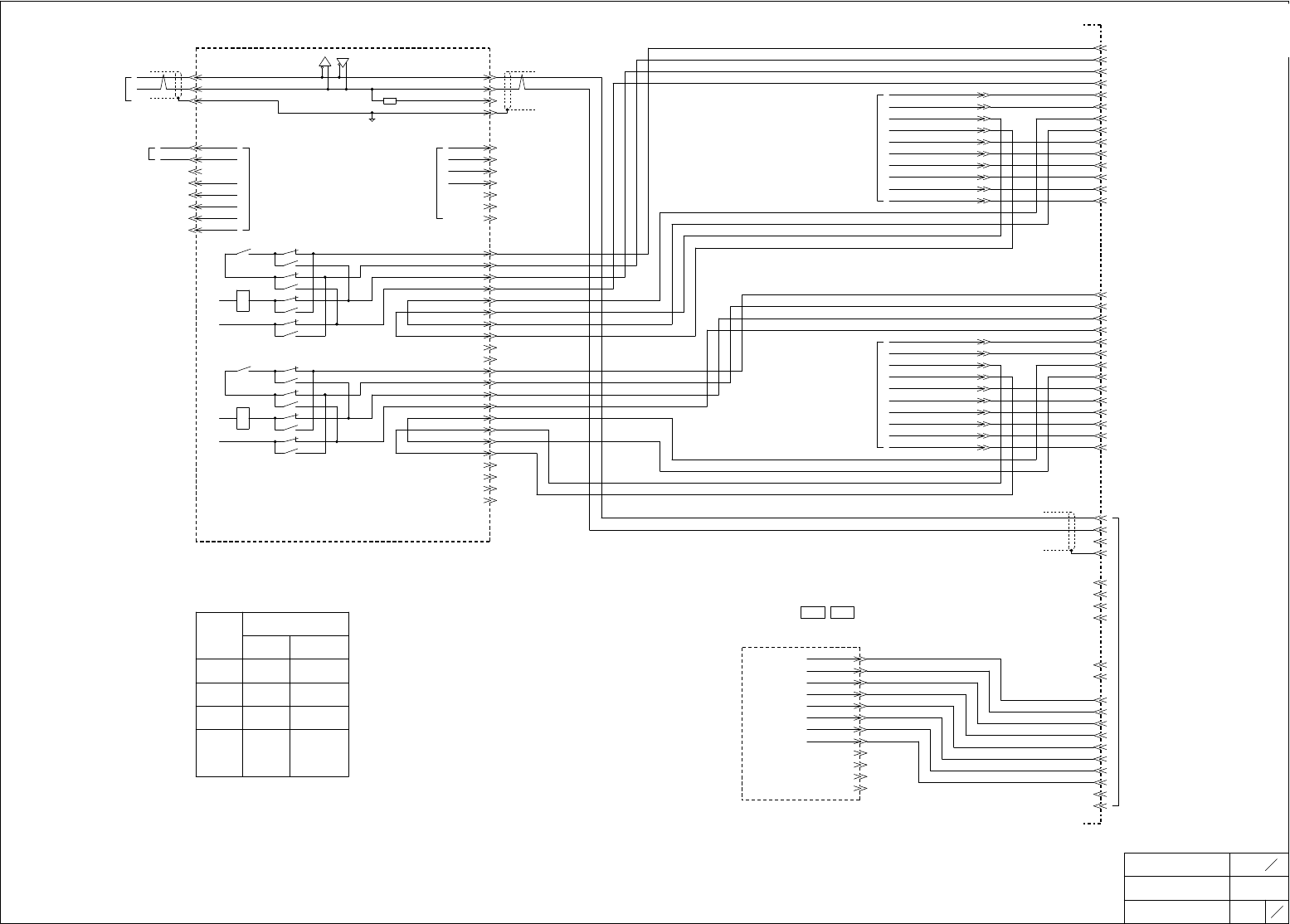
NXTIIIC电路图 - 第29页
1 0 0 1 1 0 0 2 1 0 0 3 1 0 0 4 1 0 0 5 1 0 0 6 1 0 0 7 1 0 0 8 1 0 0 9 1 0 1 0 1 0 1 1 1 0 1 2 1 0 1 3 1 0 1 4 1 0 1 5 1 0 1 6 1 0 1 7 1 0 1 8 1 0 1 9 1 0 2 0 1 0 2 1 1 0 2 2 1 0 2 3 1 0 2 4 1 0 2 5 1 0 2 6 1 0 2 7 1 0 …

9 01
9 02
9 03
9 04
9 05
9 06
9 07
9 08
9 09
9 10
9 11
9 12
9 13
9 14
9 15
9 16
9 17
9 18
9 19
9 20
9 21
9 22
9 23
9 24
9 25
9 26
9 27
9 28
9 29
9 30
9 31
9 32
9 33
9 34
9 35
9 36
9 37
9 38
9 39
9 40
9 41
9 42
9 43
9 44
9 45
NAME PAGE
ベース回路図
BASE CIRCUIT DIAGRAM
19
9
TITLE TYPE
インターフェース基板間I/F
INTERFACE BOARD BETWEEN I/F
NXTⅢc
DRAWING No.
1
1
FUJI SECRET
2RGZBB008400
CNA
X000
-1
X001
-2
-3
-4
-5
-6
-7
X01F
-8
Y008
-9
-10
-11
-12
-13
-14
INTERFACE BOARD 1
インタフェース基板1 インタフェース基板2
INTERFACE BOARD 2
CNA
X000
-1
X001
-2
-3
-4
-5
-6
-7
X01F
-8
Y008
-9
-10
-11
-12
-13
-14
4Mc
X00E X00E
Y002 Y002
Y003 Y003
X011 X011
X016 X016
Y015 Y015
CNB CNB
X002 X002
-1 -1
X003 X003
-2 -2
X00F X00F
-3 -3
Y00E Y00E
-4 -4
Y00F Y00F
-5 -5
X011 X011
-6 -6
X016 X016
-7 -7
X01F X01F
-8 -8
Y008 Y008
-9 -9
Y015 Y015
-10 -10
-11 -11
-12 -12
-13 -13
-14 -14
Zt2h816k
Zt2h816k
Downloaded at 2017/12/05 11:12:329 by 397B3171 DL#IK62Kg0n

10 01
10 02
10 03
10 04
10 05
10 06
10 07
10 08
10 09
10 10
10 11
10 12
10 13
10 14
10 15
10 16
10 17
10 18
10 19
10 20
10 21
10 22
10 23
10 24
10 25
10 26
10 27
10 28
10 29
10 30
10 31
10 32
10 33
10 34
10 35
10 36
10 37
10 38
10 39
10 40
10 41
10 42
10 43
10 44
10 45
NAME PAGE
ベース回路図
BASE CIRCUIT DIAGRAM
19
10
TITLE TYPE
機械間I/F
INTERFACE BETWEEN MACHINES
NXTⅢc
DRAWING No.
1
2
FUJI SECRET
2RGZBB008500
ADDRESS
508
レーン1基板搬送コネクタ(前工程)
L1SMM1
前工程への送れ信号(出力)
PANEL REQ1
L1SMM2
L1SMM3
前工程からの基板あり信号(入力)
PANEL REQ1
L1SMM4
UNUSED
UNUSED
L1SMM11
前工程からの基板確認信号(入力)
PANEL REQ1
L1SMM12
RESERVE
RESERVE
RESERVE
RESERVE
RESERVE
RESERVE
L1SMM9
L1SMM10
L1SMM11/13
L1SMM12/14
L1SMM15
L1SMM16
L1SMM17
L1SMM18
L1SMM19
L1SMM20
CNAL1
-1
-2
-3
-4
-5
-6
-7
-8
-9
-10
-11
-12
-13
-14
CN-CVIF-F
-1
-2
-3
-4
-5
-6
-7
-8
-9
-10
RS-485
+
-
R-
SHIELD
B3/A3
B4/A4
B3/A3
B4/A4
追従許可信号
FOLLOW PERMIT
SMM1/SMM5
SMM2/SMM6
SMM3/SMM7
SMM4/SMM8
SMM11/SMM13
SMM12/SMM14
SMM13/SMM11
SMM14/SMM12
SMM1/SMM5
SMM2/SMM6
SMM3/SMM7
SMM4/SMM8
SMM11/SMM13
SMM12/SMM14
SMM13/SMM11
SMM14/SMM12
前工程基板搬送I/F基板
RS-485
+
-
SHIELD
FG
ベースコントロールボックス1
+24VM6+24VA
BASE CONTROL BOX 1
GMGA
AD00
アドレス設定”0”電源
+24VA
POWER
X012
AD01
インターフェース基板1
X013AD02
INTERFACE BOARD
X014
AD03
レーン2基板搬送コネクタ(前工程)
L2SMM1
前工程への送れ信号(出力)
PANEL REQ1
L2SMM2
L2SMM3
前工程からの基板あり信号(入力)
PANEL REQ1
L2SMM4
UNUSED
UNUSED
L2SMM11
前工程からの基板確認信号(入力)
PANEL REQ1
L2SMM12
RESERVE
RESERVE
RESERVE
RESERVE
RESERVE
RESERVE
L2SMM9
L2SMM10
L2SMM11/13
L2SMM12/14
L2SMM15
L2SMM16
L2SMM17
L2SMM18
L2SMM19
L2SMM20
CNAL2
-1
-2
-3
-4
-5
-6
-7
-8
-9
-10
-11
-12
-13
-14
CN-CVIF-F
-11
-12
-13
-14
-15
-16
-17
-18
-19
-20
LANE2 PANEL TRANSFER CONNECTOR(IN)
LANE1 PANEL TRANSFER CONNECTOR(IN)
CN2
-1
-2
-3
-4
CN4
-1
-2
-3
-4
-5
-6
-7
CN5
-1
-2
-3
-4
-5
-6
-7
-8
-9
-10
-11
-12
-13
-14
-15
-16
-17
-18
-19
-20
-21
-22
CN1
-1
-2
-3
CN3
-1
-2
-3
-4
-5
-6
-7
-8
LANE1 PANEL TRANSFER CONNECTOR(OUT)
レーン1基板搬送コネクタ(後工程)
レーン2基板搬送コネクタ(後工程)
LANE2 PANEL TRANSFER CONNECTOR(OUT)
CN-M1
-1A
-1B
-2A
-2B
前工程インタフェース
PREVIOUS INTERFACE
-3A
-3B
-4A
-4B
-5A
-5B
-1C
-1D
-2C
-2D
-4C
-4D
-5C
-5D
PREVIOUS PANEL TRANSFER I/F BOARD
モジュール1
インタフェース
MODULE1 INTERFACE
-3D
-3C
Address setting "0"
FUJI仕様
FUJI Standard
前工程側
Previous side
レーン1 レーン2
LANE1 LANE2
ピンNo. 送れ出力 送れ出力
Pin No.
Send output Send output
1 L1SMM1 L2SMM1
2 L1SMM2 L2SMM2
コネクタ
STAK2
(Hirschmann)
STAK2
(Hirschmann)
Connector
CABLE:0.3m㎡ CABLE:0.3m㎡
注)FUJI仕様はCNAL1、CNAL2 に延長ハーネスを追加しての対応となります。
Notes)FUJI Standard serve as correspondence which adds extended harness to CNAL1 and CNAL2.
RY2,5は後工程時ONします
RY 2 and 5 is turned on at the time of a back process.
RY2 RY1
RY3
+24V
0V
RY5 RY4
RY6
+24V
0V
CN2
CN8
+24VM1
-1
INTERFACE BOARD 1
インタフェース基板1
X010
-2
A9
-3
A10
-4
A5
-5
A6
-6
M1003
-7
M1004
-8
-9
-10
-11
-12
Zt2h816k
Zt2h816k
Downloaded at 2017/12/05 11:12:329 by 397B3171 DL#IK62Kg0n

11 01
11 02
11 03
11 04
11 05
11 06
11 07
11 08
11 09
11 10
11 11
11 12
11 13
11 14
11 15
11 16
11 17
11 18
11 19
11 20
11 21
11 22
11 23
11 24
11 25
11 26
11 27
11 28
11 29
11 30
11 31
11 32
11 33
11 34
11 35
11 36
11 37
11 38
11 39
11 40
11 41
11 42
11 43
11 44
11 45
NAME PAGE
ベース回路図
BASE CIRCUIT DIAGRAM
19
11
TITLE TYPE
機械間I/F
INTERFACE BETWEEN MACHINES
NXTⅢc
DRAWING No.
2
2
FUJI SECRET
2RGZBB008500
ADDRESS
513
レーン1基板搬送コネクタ(後工程)
CNBL1
L1SMM5
-1
後工程からの送れ信号(入力)
L1SMM6
PANEL REQ1
-2
L1SMM7
-3
後工程への基板あり信号(出力)
L1SMM8
PANEL REQ1
-4CN-CVIF-R
UNUSED
-1 -5
UNUSED
-2 -6
L1SMM13
後工程への基板確認信号(出力)
-3 -7
L1SMM14
PANEL REQ1
-4 -8
RESERVE
-5 -9
RESERVE
-6 -10
RESERVE
-7 -11
RESERVE
-8 -12
RESERVE
-9 -13
RESERVE
-10 -14
L1SMM9
L1SMM10
L1SMM11/13
L1SMM12/14
L1SMM15
L1SMM16
L1SMM17
L1SMM18
L1SMM19
L1SMM20
LANE1 PANEL TRANSFER CONNECTOR(OUT)
レーン2基板搬送コネクタ(後工程)
LANE2 PANEL TRANSFER ONNECTOR(OUT)
CNBL2
L2SMM5
後工程からの送れ信号(入力)
-1
L2SMM6
PANEL REQ1
-2
L2SMM7
後工程への基板あり信号(出力)
-3
L2SMM8
PANEL REQ1
CN-CVIF-R -4
L2SMM9
UNUSED
-11 -5
L2SMM10
UNUSED
-12 -6
L2SMM11/13 L2SMM13
後工程への基板確認信号(出力)
-13 -7
L2SMM12/14 L2SMM14
PANEL REQ1
-14 -8
L2SMM15
RESERVE
-15 -9
L2SMM16
RESERVE
-16 -10
L2SMM17
RESERVE
-17 -11
L2SMM18
RESERVE
-18 -12
L2SMM19
RESERVE
-19 -13
L2SMM20
RESERVE
-20 -14
CN-M2
-4C
-4D
-3D
-5D
後工程インタフェース
NEXT INTERFACE
-1A
-1B
-2A
-2B
-3A
-3B
-4A
-4B
-5A
-5B
-1C
-1D
-2C
-2D
後工程基板搬送I/F基板
CN2
RS-485RS-485
CN1
++
-1-1
--
-2-2
R-SHIELD
-3-3
SHIELD
-4
FG
CN4CN3
ベースコントロールボックス1
B3/A3+24VA+24VM6
-1-1
BASE CONTROL BOX 1
B4/A4GAGM
-2-2
B3/A3
-3-3
B4/A4AD00
追従許可信号
-4
電源
-4
アドレス設定”F”
FOLLOW PERMIT
+24VA
POWER
-5-5
AD01
-6-6
AD02
-7-7
AD03
-8
CN5
SMM1/SMM5
-1
SMM2/SMM6
-2
SMM3/SMM7
-3
SMM4/SMM8
-4
SMM11/SMM13
-5
SMM12/SMM14
-6
SMM13/SMM11
-7
SMM14/SMM12
-8
-9
-10
SMM1/SMM5
-11
SMM2/SMM6
-12
SMM3/SMM7
-13
SMM4/SMM8
-14
SMM11/SMM13
-15
SMM12/SMM14
-16
SMM13/SMM11
-17
SMM14/SMM12
-18
-19
-20
-21
-22
レーン1基板搬送コネクタ(前工程)
LANE1 PANEL TRANSFER CONNECTOR(IN)
レーン2基板搬送コネクタ(前工程)
LANE2 PANEL TRANSFER CONNECTOR(IN)
NEXT PANEL TRANSFER I/F BOARD
モジュールn
インタフェース
MODULEn INTERFACE
-5C
-3C
Address setting "F"
FUJI仕様
FUJI Standard
後工程側
Next side
レーン1 レーン2
LANE1 LANE2
ピンNo. 送れ入力 送れ入力
Pin No.
Send input Send input
1 L1SMM5 L2SMM5
2 L1SMM6 L2SMM6
コネクタ
STAS2
STASI2
(Hirschmann)
STAS2
STASI2
(Hirschmann)
Connector
CABLE:0.3m㎡ CABLE:0.3m㎡
注)FUJI仕様はCNBL1、CNBL2 に延長ハーネスを追加しての対応となります。
Notes)FUJI Standard serve as correspondence which adds extended harness to CNBL1 and CNBL2.
RY2,5は後工程時ONします
RY 2 and 5 is turned on at the time of a back process.
RY2RY1
RY3
+24V
0V
RY5RY4
RY6
+24V
0V
インタフェース基板1(2)
INTERFACE BOARD 1(2)
CN9
A11
-1
A12
-2
B9
-3
X011
-4
M1011
-5
M1012
-6
A7
-7
A8
-8
-9
-10
-11
-12
4Mc2Mc
Zt2h816k
Zt2h816k
Downloaded at 2017/12/05 11:12:329 by 397B3171 DL#IK62Kg0n