00198170-03_Technical_Training_FSE_TX-Series_DE - 第103页
7 Stromversorgung 7.3 Spannungsübersicht - Blockdiagramme Technisches Training FSE SIPLACE TX-Series 08/2018 103 7.3.4 42VDC geschaltet und ungeschaltet Im folgenden Bild ist die Erzeugung der 42V Zwischenkreisspannung…

7 Stromversorgung
7.3 Spannungsübersicht - Blockdiagramme
102 Technisches Training FSE SIPLACE TX-Series 08/2018
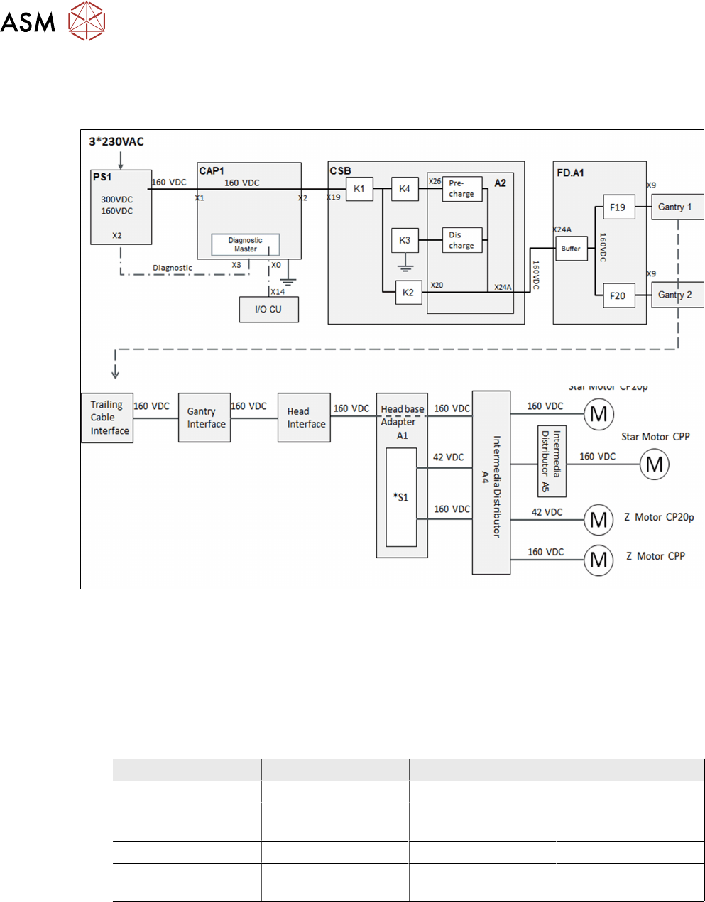
7.3.3 160V Zwischenkreisspannung Kopfachsen
Im folgenden Bild ist die Erzeugung der 160V Zwischenkreisspannung für die Kopfachsen
visualisiert.
*S1 Schalter für Zwischenkreisspannung der Z-Achse, 160V für CPP, 42V für C&P20 P
●
Die Kopfachsenspannung von 160VDC (Zwischenkreis) wird nicht über die Pufferbatterie
verwaltet, da hier keine Energiekompensationsprobleme auftreten.
●
Diese Spannung geht direkt vom Netzteil PS1 durch die Pufferbatterie CAP (ohne Funktion)
zur CSB und wird dort auf dem Pre- /Discharge Board geschaltet.
●
Die Kopfachsenspannung wird dann über die Baugruppe FDB geführt, dort mit Sicherungen
abgesichert und dann an die Köpfe ausgegeben.
Spannung Typ Sicherung Verwendung
160VDC Geschaltet F19 Sternmotor, Portal 1
160VDC Geschaltet F19 Z-Motor, CPP, Portal
1
160VDC Geschaltet F20 Sternmotor, Portal 2
160VDC Geschaltet F20 Z-Motor, CPP, Portal
2

7 Stromversorgung
7.3 Spannungsübersicht - Blockdiagramme
Technisches Training FSE SIPLACE TX-Series 08/2018 103
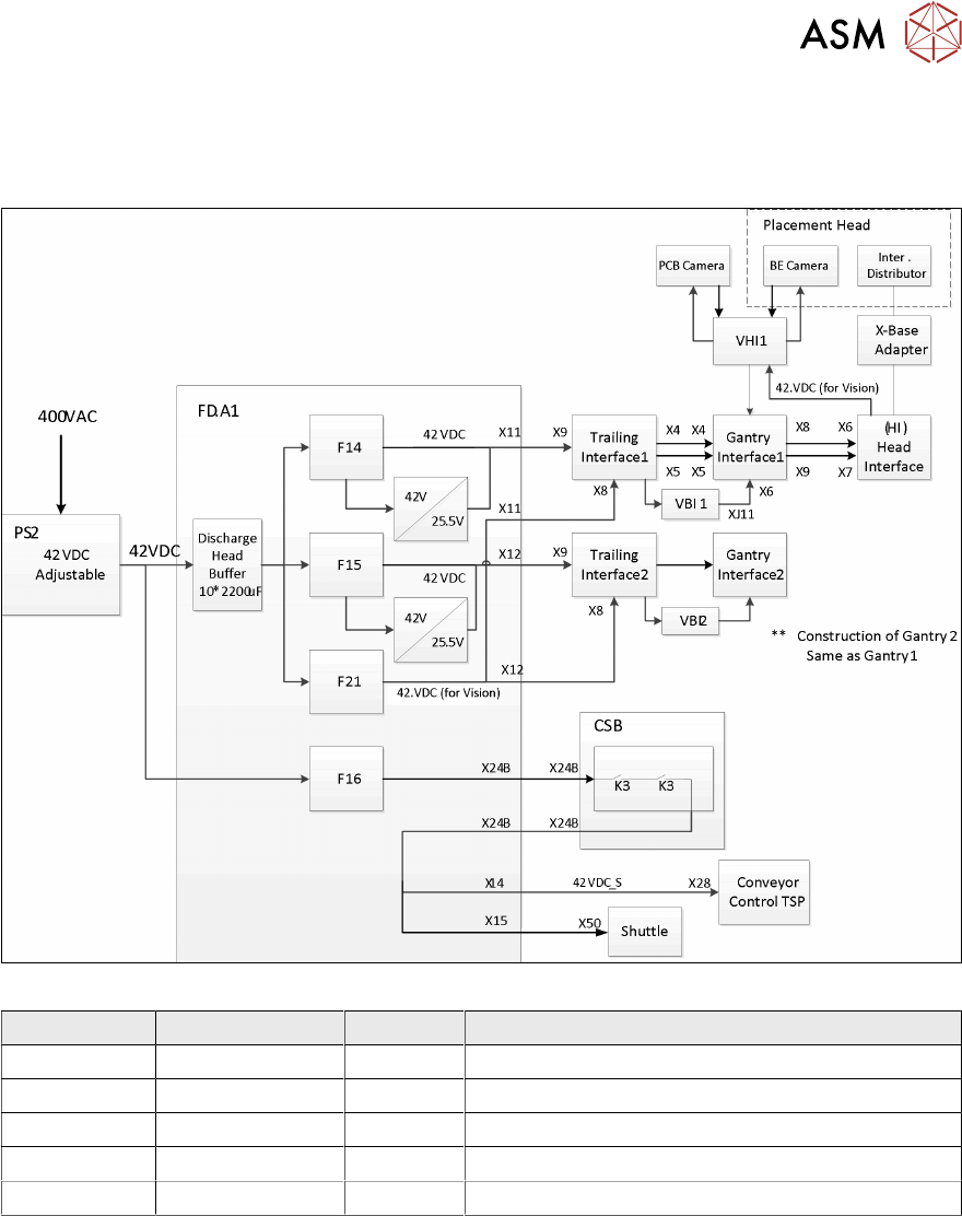
7.3.4 42VDC geschaltet und ungeschaltet
Im folgenden Bild ist die Erzeugung der 42V Zwischenkreisspannung visualisiert.
Spannung Typ Sicherung Verwendung
42VDC Ungeschaltet F14 Z-Motor, CP20, Portal 1
42VDC Ungeschaltet F15 Z-Motor, CP20, Portal 2
42VDC Ungeschaltet F21 Beleuchtung Kamera (BE & LP) beide Portale
42VDC Ungeschaltet F21 Beleuchtung für stationäre Kamera
42VDC Geschaltet F16 Antriebsmotor für Transport

7 Stromversorgung
7.3 Spannungsübersicht - Blockdiagramme
104 Technisches Training FSE SIPLACE TX-Series 08/2018
7.3.5 24VDC geschaltet und ungeschaltet
Sicherungen 1-3 und 5-10
Spannung Typ Sicherung Verwendung
24VDC Ungeschaltet F1 Spannung MGCU1
24VDC Ungeschaltet F2 Spannung MGCU2
24VDC Ungeschaltet F3 Spannung für externen Service / Lüfter
(Reserve-E/A & optional)
24VDC Ungeschaltet F5 Spannung Steuerrechner (PC)
24VDC Ungeschaltet F6 Spannung Monitore / CIN (CAN-Schnittstelle)/ PC
(optional)
24VDC Ungeschaltet F7 Spannung Transportsteuerung (TSP-420M) mit
interner Mikrosicherung
24VDC Ungeschaltet F8 Nicht benutzt
24VDC Ungeschaltet F9 Nicht benutzt
24VDC Ungeschaltet F10 Für interne Diagnose der Stromversorgung