00198170-03_Technical_Training_FSE_TX-Series_DE - 第114页
7 Stromversorgung 7.7 SMPS-Diagnose 114 Technisches Training FSE SIPLACE TX-Series 08/2018 7.7 SMPS-Diagnose Die Diagnosefunktionin der Stationssoftware ermöglicht eine problemlose Überwachung des Maschinenspannungsstatu…

7 Stromversorgung
7.6 Funktionsbeschreibung der einzelnen Baugruppen der TX-SMPS
Technisches Training FSE SIPLACE TX-Series 08/2018 113
7.6.5 Stromversorgung (SMPS) - 300VDC messen & testen
HINWEIS
Lesen Sie vor der Messung in der Serviceanleitung nach.
●
Die 300VDC von PS1 (IN) können zwischen X303 (300VDC) und X305 (GND) gemessen
werden.
●
Die 300VDC von CAP1 (OUT) können zwischen X304 (300VDC) und X305 (GND) gemes-
sen werden.
1. Messsteckdose X303
2. Messsteckdose X304
3. Messsteckdose X305
HINWEIS
Die Messung erfolgt immer zum Bezugspunkt X305 (GND)!
Die Messung sollte mithilfe eines geeigneten Netzspannungsmessgerät (Spannungsprüfer)
stattfinden, da es sich um 300VDC handelt.
Die Messspitzen der Messgeräte dürfen unter keinen Umständen berührt werden.

7 Stromversorgung
7.7 SMPS-Diagnose
114 Technisches Training FSE SIPLACE TX-Series 08/2018
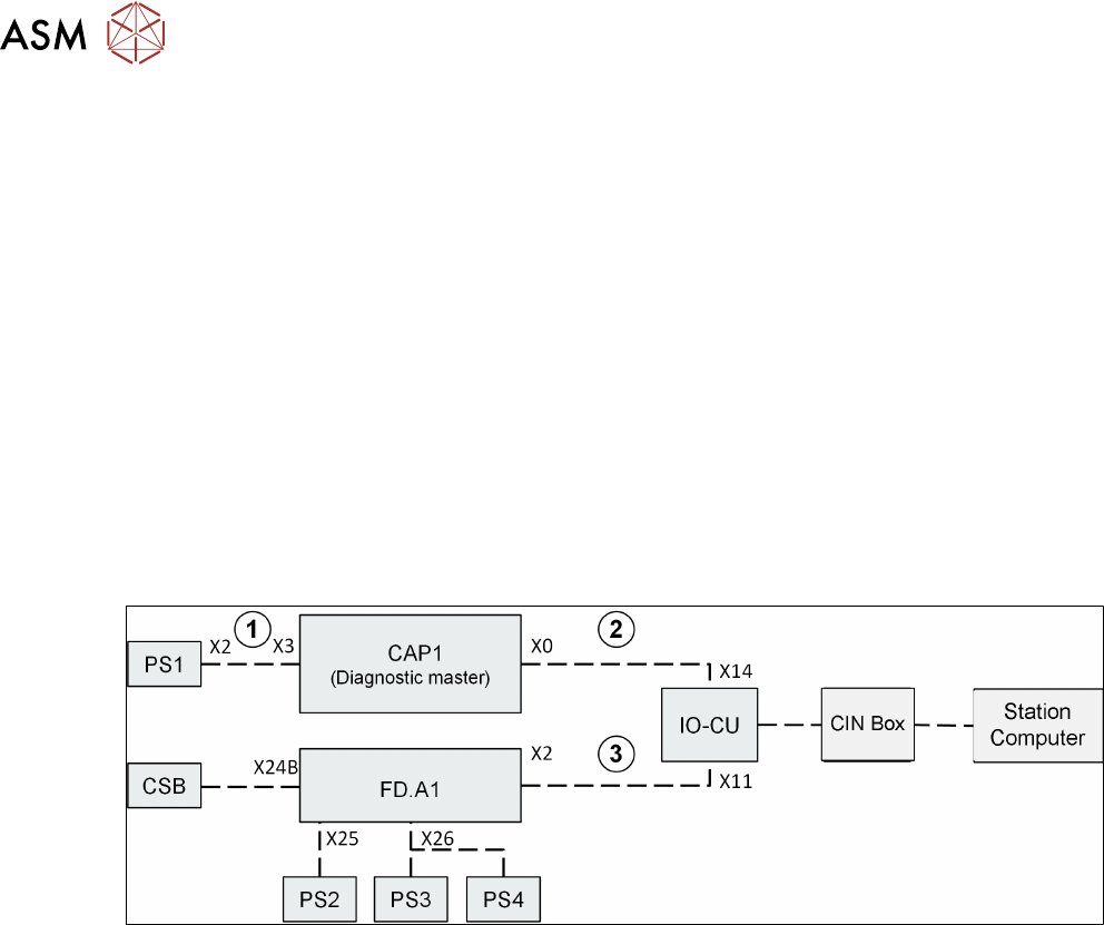
7.7 SMPS-Diagnose
Die Diagnosefunktionin der Stationssoftware ermöglicht eine problemlose Überwachung des
Maschinenspannungsstatus.
Folgende Analyse- bzw. Überwachungsmöglichkeiten sind möglich:
●
Überwachung des Netzteils PS1 und der Pufferbatterie CAP
●
Überwachung der Sicherheitszustände auf der CSB
●
Überwachung der Zwischenkreisspannungen Bestückköpfe 160VDC auf der FD-Platine
●
Überwachung der Spannungen 42VDC / 28VDC / 24VDC auf der FD-Platine
Für die Überwachung der Netzteilspannungen und der Sicherungen auf CAP und FD-Platine
stehen zwei zusätzliche Diagnosekreise innerhalb der SMPS zur Verfügung. Die beiden
Diagnosekreise sind auf der IOCU kombiniert und werden von dort an den Stationsrechner
übertragen.
Die Verbindungen 1, 2 und 3 dienen rein zur Weitergabe der Diagnosedaten und sind somit
zwingend notwendig, um eine Funktion der Diagnose zu gewährleisten.
●
Damit die Diagnose GUI funktioniert, muss die SMPS korrekt verkabelt sein. Stellen Sie zur
Fehlerbehebung sicher, dass alle Kabel korrekt angeschlossen sind. Werden keine
Diagnosedaten der Kondensatorbatterie von der Maschinensteuerung empfangen
(Funktionsstörung bzw. fehlende Kabelverbindung), wird auch keine Diagnoseinformation der
FD-Platine angezeigt!
Der Diagnostics Master ist ein fester Bestandteil in der CAP1 und wertet sämtliche zur Diagnose
notwendigen Informationen der Gesamtbaugruppe PS1-CAP1 aus.
Ebenso werden die Daten der Pufferbatterie CAP1 (Ladungszustand, Temperatur, Pufferkapazität,
Arbeitszeit) vom Diagnostic Master abgefragt.
Auf der FD.A1 laufen sämtliche Diagnosedaten der Kleinspannungsüberwachung (von PS2 / PS3 /
PS4 / Sicherungen auf FD) und Sicherheitslogik (von CSP) zusammen. Von der FD werden dann
die Diagnosedaten an die IOCU weitergegeben.
Auch wird die Information über die 160VDC für die Zwischenkreisspannung Bestückköpfe
abgefragt. Dies erfolgt über die Logik an den Sicherungen F19 und F20.

7 Stromversorgung
7.8 Sicherheitssteuerung
Technisches Training FSE SIPLACE TX-Series 08/2018 115
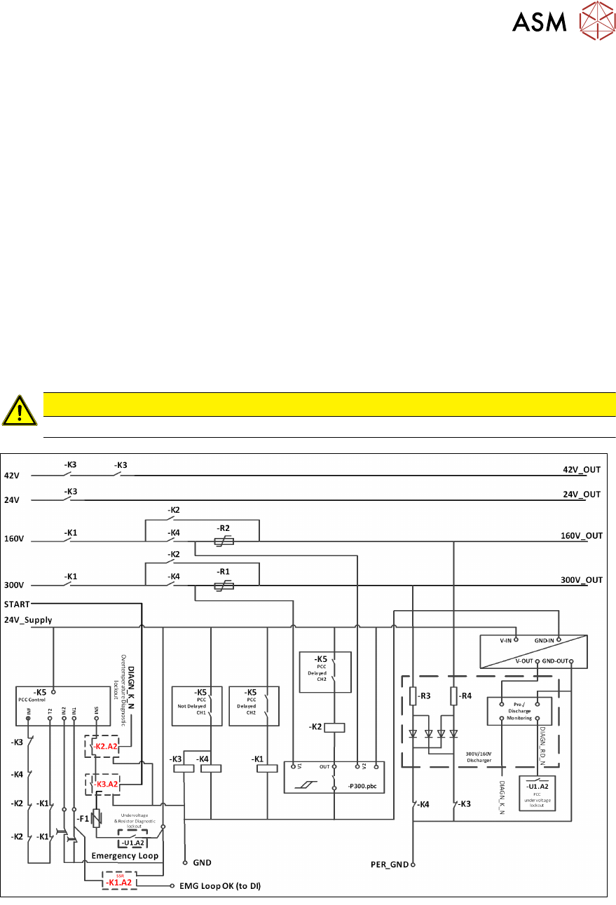
7.8 Sicherheitssteuerung
Die Sicherheitssteuerung der Ausgangsspannungen wird durch die Schütz-Sicherheitsabschaltung
CSB (Contactor Based Safety Breaker) realisiert, die aus zwei funktionalen Einheiten besteht:
1. Schützsicherheitsabschaltung (CSB)
2. Pre-/Discharge Board –A2 zur Überwachung und Ladestromdämpfung der Hauptachsen
Die Einheit bietet folgende Funktionalität:
●
Sicherheitssteuerung für Ausgangsspannungen 300/160/42 und 24 V
●
Vorladen externer Kapazitäten (300 und 160V-Leitungen) innerhalb 1 sec., um unzulässige
Strombelastungen beim Zuschalten von Ausgangsspannungen zu verhindern.
●
Entladen externer Kapazitäten (300 und 160V-Leitungen) innerhalb 1sec., auf einen Wert
unter 60V beim Ausschalten von Ausgangsspannungen.
●
Signalisierung des Status an die Sicherungsdiagnose-Einheit auf der FD.A1.
●
Signal "Power enabled" an MGCU, HCU und Transporteinheiten.
Die Einheit besteht aus einer Grundplatte mit Schützen und Verdrahtung und darüber eine LP mit
allen Anschlüssen und Schnittstellen.
VORSICHT
Im Fehlerfall muss die gesamte Einheit ausgetauscht werden.
CSB-Baugruppe (Sicherheitsrelais)