00198170-03_Technical_Training_FSE_TX-Series_DE - 第64页
5 Bauelementebereitstellung 5.8 BE-Bereitstellung - Pneumatik & Elektrik 64 Technisches Training FSE SIPLACE TX-Series 08/2018 5.8 BE-Bereitstellung - Pneumatik & Elektrik 5.8.1 Überblick Pneumatiksystem Pneumati…

5 Bauelementebereitstellung
5.7 Entsorgungsplatte TX
Technisches Training FSE SIPLACE TX-Series 08/2018 63
5.7 Entsorgungsplatte TX
Die Entsorgungsplatte ist eine Option für TX1- und TX2-Maschinen für Stellplatz 1. BEs mit
Vision-Fehlern können auf der Abwurfplatte abgelegt werden anstatt in den Abwurfbehälter
geworfen zu werden.
Die folgenden Informationen werden zu den abgeworfenen Bauelementen auf der
Abwurfplatte angezeigt:
●
Position des Bauelements auf der Entsorgungsplatte
●
Abholposition, von der das Bauelement abgeholt wurde (wenn ein Bauelement aus einem
Flächenmagazin abgeholt wurde, wird nur die Ebene und Magazinnummer angezeigt und
nicht die Abholposition im Magazin!)
●
Zugehöriger Vision Dump
●
Bauelemente Name
●
Gehäuseform
Wenn eine Abwurfplatte eingebaut ist, muss sie in der Stationssoftware konfiguriert werden.
Die Funktion muss in SIPLACE Pro für das jeweilige Bauelement / die jeweilige Gehäuseform
aktiviert werden.
Der Bediener kann das Entfernen des Bauelements von der Entsorgungsplatte mit der Schaltfläche
"Component has been removed from reject plate" bestätigen. Die Bestätigung muss für jedes
Bauelement gemacht werden.

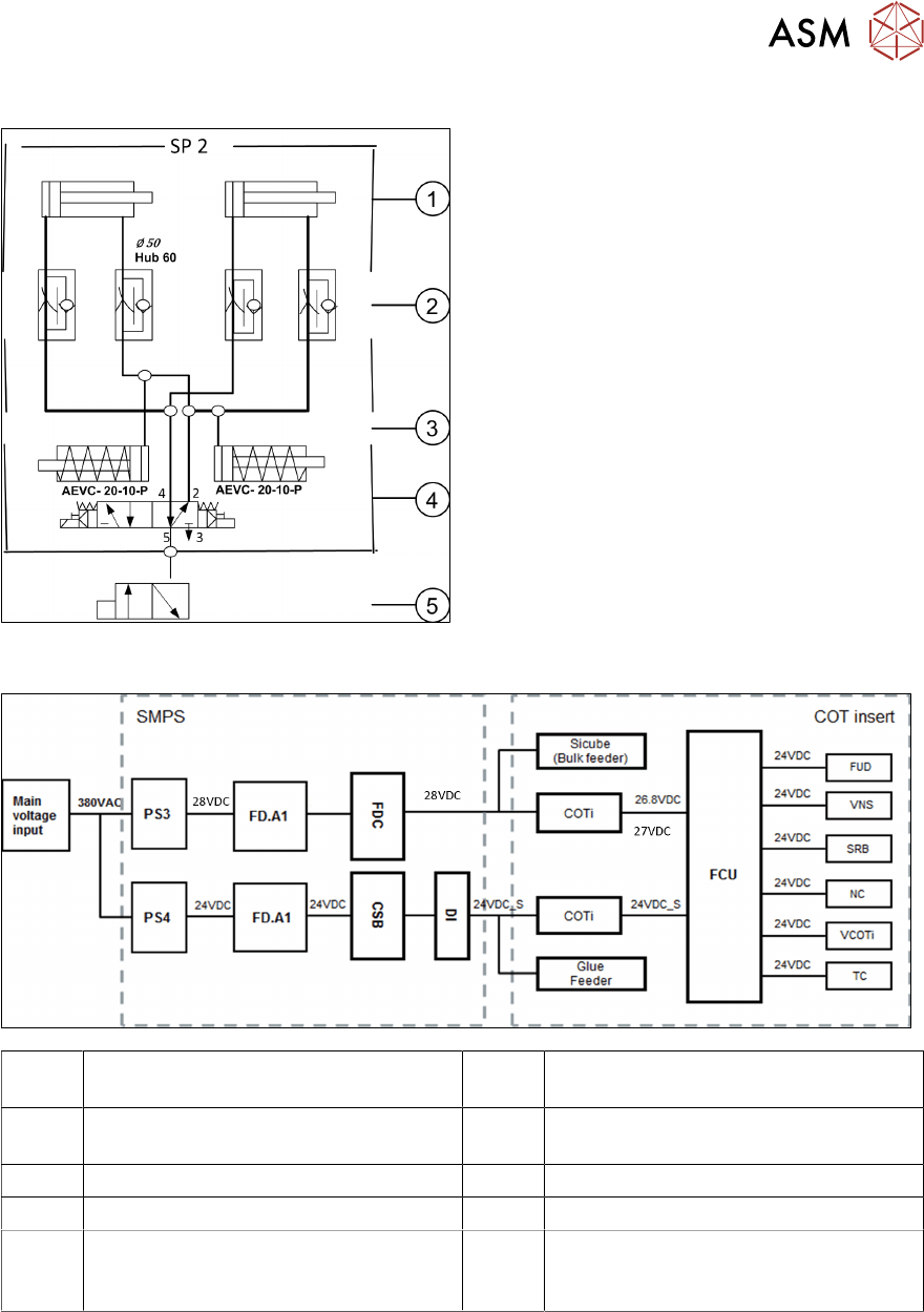
5 Bauelementebereitstellung
5.8 BE-Bereitstellung - Pneumatik & Elektrik
64 Technisches Training FSE SIPLACE TX-Series 08/2018
5.8 BE-Bereitstellung - Pneumatik & Elektrik
5.8.1 Überblick Pneumatiksystem
Pneumatik des Gurtschneiders
1. Antriebszylinder für
Schneidmesserbewegung 40mm Hub
2. Einstellbare Rückschlagdrosseln am
Pneumatikzylinder. Die Zeiten können in
der Stationssoftware geprüft werden.
Lesen Sie dazu auch die Serviceanleitung.
3. 5/2-Wege Magnetventile
4. 5,1 bar Druckluftversorgung
Schneidgerät nur bei eingeschaltetem
Steuerungssystem aktiv.

5 Bauelementebereitstellung
5.8 BE-Bereitstellung - Pneumatik & Elektrik
Technisches Training FSE SIPLACE TX-Series 08/2018 65
Pneumatik der Docking Unit
1. Antriebszylinder für die
Kurvenscheibenbewegung.
2. Drosselventile zum Einstellen der
Geschwindigkeit sollten ca. 2-3 Sekunden
für das An- und Abdocken benötigen.
3. Pneumatikzylinder für den Tischausstoß
während des Abdockvorgangs.
4. 5/2-Wegeventil zur Steuerung der
Antriebszylinder
5. Sicherheitsventil gegen elektrische
Störungen
5.8.2 Elektrik - Übersicht
FD.A1 TX Sicherungs- / Anschlussplatine VNS (Valve Nozzle Station) Ventil
Pipettenstation
FDC (Fuse and Distribution Connector field)
Sicherungs- und Anschlussverteilerfeld
SRB (Sensor Reject Bin) Sensor
Abwurfbehälter
FCU Feeder-Control-Unit TC (Tape Cutter) Gurtschneider
COTi (COT insert) Einzugsrahmen NC (Nozzle Changer) Pipettenwechsler
FUD (Feeder Unlock Device)
Entriegelungsleiste für die
Zuführmodule
VCOTi (Valve COT-insert) Ventil
Einzugsrahmen