00198170-03_Technical_Training_FSE_TX-Series_DE - 第74页
7 Stromversorgung 7.9 Kabelbaumschnittstelle 118 Technisches Training FSE SIPLACE TX-Series 08/2018 7.9 Kabelbaumschnittstelle Sicherungs- & Anschlussverteilerfeld (Fuse & Distribution Connector field - FDC)) 1. …

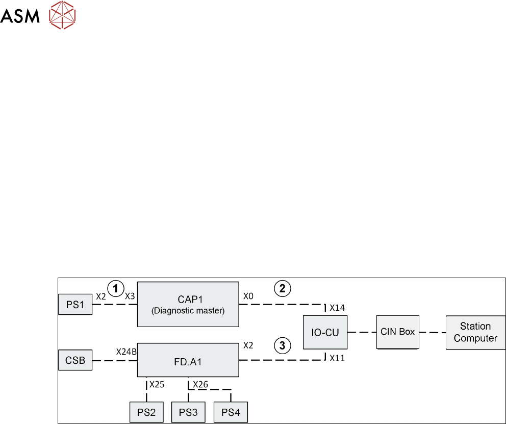
7 Stromversorgung
7.7 SMPS-Diagnose
114 Technisches Training FSE SIPLACE TX-Series 08/2018
7.7 SMPS-Diagnose
Die Diagnosefunktionin der Stationssoftware ermöglicht eine problemlose Überwachung des
Maschinenspannungsstatus.
Folgende Analyse- bzw. Überwachungsmöglichkeiten sind möglich:
●
Überwachung des Netzteils PS1 und der Pufferbatterie CAP
●
Überwachung der Sicherheitszustände auf der CSB
●
Überwachung der Zwischenkreisspannungen Bestückköpfe 160VDC auf der FD-Platine
●
Überwachung der Spannungen 42VDC / 28VDC / 24VDC auf der FD-Platine
Für die Überwachung der Netzteilspannungen und der Sicherungen auf CAP und FD-Platine
stehen zwei zusätzliche Diagnosekreise innerhalb der SMPS zur Verfügung. Die beiden
Diagnosekreise sind auf der IOCU kombiniert und werden von dort an den Stationsrechner
übertragen.
Die Verbindungen 1, 2 und 3 dienen rein zur Weitergabe der Diagnosedaten und sind somit
zwingend notwendig, um eine Funktion der Diagnose zu gewährleisten.
●
Damit die Diagnose GUI funktioniert, muss die SMPS korrekt verkabelt sein. Stellen Sie zur
Fehlerbehebung sicher, dass alle Kabel korrekt angeschlossen sind. Werden keine
Diagnosedaten der Kondensatorbatterie von der Maschinensteuerung empfangen
(Funktionsstörung bzw. fehlende Kabelverbindung), wird auch keine Diagnoseinformation der
FD-Platine angezeigt!
Der Diagnostics Master ist ein fester Bestandteil in der CAP1 und wertet sämtliche zur Diagnose
notwendigen Informationen der Gesamtbaugruppe PS1-CAP1 aus.
Ebenso werden die Daten der Pufferbatterie CAP1 (Ladungszustand, Temperatur, Pufferkapazität,
Arbeitszeit) vom Diagnostic Master abgefragt.
Auf der FD.A1 laufen sämtliche Diagnosedaten der Kleinspannungsüberwachung (von PS2 / PS3 /
PS4 / Sicherungen auf FD) und Sicherheitslogik (von CSP) zusammen. Von der FD werden dann
die Diagnosedaten an die IOCU weitergegeben.
Auch wird die Information über die 160VDC für die Zwischenkreisspannung Bestückköpfe
abgefragt. Dies erfolgt über die Logik an den Sicherungen F19 und F20.

7 Stromversorgung
7.9 Kabelbaumschnittstelle
118 Technisches Training FSE SIPLACE TX-Series 08/2018
7.9 Kabelbaumschnittstelle
Sicherungs- & Anschlussverteilerfeld (Fuse & Distribution Connector field - FDC))
1. -X5 Mate.-N-Look 9pol FDJ 1&2 DC 27 V
2. -X8 Mini-Mate.-N-Look 6pol DC 24/ 48 V IC & FC-Kamera
3. -X9 Mini-Mate.-N-Look 6pol DC 24 V/ PCI & Monitor
4. -X14 Mate.-N-Look 9pol Conveyor
5. -X11 Mini-Mate.-N-Look 6pol Schlepp-Interface 1
6. -X12 Mini-Mate.-N-look 6pol Schlepp-Interface 2
7. -X8A Mate.-N-Look 6pol Schlepp-Interface 1 & 160V
8. -X8B Mate.-N-Look 6pol Schlepp-Interface 2 & 160V
ELS
1. -CAN1 Sub D 9pol
2. -CAN2 Sub D 9pol
3. -CAN3 Sub D 9pol
4. -CAN4 Sub D 9pol
5. PEMS PEMS
6. -X102 Mate.-N-Look 4pol AC 400 V Spannungsversorgung
Distributor-Anschlussfeld (Distributor Connector Field (DIC))
1. -X23 Mini-Mate.-N-Look 15pol Steuerungselemente 1
2. -X24 Mini-Mate.-N-Look 15pol Steuerungselemente 2
3. -X26 Mini-Mate.-N-Look 12pol Steuerungselemente Haube 1
4. -X27 Mini-Mate.-N-Look 12pol Steuerungselemente Haube 2
5. -X28 Mini-Mate.-N-Look 15pol BE-Einzug 1 Signalisierung & Sicherheit
6. -X29 Mini-Mate.-N-Look 15pol BE-Einzug 2 Signalisierung & Sicherheit
7. -X30 Mini-Mate.-N-Look 12pol Steuerung Vakuumpumpe Steuerung
Innenraumbeleuchtung
8. -X31 Mini-Mate.-N-Look 12pol Pneumatik Hauptsystem
9. -X32 Mini-Mate.-N-Look 9pol Steuerung Vakuumpumpe Steuerung
Innenraumbeleuchtung
10. -X33 Mini-Mate.-N-Look 12pol Reserviert E/A & optional
11. -X34 Mini-Mate.-N-Look 9pol Lüftersteuerung & Überwachung 1
12. -X35 Mini-Mate.-N-Look 9pol Lüftersteuerung & Überwachung 2
13. -X36 Mini-Mate.-N-Look 12pol Sicherheitskeis Klappe Transportverlängerung
14. -X37 Mini-Mate.-N-Look 15pol Reserve E/A & V3-Anschluss
15. -X19 Mini-Mate.-N-Look 4pol RS485 FU

7 Stromversorgung
7.11 Analyse - Liste allgemeiner Fehler
Technisches Training FSE SIPLACE TX-Series 08/2018 123
Fehler Mögliche Ursache Aktion
Kurze Reaktion der
CSB nach Drücken des
Start-Tasters.
●
Vorladestrom bei 300VDC
Zwischenkreisspannung
prüfen.
Wenn kein Vorladestrom anliegt
(max. 10A):
●
GND-Verbindung der CSB
prüfen.
Fehlt GND-Verbindung der
CSB-LP?
●
Verbinden Sie die
Anschlussklemme mit der
GND-Klemme der CSB.
Wenn keine GND-Verbindung
besteht:
→ interner Defekt der CSB;
●
Einheit austauschen.
Überlast oder Kurzschluss bei
160VDC Ausgang
Zwischenkreisspannung?
●
X24B entfernen und
versuchen zu starten.
Wenn Start jetzt funktioniert,
beheben Sie die Kurzschluss-
Ursachen im 160VDC-Zweig der
Zwischenkreisspannung.
Überlast oder Kurzschluss bei
300VDC Zwischenkreisspannung?
●
X21 und X22 entfernen und
versuchen zu starten.
Wenn Start jetzt funktioniert,
beheben Sie die Kurzschluss-
Ursachen im 300VDC-Zweig der
Zwischenkreisspannung.
Maschine besteht den
Referenzlauf, stoppt
aber zu Beginn des
Produktionslaufs.
MGCU-Fehlermeldung:
Unterspannungsfehler bei DC-
Zwischenkreisspannung?
●
Kapazitätswert der CAP-
Einheit (Service-Bildschirm
der Diagnosefunktionen)
prüfen, Wert muss > 30mF
sein.
Wenn Wert < 30 mF:
●
CAP-Einheit austauschen.
●
QT40.999-Fehlermeldungen
am Service-Bildschirm prüfen.
Wenn QT40-Fehler angezeigt wird:
●
QT40-Einheit austauschen.
Service-Bildschirm QT40-Einheit
●
Statusanzeigen an QT40-999
prüfen:
Grünes Licht (> 220V) sollte
während des Referenzlaufs
leuchten.
Rotes Licht sollte vorübergehend in
Portalbeschleunigungsphase
leuchten.