00196712-02_SM_SX4DX4_Kunde_de - 第274页
Platinenbeschreibung Portal 6.2.2 Kopf-Interface C700X-L/R 274 Serviceanleitung SIPLACE SX4/DX4 6.2.2 6 . 2 . 2 K o p f - I n t e r f a c e C 7 0 0 X - L / R Kopf-Interface C700X-L/R Kopf-Interface [0305506 7-xx] (Portal…

Platinenbeschreibung
6.2.1 Vision Hotlink Adapter [03050555-xx] Portal
Serviceanleitung SIPLACE SX4/DX4 273
6.2
6.2 Portal
Portal
6.2.1
6.2.1 Vision Hotlink Adapter [03050555-xx]
Vision Hotlink Adapter [03050555-xx]
03050555-01
LED [03050555-01]
LED Farbe Status Beschreibung
D1 GN ON +12 VDC
D8 RD ON CLKUSR Fehler
D9 GN ON +5 VDC
D10 GN OFF CRC_ERR

Platinenbeschreibung
Portal 6.2.2 Kopf-Interface C700X-L/R
274 Serviceanleitung SIPLACE SX4/DX4
6.2.2
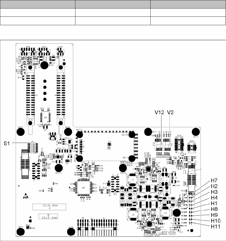
6.2.2 Kopf-Interface C700X-L/R
Kopf-Interface C700X-L/R
Kopf-Interface [03055067-xx] (Portal 1 und 3)
HINWEIS
2 Versionen
Je nach Portal kommen unterschiedliche Versionen des Kopf-Interface zum Einsatz. Die Ele-
mente auf diesen beiden Platinen sind spiegelverkehrt angeordnet. Die Funktion ist identisch.
► MODUL/Kopfinterface C700X-L [03055068Sxx] für Portal 1 und 3
► MODUL/Kopfinterface C700X-R [03055070Sxx] für Portal 2 und 4
HINWEIS
C&P20 P
Wird auf einen C&P20 P umgerüstet, dann muss das Kopfinterface mindestens Funktionsstand
-05 haben.
1 DIP-Schalterblock S1 2 LED H2-H11
3 Powercube X7 24V (Eingang 42 V) 4 DC/DC-Converter +15V, -15V, +5V, +3.3V,
+1.5V (Eingang 24 V vom Powercube)
5 X16 vom Temperatursensor X-Motor 6 X5 vom Visionboard (CAN_H/L)
7 X14, X15 (s. u.) 8 X3-X4 Flachbandleitungen vom Portalin-
terface
9 7-Segmentanzeige HCU 1(V12) und HCU2
(TWIN-Segment 2 – V2)
10 X1 Servicestecker

Platinenbeschreibung
6.2.2 Kopf-Interface C700X-L/R Portal
Serviceanleitung SIPLACE SX4/DX4 275
Steckerbelegung X14, X15
6.2.2.1
6.2.2.1 Kopfinterface C700X-L [03055068-xx]
Kopfinterface C700X-L [03055068-xx]
03055067-05
Stecker Bis Version -02 Ab Version -03
X14 Alter Inkrementalgeber Neuer Inkrementalgeber
X15 Teststecker Spursignale Alter Inkrementalgeber