NPM-D3A 电路图 - 第108页
PC Dual (Long) PC Dual (Short) Open flow Open ※) About PC Dual (Short) / PC Dual (Long) Transfer Specification Standard flow MOLEX 1B1223R 43025-0800 7 3 8 6 2 4 5 1 BN/WH BN YE/WH YE GN/WH GN BK/WH BK RD/WH RD N61015301…

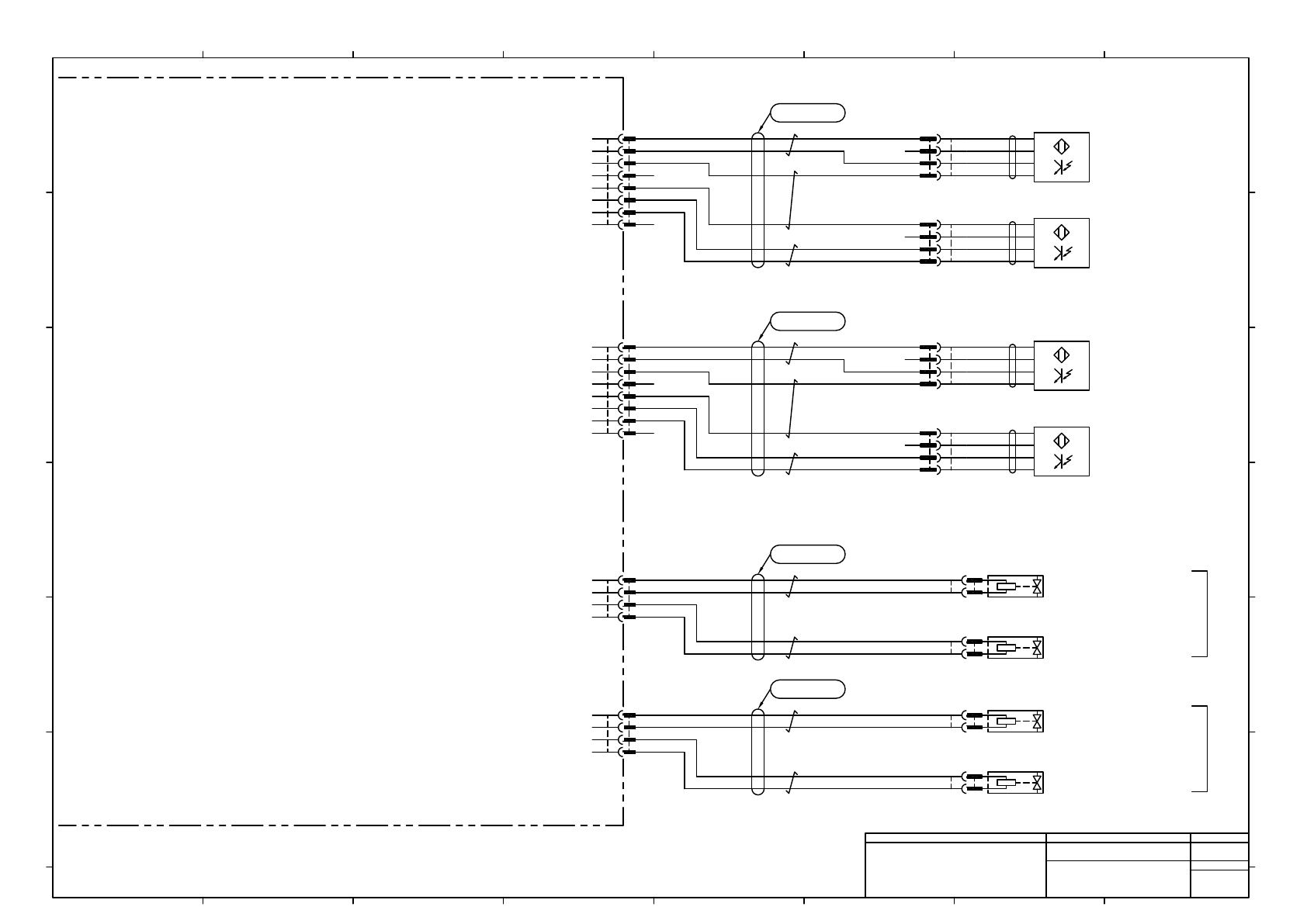
P24
OUT
IN
GND
1
2
3
4
-B1134
L2 PCB detection 1
(Mount position #2)
P24
OUT
IN
GND
1
2
3
4
-B1124
L2 PCB detection 4
(Mount position #2)
P24
OUT
IN
GND
1
2
3
4
-B1117
L2 PCB detection 5
(Mount position #2)
P24
OUT
IN
GND
1
2
3
4
-B1112
L2 PCB detection 2
(Mount position #2)
JST
B1134
PAP-04V-S
4
3
2
1
JST
B1112
PAP-04V-S
4
3
2
1
JST
B1124
PAP-04V-S
4
3
2
1
JST
B1117
PAP-04V-S
4
3
2
1
MOLEX
B1117R
43025-1600
1
2
3
4
5
6
7
8
9
10
11
12
13
14
15
16
OG/WH
OG
GY/WH
GY
BU/WH
BU
BN/WH
BN
YE/WH
YE
GN/WH
GN
BK/WH
BK
RD/WH
RD
N610156805AD
5
For B1117P
Main Body Wiring of NPM-D2 (P044)
Main Body Wiring of NPM-D3 (P036)
N610153347**:Main Body wiring:NPM-D2
N610159580**:Main Body wiring:NPM-D3
24VOUT
IN134
OT101
24GND
24VOUT
IN112
OT101
24GND
24VOUT
IN124
OT101
24GND
24VOUT
IN117
OT101
24GND
MOLEX
B1117P
43020-1600
16
15
14
13
12
11
10
9
8
7
6
5
4
3
2
1
4
2464C(BPF)VVP AWG#24×8P-B
6
2464-1061/ⅡA(PF) LF 8P×24AWG
4
UL2464 (SPV840) 8P×24AWG(11/0.16TA) LF BK
6
Panasonic Smart Factory Solutions Co.,Ltd. パナソニック スマートファクトリーソリューションズ株式会社
Name
Drawing No.
Loc. No.
F4K1020-05A
1
2 3 4 5 6 7 8
A
B
C
D
E
F
1 2 3 4 5 6 7 8
A
B
C
D
E
F
Page. No.
PC Dual Conveyor Wiring:NPM-D2
(Sensor wiring mount position L2)
N610152998+012AG
P012

PC Dual (Long)
PC Dual (Short)
Open
flow
Open
※) About PC Dual (Short) / PC Dual (Long) Transfer Specification
Standard flow
MOLEX
1B1223R
43025-0800
7
3
8
6
2
4
5
1
BN/WH
BN
YE/WH
YE
GN/WH
GN
BK/WH
BK
RD/WH
RD
N610153015AE
Sumitomo 3M
37103-3163-000FL
3
2
1
Sumitomo 3M
37103-3163-000FL
3
2
1
Sumitomo 3M
37103-3163-000FL
3
2
1
Transfer spec
bit1
Transfer spec
bit0
Transfer spec
bit2
Transfer spec
(direction of flow)
OPEN :Standard flow
SHORT:Reverse fiow
BU UL#24 80/300-0.2mm2
BU
UL#24 80/300-0.2mm2
BU
UL#24 80/300-0.2mm2
Sumitomo 3M
37103-3163-000FL
3
2
1
BU UL#24 80/300-0.2mm2
bit0
Sumitomo 3M
B1223P
37306-3163-0M0 FL
B3
B2
B1
A3
A2
A1
Sumitomo 3M
B1225P
37306-3163-0M0 FL
B3
B2
B1
A3
A2
A1
Sumitomo 3M
B1227P
37306-3163-0M0 FL
B3
B2
B1
A3
A2
A1
Sumitomo 3M
SPARE
37306-3163-0M0 FL
B3
B2
B1
A3
A2
A1
Transfer spec
bit3
4
bit1
Short
bit2
Short
bit3
Open
place1
Short
Open
Short
Open
place2 place3
Short Short Short Short
Open
Open Open
Transfer spec
place1
Transfer spec
place2
Transfer spec
place3
5
For 1B1223P
Main Body Wiring of NPM-D2 (P032)
Main Body Wiring of NPM-D3 (P038)
N610153347**:Main Body wiring:NPM-D2
N610159580**:Main Body wiring:NPM-D3
IN223
MOLEX
1B1223P
43020-0800
1
24GND
5
IN224
4
IN225
2
24GND
6
IN226
8
IN227
3
24GND
7
2464C(BPF)VVP AWG#24×5P-B
6
2464-1061/ⅡA(PF) LF 5P×24AWG
4
UL2464 (SPV840) 5P×24AWG(11/0.16TA) LF BK
6
Panasonic Smart Factory Solutions Co.,Ltd. パナソニック スマートファクトリーソリューションズ株式会社
Name
Drawing No.
Loc. No.
F4K1020-05A
1
2 3 4 5 6 7 8
A
B
C
D
E
F
1 2 3 4 5 6 7 8
A
B
C
D
E
F
Page. No.
PC Dual Conveyor Wiring:NPM-D2
(Transport spec setting)
N610152998+013AG
P013

P.C.B Support upper
(Mount position #1)
-R4134
P.C.B Support lower
(Mount position #1)
-R4135
P.C.B Support up
(Mount position #1)
P.C.B Support down
(Mount position #1)
-R4136
-R4137
P.C.B Support up
(Mount position #2)
P.C.B Support down
(Mount position #2)
P.C.B Support upper
(Mount position #2)
P.C.B Support lower
(Mount position #2)
-B1235
BN
BK
WH
BU
-B1236
BN
BK
WH
BU
-B1244
BN
BK
WH
BU
-B1245
BN
BK
WH
BU
L1
L2
MOLEX
1B1235P
43020-0800
8
7
6
5
4
3
2
1
MOLEX
1B1244P
43020-0800
8
7
6
5
4
3
2
1
MOLEX
R4134P
43020-0400
4
3
2
1
MOLEX
R4136P
43020-0400
4
3
2
1
AMP
B1235R
177900-1
4
3
2
1
AMP
B1236R
177900-1
4
3
2
1
AMP
B1244R
177900-1
4
3
2
1
AMP
B1245R
177900-1
4
3
2
1
AMP
B1235P
177908-1
4
3
2
1
AMP
B1236P
177908-1
4
3
2
1
AMP
B1244P
177908-1
4
3
2
1
AMP
B1245P
177908-1
4
3
2
1
CKD
R4134
4GR-SOCKET-E-100-FL644151
-
+
CKD
R4135
4GR-SOCKET-E-100-FL644151
-
+
CKD
R4136
4GR-SOCKET-E-100-FL644151
-
+
CKD
R4137
4GR-SOCKET-E-100-FL644151
-
+
GN/WH
GN
BK/WH
BK
RD/WH
RD
N610117284AD
BK/WH
BK
RD/WH
RD
N610117287AE
UL2464 (SPV840) 3P×24AWG(11/0.16TA) LF BK
GN/WH
GN
BK/WH
BK
RD/WH
RD
N610117285AD
UL2464 (SPV840) 2P×24AWG(11/0.16TA) LF BK
BK/WH
BK
RD/WH
RD
N610117288AE
6
For 1B1235R
Main Body Wiring of NPM-D2 (P050)
Main Body Wiring of NPM-D3 (P038)
N610153347**:Main Body wiring:NPM-D2
N610159580**:Main Body wiring:NPM-D3
For 1B1244R
Main Body Wiring of NPM-D2 (P050)
Main Body Wiring of NPM-D3 (P038)
For R4134R
Main Body Wiring of NPM-D2 (P042)
Main Body Wiring of NPM-D3 (P038)
For R4136R
Main Body Wiring of NPM-D2 (P042)
Main Body Wiring of NPM-D3 (P038)
24VOUT
N.C.
24VOUT
IN236
24GND
N.C.
MOLEX
1B1235R
43025-0800
8
7
6
5
4
1
MOLEX
1B1244R
43025-0800
8
6
7
5
4
1
MOLEX
R4134R
43025-0400
4
3
2
1
MOLEX
R4136R
43025-0400
4
3
2
1
24VOUT
OT134
24VOUT
OT135
24VOUT
OT136
24VOUT
OT137
24VOUT
IN234
24VOUT
24GND
IN245
IN233
24GND
IN235
2
3
2
3
24GND
IN244
2464C(BPF)VVP AWG#24×3P-B
5
7
7
5
5
5
6
7
7
6
7
7
4G-SOCKET-SET-FL388859
6
4G-SOCKET-SET-FL388859
6
4G-SOCKET-SET-FL388859
6
4G-SOCKET-SET-FL388859
6
UL2464 (SPV840) 3P×24AWG(11/0.16TA) LF BK
2464C(BPF)VVP AWG#24×3P-B
7
2464C(BPF)VVP AWG#24×2P-B
UL2464 (SPV840) 2P×24AWG(11/0.16TA) LF BK
7 2464C(BPF)VVP AWG#24×2P-B
Panasonic Smart Factory Solutions Co.,Ltd. パナソニック スマートファクトリーソリューションズ株式会社
Name
Drawing No.
Loc. No.
F4K1020-05A
1
2 3 4 5 6 7 8
A
B
C
D
E
F
1 2 3 4 5 6 7 8
A
B
C
D
E
F
Page. No.
PC Dual Conveyor Wiring:NPM-D2
(Under support I/O)
N610152998+014AH
P014