NPM-D3A 电路图 - 第124页
-A02 Power Unit 1 2 1 3 4 E2K503 1-179553-4 XMM503 AMP R1.25-4 JST X2B Motor Driver -K502 MEDHT7364NL3 Panasonic FY-Axis E1K503 N610159580** : Main Body Wiring : NPM-D3 1-178128-5 XAK503 AMP 1 2 3 4 5 1-178128-6 XBK503 A…

WH
WH
RD/GN
OG
BN
RD
OG/GR
OG/WH
OG/RD
OG/BK
RD/BK
BN/GR
RD/RD
BN/WH
BN/RD
BN/BK
RD/WH
WH
N510067887AA
2
3
16
4
17
26
13
6
19
5
18
7
20
8
21
9
22
10
23
11
24
12
HONDA
CN4K303
HDR-E26MSG1+
25
14
1
HDR-E26LPK+
15
1
14
25
HONDA
1B3001R
HDR-E26FSG1+
12
24
11
23
10
22
9
21
8
20
7
18
5
19
6
13
26
17
4
16
3
2
HDR-E26LPK+
15
J14J100605-00
CN4
Capture Board
14
25
12
24
11
23
10
22
9
21
8
20
7
18
5
19
6
13
1
26
17
4
16
3
15
2
GND
X0-
X0+
X1-
X1+
X2-
X2+
XCLK-
XCLK+
X3-
X3+
SERTC+
SERTC-
CC1-
CC1+
SERTFG-
SERTFG+
GND
GND/12V
GND/12V
CC2+
CC2-
CC3-
CC3+
CC4+
CC4-
-K303
PPRCAH
-A01
CPU Box
-B3001
Area Camera
14
2
15
3
16
4
17
5
18
6
19
7
20
9
22
8
21
13
1
26
10
23
11
24
12
25
GND
X0-
X0+
X1-
X1+
X2-
X2+
XCLK-
XCLK+
X3-
X3+
SERTC+
SERTC-
CC1-
CC+
SERTFG-
SERTFG+
GND
GND/12V
GND/12V
NC
NC
NC
NC
NC
NC
(Front)
FGC-8-M4
Kitagawa Industries
Note1) Connector pin arrangement is not sequential.
Note1)
MTNW000225AA
2
3
16
4
17
26
13
6
19
5
18
7
20
8
21
9
22
10
23
11
24
12
3M
1B3001P
SDR Plug
25
14
1
15
1
14
2
3M
B3001
SDR Plug
15
3
16
4
17
5
18
6
19
7
20
9
22
8
21
13
26
10
23
11
24
25
12
1SQ26-P1E6-P1C-036
Note1) Note1)
1
SEIWA
E04SR150718
Panasonic Smart Factory Solutions Co.,Ltd. パナソニック スマートファクトリーソリューションズ株式会社
Name
Drawing No.
Loc. No.
F4K1020-05A
1
2 3 4 5 6 7 8
A
B
C
D
E
F
1 2 3 4 5 6 7 8
A
B
C
D
E
F
Page. No.
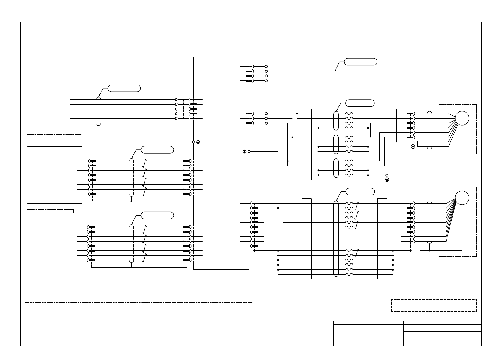
XY UNIT : NPM-D3
(Area Camera 1 Wiring)
N610157814+008AB
P008

-A02
Power Unit 1
2
1
3
4
E2K503
1-179553-4
XMM503
AMP
R1.25-4
JST
X2B
Motor Driver
-K502
MEDHT7364NL3
Panasonic
FY-Axis
E1K503
N610159580** : Main Body Wiring : NPM-D3
1-178128-5
XAK503
AMP
1
2
3
4
5
1-178128-6
XBK503
AMP
4
5
6
1
2
3
1
17JE-23090-02(D1)
XEM503
DDK
5
2
6
3
9
4
7
8
RX+
RX-
X2A
3
6
1
2
5
4
7
8
EX5V
EX0V
EXPS
/EXPS
EXA
/EXA
EXB
/EXB
EXZ
/EXZ
B1
B3
B2
U
V
W
1
2
3
4
5
6
7
8
9
10
6
5
4
3
2
1
5
4
3
2
1
X5
XB XA
L1
L2
L3
L1C
L2C
R1.25-4
JST
FGM503 FGK503
R2-4
JST
R2-4
JST
WH
BK
RD
BN
RMFEV-P(2517) AWG17/2C+AWG21/2C
WH
BK
RD
BN
RMFEV-P(2517) AWG17/2C+AWG21/2C
LB
VT
GY
PK
BK
GN
BU
YE
RD
BN
WH
OG
N610157826AD
N610157827AB
TDK
ZCAT3035-1330
N610157842AE
TX+
TX-
3
6
1
2
5
4
7
8
BN
BU
BK
WH
RD
GN/YE
HRZVV-SB-H(c2570) AWG17/4C+AWG19/2C
UL#16 105/600-1.25mm2
BK
JST
X5K503
MUF-PK10K-X
1
2
3
4
5
6
7
8
9
10
RMFEV-P(2517) AWG25/4P+AWG30/4C
MTNW000210AA
X2BK502
8
7
4
5
2
1
6
3
X2AK503
8
7
4
5
2
1
6
3
STPC26-5E(W)-S350C
GN
WH/GN
OG
WH/OG
BU
WH/BU
BN
WH/BN
RX-Axis
Motor Driver
-K503
MCDHT3520NL3
Panasonic (Motor)
SSG
Linear
1
5
2
6
3
9
4
7
8
RX-Axis Motor
SM
W
V
U
1
2
3
4
-M503
E
Note1) Connector pin arrangement is not sequential.
Note1)
Note1) Note1)
Note1)
Note1)
FG1K503
L113c1X1
L213c1X1
L313c1X1
L11c3X1
L31c4X1
Ec4X1
TDK
ZCAT3035-1330
(*1)
(*1)
This ferrite core is the same as that of the ferrite core
of the coordinates D-5 of P010.
5
6 7
7
Panasonic Smart Factory Solutions Co.,Ltd. パナソニック スマートファクトリーソリューションズ株式会社
Name
Drawing No.
Loc. No.
F4K1020-05A
1
2 3 4 5 6 7 8
A
B
C
D
E
F
1 2 3 4 5 6 7 8
A
B
C
D
E
F
Page. No.
XY UNIT : NPM-D3
(RX-Axis Wiring)
N610157814+009AH
P009

-A02
Power Unit 1
-K302
PNFCAC
-A01
CPU Box
CN4
Motor Driver
X2B
-K503
MCDHT3520NL3
Panasonic
RX-Axis
RD
WH
BK
BU
BN
R2-4
JST
E1K504
R5.5-4
JST
E2K504
N610159580** : Main Body Wiring : NPM-D3
NCIO Board
EM504
5.5-S4
JST
4XAK504(L2)
5XAK504(L1)
AI 2,5-12 BU
PHOENIX CONTACT
3XAK504(L3)
2XAK504(L1C)
AI 1-12 RD
1XAK504(L2C)
XAK504
05JFAT-SAXGSA-L
5
4
3
2
1
JST
GN/YE
WH
BK
RD
BN
RMFEV-P(2517) AWG17/2C+AWG21/2C
WH
BK
RD
BN
RMFEV-P(2517) AWG17/2C+AWG21/2C
WH
BK
RD
BN
RMFEV-P(2517) AWG17/2C+AWG21/2C
LB
VT
GY
PK
BK
GN
BU
YE
RD
BN
WH
OG
N610157828AC
SEIWA
E04SR200932
TDK
ZCAT3035-1330
TDK
ZCAT3035-1330
N610157843AD
TX+
TX-
3
6
1
2
5
4
7
8
RX+
RX-
3
6
1
2
5
4
7
8
AMP
YMM504
1-179555-3
B3
A3
B2
A2
B1
A1
DDK
YEM504
17JE-23090-02(D1)
8
7
4
9
3
6
2
5
1
RMFEV-P(2517) AWG25/4P+AWG30/4C
JST
X5K504
MUF-PK10K-X
1
2
3
4
5
6
7
8
9
10
HRZVV-SB-H(c2570) AWG15/4C+AWG19/2C
2XBK504(V)
1XBK504(W)
3XBK504(U)
AI-TWIN 2×1,5-12 BK
PHOENIX CONTACT
XBK504
03JFAT-SAXGSA-L
3
2
1
JST
2XCK504(B2)
AI1.5-10BK
PHOENIX CONTACT
3
2
JST
4
1
04JFAT-SAXGSA-L
XCK504
3XCK504(B3)
UL#16 105/600-1.25mm2 BK
N610161319AD
MTNW000159AA
MTNW000206AA
STPC26-5E(W)-S020C
GN
WH/GN
OG
WH/OG
BU
WH/BU
BN
WH/BN
X2BK503
8
7
4
5
2
1
6
3
X2AK504
8
7
4
5
2
1
6
3
CN4K302
8
7
4
5
2
1
6
3
X2BK504
8
7
4
5
2
1
6
3
STPC26-5E(W)-S260C
GN
WH/GN
OG
WH/OG
BU
WH/BU
BN
WH/BN
3
6
1
2
5
4
7
8
X2B
TX+
TX-
RX+
RX-
X2A
3
6
1
2
5
4
7
8
1
2
3
4
3
2
1
5
4
3
2
1
XB
XC
NC
B2
B3
B1
U
V
W
EX5V
EX0V
EXPS
/EXPS
EXA
/EXA
EXB
/EXB
EXZ
/EXZ
1
2
3
4
5
6
7
8
9
10
X5
L1
L2
L3
L1C
L2C
XA
-K504
MEDHT7364NL3
Panasonic (Motor)
RY-Axis
Motor Driver
RY-Axis Motor
1
5
2
6
3
9
4
7
8
W
V
U
W
V
SSG
SM
U
A1
B1
A2
B2
A3
B3
Linear
-M504
E
E
N610157829AB
Note1) Connector pin arrangement is not sequential.
Note1)
Note1)
Note1)
Note1) Note1)
Note1) Note1)
4
L113b1X1
L213b1X1
L313b1X1
L31c5X1
L11c4X1
FG1K504
Eb4X1
TDK
ZCAT3035-1330
(*1)
(*1)
This ferrite core is the same as that of the ferrite core
of the coordinates C-6 of P009.
5
6
6
6
Panasonic Smart Factory Solutions Co.,Ltd. パナソニック スマートファクトリーソリューションズ株式会社
Name
Drawing No.
Loc. No.
F4K1020-05A
1
2 3 4 5 6 7 8
A
B
C
D
E
F
1 2 3 4 5 6 7 8
A
B
C
D
E
F
Page. No.
XY UNIT : NPM-D3
(RY-Axis Wiring)
N610157814+010AG
P010