NPM-D3A 电路图 - 第167页
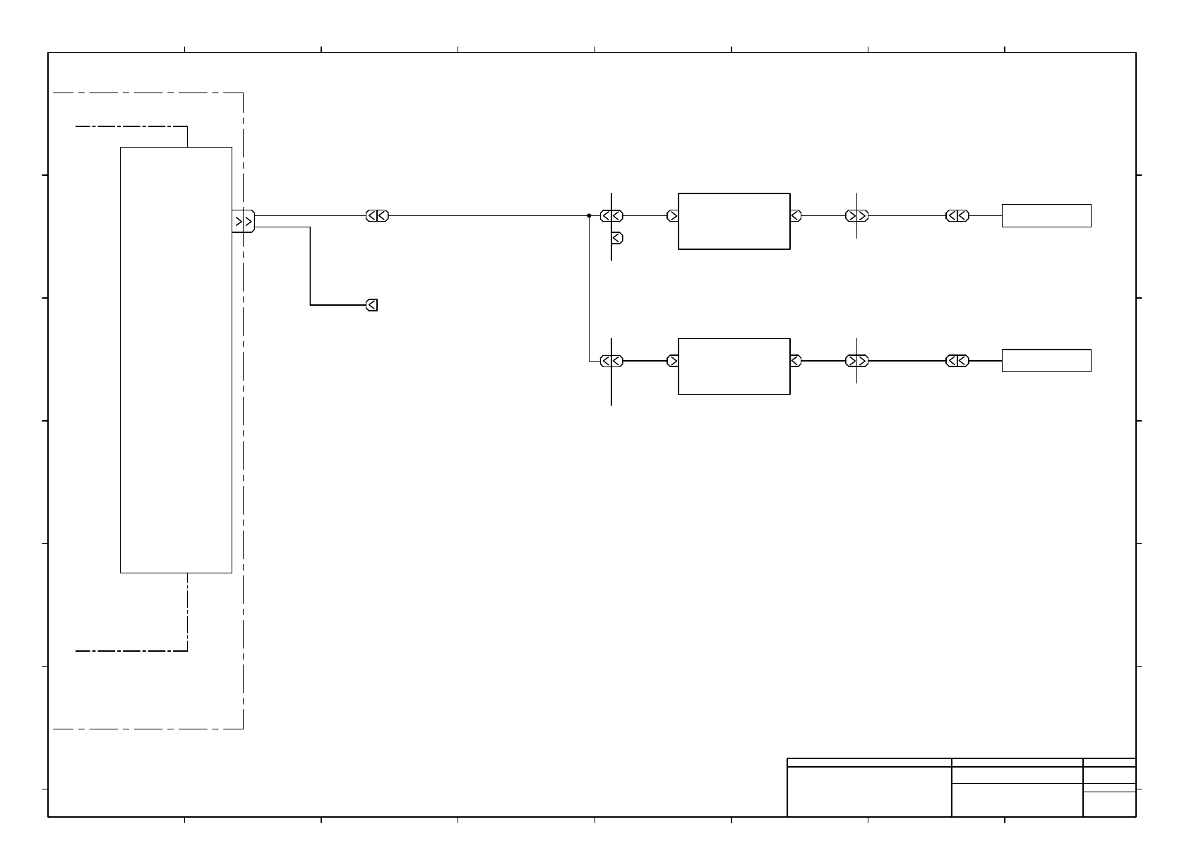
CNLED Power Unit -A02 PNF0B4 ILK Board -K321 -B2004 DIGITAL TRANSDUCER INDICATOR TD-700T/TEAC Load Cell (Front Side) -B4001 Option for Motor Driven PCB Holder -B2005 DIGITAL TRANSDUCER INDICATOR TD-700T/TEAC Load Cell (R…

CNLED
Power Unit
-A02
PNF0B4
ILK Board
-K321
-B2004
DIGITAL TRANSDUCER
INDICATOR
TD-700T/TEAC
Load Cell (Front Side)
-B4001
Option
for Motor Driven PCB Holder
-B2005
DIGITAL TRANSDUCER
INDICATOR
TD-700T/TEAC
Load Cell (Rear Side)
-B4002
If one side only,"another side connector" is connected to "SPARE"
Note1)
Note1)
N610159580** : Main Body Wiring:NPM-D3
SPARE
Panasonic Smart Factory Solutions Co.,Ltd. パナソニック スマートファクトリーソリューションズ株式会社
Name
Drawing No.
Loc. No.
F4K1020-05A
1
2 3 4 5 6 7 8
A
B
C
D
E
F
1 2 3 4 5 6 7 8
A
B
C
D
E
F
Page. No.
Load Checker(Machine Wiring):NPM-D3
(Block Diagram)
MTKA016074+002AA
P002

CNLED
ILK Board
-K321
PNF0B4
-A02
Power Unit
Digital Transducer
Indicator
27
28
FK1.25-M4
JST
25
26
MOLEX
CNLEDK321
43025-1000
1
2
3
4
5
6
7
8
9
10 10
9
8
7
6
5
4
3
2
1
24VOUT
24GND
GND
D+LED0
D-LED0
+
FK1.25-MS3
JST
-
FG
DG(SG)
DA(A-)
DB(B+)
SLD(TRM)
DC +
DC -
FG
24VOUT
24GND
GND
D+LED1
D-LED1
MTKC008933AA
-B2004
TD700T
TEAC
MTKC003587AA
2464C(BPF)VVP AWG#24X3P-B
GN/WH
GN
RD/WH
RD
BK/WH
BK
UL1007 24AWG BU
R1.25-4
JST
MOLEX
1B2004P/1B2005P
5559-06P-210
6
5
4
3
2
1
MOLEX
1B2004R
5557-06R-210
6
5
4
3
2
1
FG1B2004/1B2005
MOLEX
1B2005R
5557-06R-210
6
5
4
3
2
1
UL1007 24AWG BU
UL1007 24AWG BU
UL1007 24AWG BU
UL1007 24AWG BU
UL1007 24AWG BU
MOLEX
RS485#3P
43020-0600
6
5
4
3
2
1
UL1007 24AWG BU
UL1007 24AWG BU
UL1007 24AWG BU
UL1007 24AWG BU
UL1007 24AWG BU
MTKC003580AA
MOLEX
RS485#2R
43025-0800
8
7
6
5
4
3
2
1
MOLEX
RS485#2P
43020-0800
8
7
6
5
4
3
2
1
2464C(BPF)VVP AWG#24X3P-B
GN/WH
GN
RD/WH
RD
BK/WH
BK
2464C(BPF)VVP AWG#24X3P-B
GN/WH
GN
RD/WH
RD
BK/WH
BK
MOLEX
SPARE
5559-06P-210
6
5
4
3
2
1
Front Side
Digital Transducer
Indicator
27
28
FK1.25-M4
JST
25
26
+
FK1.25-MS3
JST
-
FG
DG(SG)
DA(A-)
DB(B+)
SLD(TRM)
DC +
DC -
FG
MTKC008933AA
-B2005
TD700T
TEAC
UL1007 24AWG BU
R1.25-4
JST
MOLEX
1B2004P/1B2005P
5559-06P-210
6
5
4
3
2
1
FG1B2004/1B2005
2464C(BPF)VVP AWG#24X3P-B
GN/WH
GN
RD/WH
RD
BK/WH
BK
Rear Side
If one side only,
"another side connector"
is connected to "SPARE"
MTKA016085** : Load Checker AMP Unit(H)
MTKA016085** : Load Checker AMP Unit(H)
Panasonic Smart Factory Solutions Co.,Ltd. パナソニック スマートファクトリーソリューションズ株式会社
Name
Drawing No.
Loc. No.
F4K1020-05A
1
2 3 4 5 6 7 8
A
B
C
D
E
F
1 2 3 4 5 6 7 8
A
B
C
D
E
F
Page. No.
Load Checker(Machine Wiring):NPM-D3
(Control Wiring)
MTKA016074+003AA
P003