NPM-D3A 电路图 - 第194页
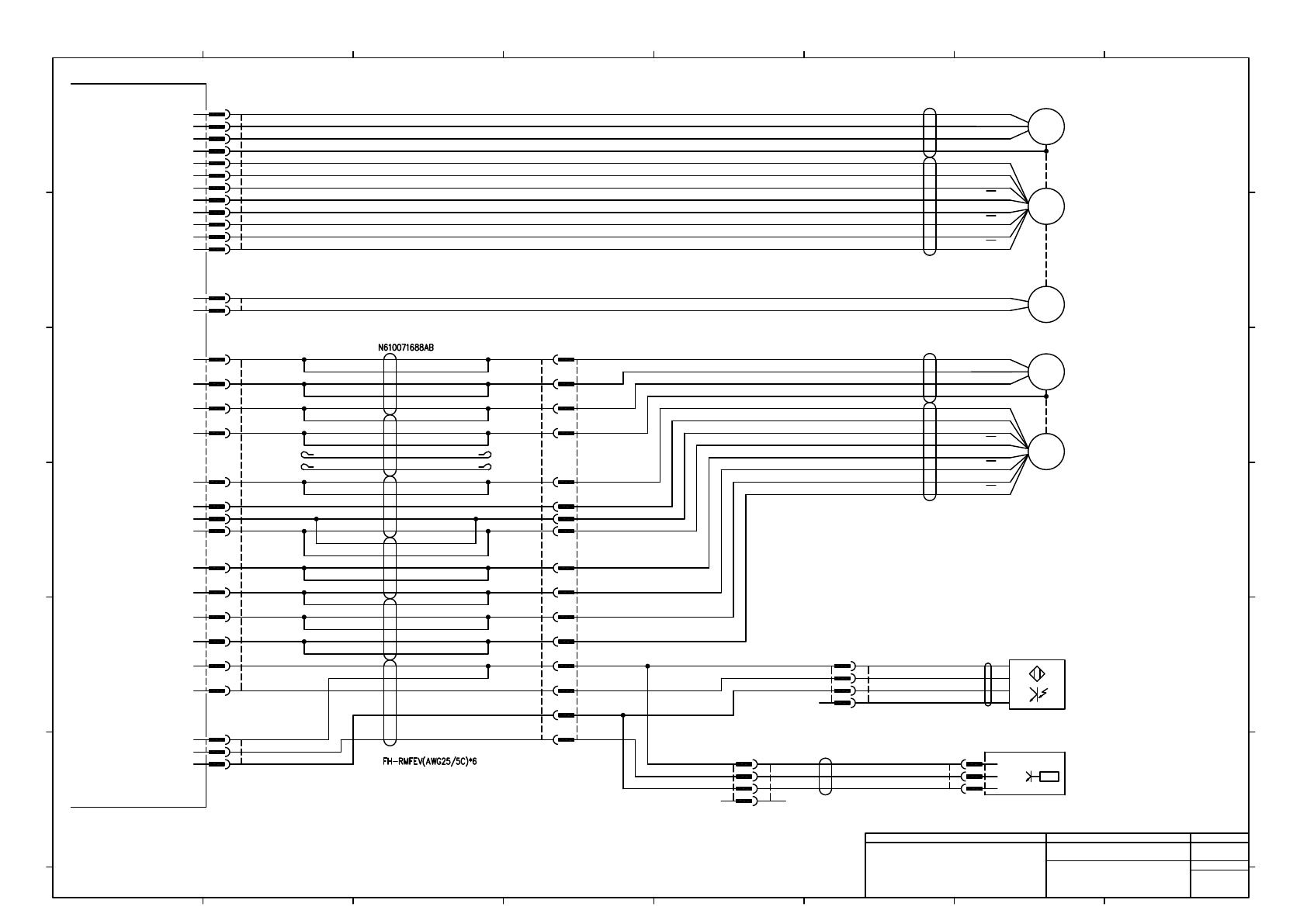
-K301 PMC0AF θ2-Axis θ2軸 43025-0200 C5 MOLEX 1 2 Z2-Axis Z2軸 CN1 1 7 8 2 V 9 3 4 10 U FG W VDD A /A B 5 11 6 12 /B Z GND 10 4 3 9 2 8 7 1 43025-1200 CN1K301 MOLEX 12 6 11 5 /Z CN5 1 2 A-BRAKE PV24 Z2-Axis Cushion End Z2軸…

-K301
PMC0AF
CN4
1
8
U
V
θ1-Axis
θ1軸
43025-0200
C6
MOLEX
1
2
Z1-Axis
Z1軸
CN3
1
7
8
2
V
9
3
4
10
U
FG
W
VDD
A
/A
B
5
11
6
12
/B
Z
GND
10
4
3
9
2
8
7
1
43025-1200
CN3K301
MOLEX
12
6
11
5
/Z
CN6
1
2
A-BRAKE
PV24
43020-1600
T1PM401
MOLEX
1
9
10
2
11
3
4
12
5
13
6
14
7
8
15
16
502380-0300
CN20K301
MOLEX
2
1
CN20
1
2
3
9
2
W
FG
10
3
VDD
GND
4
11
A
/A
5
12
B
/B
6
13
Z
/Z
14
7
PV24
CEND1
Z1-Axis Cushion End
Z1軸 クッションエンド
4
3
2
1
43025-0400
Z1
MOLEX
43020-0400
Z1
MOLEX
1
2
3
4
A
A
B
B
Z
Z
EB
VDD
GND
U
V
W
FG
M
EN
-M403
RD
WH
BK
GY
RD
BK
BU
BN
GN
VT
WH
YE
BU
BU
Flow Sensor1
流量センサ1
BU
BK
BN
1 SHR-03V-S-B
1
JST
3
2
F
+V
OUT
0V
-B1001
N510034257AA
N510034256AA
N610066201AA
N510034274AA
-B1011
BN
BK
BU
WH
PV24
SENSOR1
13
5
12
4
3
11
2
10
9
1
43025-1600
T1RM401
MOLEX
8
7
14
6
15
16
12
5
11
4
3
10
2
9
8
1
7
14
13
6
43025-1400
CN4K301
MOLEX
4
3
2
1
43025-0400
F1
MOLEX
43020-0400
F1
MOLEX
1
2
3
4
BU
BK
RD
RD
BK
BU
A
A
B
B
Z
Z
EN
M
U
V
W
FG
VDD
GND
-M401
RD
WH
BK
GY
RD
BK
BU
BN
GN
VT
WH
YE
GND
3
4
4
4
4
4 4
4 4
(0.16mm2/5C)*6
5
6
6
Panasonic Smart Factory Solutions Co.,Ltd. パナソニック スマートファクトリーソリューションズ株式会社
Name
Drawing No.
Loc. No.
F4K1020-05A
1
2 3 4 5 6 7 8
A
B
C
D
E
F
1 2 3 4 5 6 7 8
A
B
C
D
E
F
Page. No.
NPM_2_NOZZLE HEAD
(Z1-axis,θ 1-axis WIRING)
N610066313+004AG
P004

-K301
PMC0AF
θ2-Axis
θ2軸
43025-0200
C5
MOLEX
1
2
Z2-Axis
Z2軸
CN1
1
7
8
2
V
9
3
4
10
U
FG
W
VDD
A
/A
B
5
11
6
12
/B
Z
GND
10
4
3
9
2
8
7
1
43025-1200
CN1K301
MOLEX
12
6
11
5
/Z
CN5
1
2
A-BRAKE
PV24
Z2-Axis Cushion End
Z2軸 クッションエンド
4
3
2
1
43025-0400
Z2
MOLEX
43020-0400
Z2
MOLEX
1
2
3
4
Flow Sensor2
流量センサ2
BU
BK
BN
1 SHR-03V-S-B
2
JST
3
2
F
+V
OUT
0V
-B1002
N510034257AA
N510034256AA
N610066201AA
N510034274AA
A
A
B
B
Z
Z
EB
VDD
GND
U
V
W
FG
M
EN
-M404
RD
WH
BK
GY
RD
BK
BU
BN
GN
VT
WH
YE
BU
BU
-B1012
BN
BK
BU
WH
CN2
1
8
U
V
43020-1600
T2PM402
MOLEX
1
9
10
2
11
3
4
12
5
13
6
14
7
8
15
16
9
2
W
FG
10
3
VDD
GND
4
11
A
/A
5
12
B
/B
6
13
Z
/Z
14
7
PV24
CEND2
13
5
12
4
3
11
2
10
9
1
43025-1600
T2RM402
MOLEX
8
7
14
6
15
16
12
5
11
4
3
10
2
9
8
1
7
14
13
6
43025-1400
CN2K301
MOLEX
502380-0300
CN21K301
MOLEX
2
1
CN21
1
2
3
PV24
SENSOR2
4
3
2
1
43025-0400
F2
MOLEX
43020-0400
F2
MOLEX
1
2
3
4
BU
BK
RD
RD
BK
BU
A
A
B
B
Z
Z
EN
M
U
V
W
FG
VDD
GND
-M402
RD
WH
BK
GY
RD
BK
BU
BN
GN
VT
WH
YE
3
GND
4
4
4
4
4 4
4 4
(0.16mm2/5C)*6
5
5
5
6
6
Panasonic Smart Factory Solutions Co.,Ltd. パナソニック スマートファクトリーソリューションズ株式会社
Name
Drawing No.
Loc. No.
F4K1020-05A
1
2 3 4 5 6 7 8
A
B
C
D
E
F
1 2 3 4 5 6 7 8
A
B
C
D
E
F
Page. No.
NPM_2_NOZZLE HEAD
(Z2-axis,θ2-axis WIRING)
N610066313+005AG
P005

1
-K301
PMC0AF
2
3
4
PAP-04V-S
CN12
JST
CN7
1
2
3
Z#1-OVR
+24 V
GND
CN9
1
2
3
Z#2-OVR
+24 V
GND
Z1-Axis Rough Origin
Z1軸 ラフ原点
Z2-Axis Rough Origin
Z2軸 ラフ原点
CN16
1
2
3
4
5
Electro-Pneumatic
Transducing Regulator
Load Control
搭載荷重コントロール電空レギュレータ
M
-G1001
FAN
RD
YE
BK
CN14
1
2
3
CPU Cooling FAN
CPU 冷却ファン
PAP-03V-S
CN14
JST
2
1
3
Blow valve1
ブローバルブ1
Blow valve2
ブローバルブ2
CN12
1
2
3
4
1
2
3
4
PAP-04V-S
CN10
JST
Vacuum Valve1
真空バルブ1
Vacuum Valve2
真空バルブ2
CN10
1
2
3
4
PV24
FANALM
BLOW2
FANON
BLOW1
VVALVE1
VVALVE2
+24 V
GND
REGV-OUT
NC
24 V
GND
SIG
MON
V
p
-B5001
RD
BK
WH
GN
N610066204AA
N610066205AA
N610066200AA
N610066202AA
-B1014
SENSOR
BN
WH
BU
BK
-B1014
SENSOR
BN
WH
BU
BK
NC
PAP-05V-S
CN16
JST
502380-0400
CN9
MOLEX
1
2
3
2
1
4
3
5
502380-0400
CN7
MOLEX
1
2
3
4
4
4
NC
NC
4
4
4
4
2
2
3
3
3
3
3
3
3
3
3
3
SMC
R3013R
SY100-29-1
-
+
RD
BK
+
-
SMC
R3014R
SY100-29-1
SMC
R3001R
SY100-29-1
-
+
+
-
SMC
R3002R
SY100-29-1
BK
RD
BK
RD
BK
RD
N610093036AA
N610093037AA
-R3013
-R3014
-R3001
-R3002
VQZ115R-
5LOZ1-M5-X550
VQZ115R-
5MOZ1-C6-X513
4
4
4
Panasonic Smart Factory Solutions Co.,Ltd. パナソニック スマートファクトリーソリューションズ株式
会社
Name
Drawing No.
Loc. No.
F4K1020-05A
1
2 3 4 5 6 7 8
A
B
C
D
E
F
1 2 3 4 5 6 7 8
A
B
C
D
E
F
Page. No.
NPM_2_NOZZLE HEAD
(SENSOR & VALVE WIRING)
N610066313+006AE