NPM-D3A 电路图 - 第203页
-K301 PNF0AT Tray control board -A05 Tray control unit TRYSON 1 2 3 4 TSONSW GND P-SFR(P24) TRYEMG 1 2 3 4 TEMGSW GND MDRSW 1 2 3 4 MDRSW GND EMGHST(P24) -S3334 HS6B-03B01 OG OG/WH IDEC 177900-1 MDRSW AMP 4 3 2 1 177900-…

-K402
MOTOR DRIVER
CNP3
1
2
3
-A05
Tray control unit
TP-axis
CN2
1
2
3
4
5
6
7
8
9
10
CNP3K402
54928-0310
U
V
W
MOLEX
2
1
3
4
36210-0100JL
CN2K402
3M JAPAN
5
6
7
8
9
10
9
5
4
2
1
6
3
8
7
172161-1
TPEM402
AMP
1-178128-4
TPMM402
AMP
4
3
2
1
1-179553-4
TPMM402
AMP
4
3
1
2
V-CNP3K402
U-CNP3K402
AI 1,5-10 BK
PHOENIX CONTACT
W-CNP3K402
N610070399AB
RMFEV-SB 0.2sq×6P
GY
PK
VT
WH
YE
GN
OG
BU
RD
LB
BN
1-172169-9
TPEM402
AMP
3
8
7
2
1
6
9
5
4
2
1
3
4
1-179553-4
TPM-P
AMP
1-178128-4
TPM-R
AMP
4
3
2
1
BK
BK
GN/YE
BK
FK1.25-4
JST
N610070398AA
RMFEV 1.25sq×4C
RD
BK
WH
GN (1.25mm2×4C)
BK (0.2mm2×6P)
2
3
AMP
1674320-1
9
7
8
4
5
1
2
6
3
9
7
8
4
5
1
2
6
3
SSG
JAE
JN4FT04SJ1
GN/YE
BK
WH
RD
1
2
3
4
1
2
3
4
SM
W
V
U
-M402
HF-MP23K-S23
MITSUBISHI ELECTRIC
3
NICHIFU
TMEE1.25-4
4
Panasonic Smart Factory Solutions Co.,Ltd. パナソニック スマートファクトリーソリューションズ株式会社
Name
Drawing No.
Loc. No.
F4K1020-05A
1
2 3 4 5 6 7 8
A
B
C
D
E
F
1 2 3 4 5 6 7 8
A
B
C
D
E
F
Page. No.
Tray Feeder Wiring
(TP-axis Motor wiring)
N610070389+005AE
P005

-K301
PNF0AT
Tray control board
-A05
Tray control unit
TRYSON
1
2
3
4
TSONSW
GND
P-SFR(P24)
TRYEMG
1
2
3
4
TEMGSW
GND
MDRSW
1
2
3
4
MDRSW
GND
EMGHST(P24)
-S3334
HS6B-03B01
OG
OG/WH
IDEC
177900-1
MDRSW
AMP
4
3
2
1
177900-1
TRYEMG
AMP
4
3
2
1
177900-1
TRYSON
AMP
4
3
2
1
BU
BU
BU
BU
Magazine door SW
マガジンドアSW
1
2
Panasonic Factory Solutions Co.,Ltd. パナソニック ファクトリーソリューションズ株式会社
Name
Drawing No.
Loc. No.
F4K1020-05A
1
2 3 4 5 6 7 8
A
B
C
D
E
F
1 2 3 4 5 6 7 8
A
B
C
D
E
F
Page. No.
Tray Feeder Wiring
(Switch wiring)
N610070389+006AC
P006

-K301
PNF0AT
Tray control board
-A05
Tray control unit
IN0
1
2
3
4
5
6
+24V
24G
IN600
IN601
IN602
IN603
IN1
1
2
3
4
5
6
+24V
24G
IN604
IN605
IN606
IN607
43025-0600
IN0K301
MOLEX
6
5
4
3
2
1
43025-0600
IN1K301
MOLEX
6
5
4
3
2
1
BN
YE/WH
YE
GN/WH
GN
RD/WH
RD
BK/WH
BK
-K302
EL16CX
Sensor connection board
IN
1
2
3
4
5
6
+24V
24G
B1300
B1301
B1330
B1331
#0
SEN0
1
2
3
1
2
3
177899-1
SEN0K302
AMP
TL +OVR
SEN1
1
2
3
1
2
3
177899-1
SEN1K302
AMP
TL -OVR
SEN2
1
2
3
1
2
3
177899-1
SEN2K302
AMP
Pallet
pull out check
SEN3
1
2
3
1
2
3
177899-1
SEN3K302
AMP
TP-axis
pallet check
BU
YE
BN
BK
WH
RD
GN
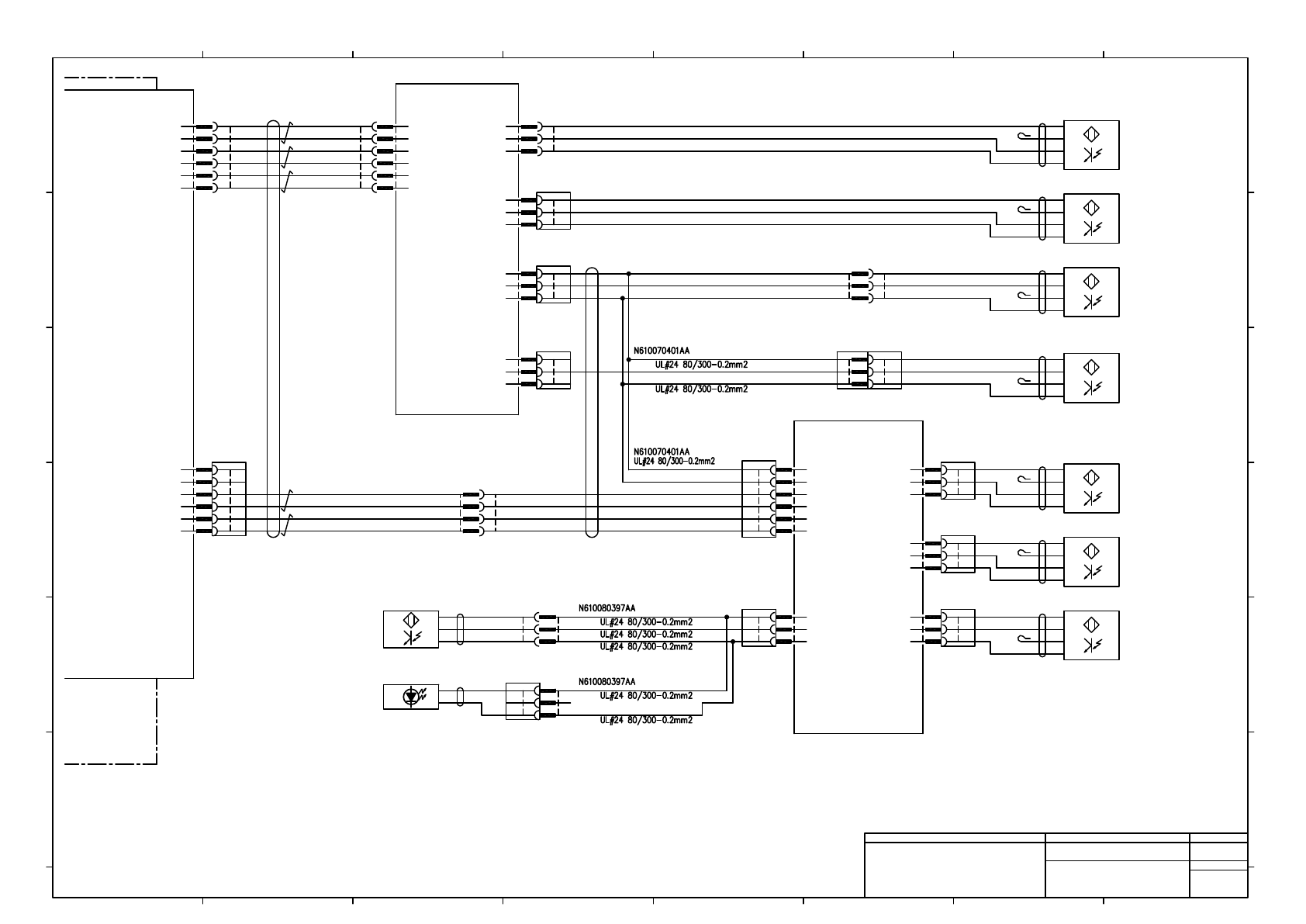
-K303
EL16CX
Sensor connection board
IN
1
2
3
4
5
6
+24V
24G
B1302
B1303
B1332
B1333
#1
SEN0
1
2
3
SEN1
1
2
3
SEN2
1
2
3
TP +OVR
1
2
3
177899-1
SEN0K303
AMP
1
2
3
177899-1
SEN1K303
AMP
TP-axis
Pull out position
1
2
3
177899-1
SEN2K303
AMP
1
2
3
177899-1
SEN3K303
AMP
4
3
2
1
177908-1
TP-P
AMP
1
2
3
4
177900-1
TP-R
AMP
BU
BU
BU
BU
TP軸引出し位置
引出軸パレット有無
パレット引出し確認
3
2
IL-GM-6S-S3C2
INK302
JAE
1
4
5
6
3
2
IL-GM-6S-S3C2
INK303
JAE
1
4
5
6
-B1300
BN
WH
BK
BU
-B1330
BN
WH
BK
BU
-B1331
BN
WH
BK
BU
N610070400AB
U-TKVV AWG24-5P
N610070401AA
RMFEV-0.2-8C
-B1301
BN
WH
BK
BU
-B1302
BN
WH
BK
BU
TP -OVR
-B1303
BN
WH
BK
BU
-B1332
BN
WH
BK
BU
1
1
1
1
1
1
1
3
2
177907-1
B1330P
AMP
1
3
2
177907-1
B1331P
AMP
1
177899-1
B1330R
AMP
3
2
1
177899-1
B1331R
AMP
3
2
1
TP-axis slote position
pallet check (Receive)
TP-axis slote position
pallet check (Projection)
TP軸スロット位置
パレット有無(受光部)
TP軸スロット位置
パレット有無(投光部)
3
2
177907-1
B1333P
AMP
1
177899-1
B1333R
AMP
3
2
1
3
2
177907-1
B1333TP
AMP
1
177899-1
B1333TR
AMP
3
2
1
BU
BU
BU
BU
BU
2
2
2
2
SEN3
1
2
3
-B1333
BN
BK
BU
-B1333T
BN
BU
2
2
2 2
2 2
2
2
2
2
2
2
2
BN/WH (0.2mm2-5P) OG (0.2mm2-8C)
3
3
Panasonic Factory Solutions Co.,Ltd. パナソニック ファクトリーソリューションズ株式会社
Name
Drawing No.
Loc. No.
F4K1020-05A
1
2 3 4 5 6 7 8
A
B
C
D
E
F
1 2 3 4 5 6 7 8
A
B
C
D
E
F
Page. No.
Tray Feeder Wiring
(TL,TP-axis sensor wiring)
N610070389+007AD
P007