NPM-D3A 电路图 - 第204页
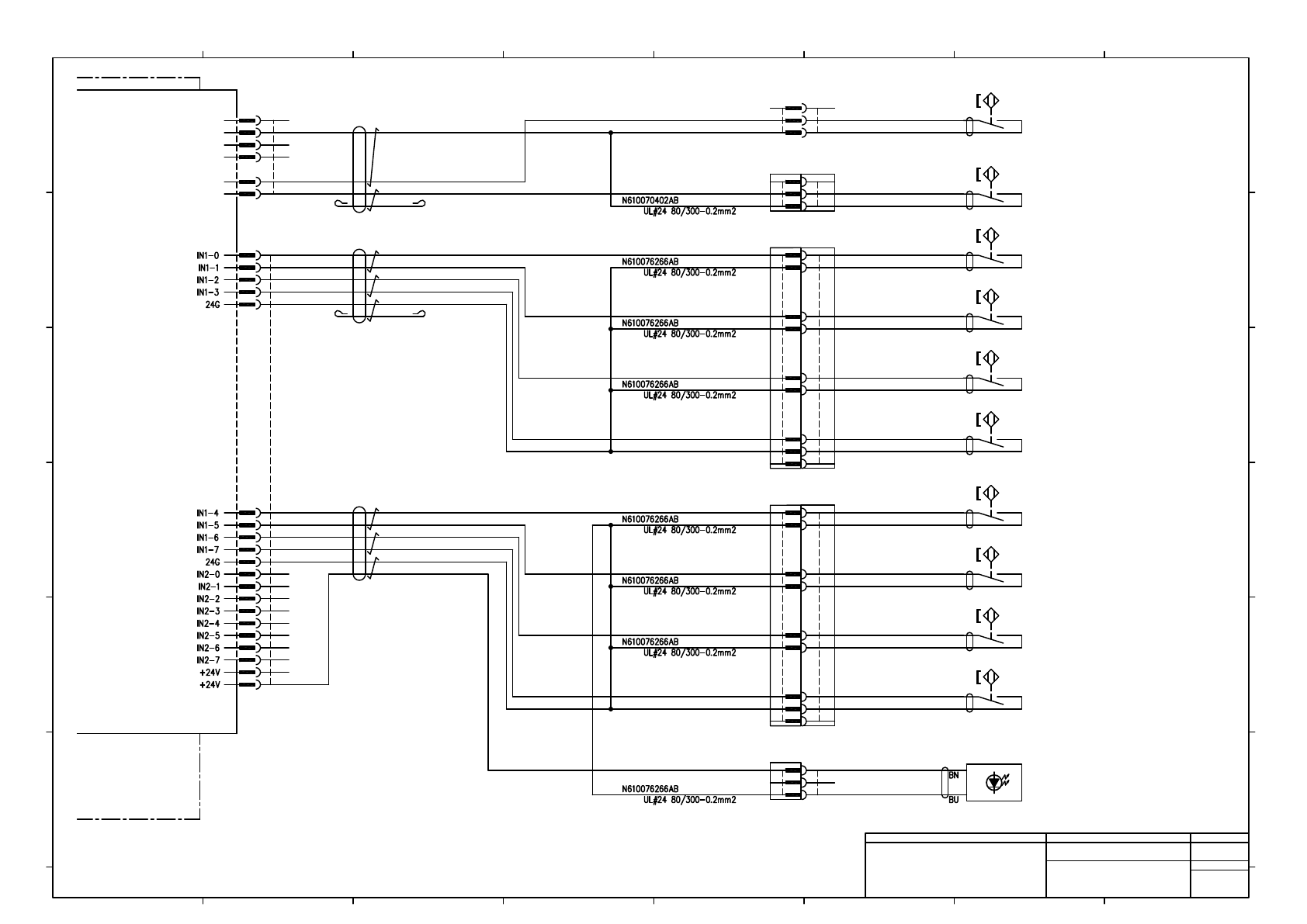
-K301 PNF0AT Tray control board -A05 Tray control unit IN0 1 2 3 4 5 6 +24V 24G IN600 IN601 IN602 IN603 IN1 1 2 3 4 5 6 +24V 24G IN604 IN605 IN606 IN607 43025-0600 IN0K301 MOLEX 6 5 4 3 2 1 43025-0600 IN1K301 MOLEX 6 5 4…

-K301
PNF0AT
Tray control board
-A05
Tray control unit
TRYSON
1
2
3
4
TSONSW
GND
P-SFR(P24)
TRYEMG
1
2
3
4
TEMGSW
GND
MDRSW
1
2
3
4
MDRSW
GND
EMGHST(P24)
-S3334
HS6B-03B01
OG
OG/WH
IDEC
177900-1
MDRSW
AMP
4
3
2
1
177900-1
TRYEMG
AMP
4
3
2
1
177900-1
TRYSON
AMP
4
3
2
1
BU
BU
BU
BU
Magazine door SW
マガジンドアSW
1
2
Panasonic Factory Solutions Co.,Ltd. パナソニック ファクトリーソリューションズ株式会社
Name
Drawing No.
Loc. No.
F4K1020-05A
1
2 3 4 5 6 7 8
A
B
C
D
E
F
1 2 3 4 5 6 7 8
A
B
C
D
E
F
Page. No.
Tray Feeder Wiring
(Switch wiring)
N610070389+006AC
P006

-K301
PNF0AT
Tray control board
-A05
Tray control unit
IN0
1
2
3
4
5
6
+24V
24G
IN600
IN601
IN602
IN603
IN1
1
2
3
4
5
6
+24V
24G
IN604
IN605
IN606
IN607
43025-0600
IN0K301
MOLEX
6
5
4
3
2
1
43025-0600
IN1K301
MOLEX
6
5
4
3
2
1
BN
YE/WH
YE
GN/WH
GN
RD/WH
RD
BK/WH
BK
-K302
EL16CX
Sensor connection board
IN
1
2
3
4
5
6
+24V
24G
B1300
B1301
B1330
B1331
#0
SEN0
1
2
3
1
2
3
177899-1
SEN0K302
AMP
TL +OVR
SEN1
1
2
3
1
2
3
177899-1
SEN1K302
AMP
TL -OVR
SEN2
1
2
3
1
2
3
177899-1
SEN2K302
AMP
Pallet
pull out check
SEN3
1
2
3
1
2
3
177899-1
SEN3K302
AMP
TP-axis
pallet check
BU
YE
BN
BK
WH
RD
GN
-K303
EL16CX
Sensor connection board
IN
1
2
3
4
5
6
+24V
24G
B1302
B1303
B1332
B1333
#1
SEN0
1
2
3
SEN1
1
2
3
SEN2
1
2
3
TP +OVR
1
2
3
177899-1
SEN0K303
AMP
1
2
3
177899-1
SEN1K303
AMP
TP-axis
Pull out position
1
2
3
177899-1
SEN2K303
AMP
1
2
3
177899-1
SEN3K303
AMP
4
3
2
1
177908-1
TP-P
AMP
1
2
3
4
177900-1
TP-R
AMP
BU
BU
BU
BU
TP軸引出し位置
引出軸パレット有無
パレット引出し確認
3
2
IL-GM-6S-S3C2
INK302
JAE
1
4
5
6
3
2
IL-GM-6S-S3C2
INK303
JAE
1
4
5
6
-B1300
BN
WH
BK
BU
-B1330
BN
WH
BK
BU
-B1331
BN
WH
BK
BU
N610070400AB
U-TKVV AWG24-5P
N610070401AA
RMFEV-0.2-8C
-B1301
BN
WH
BK
BU
-B1302
BN
WH
BK
BU
TP -OVR
-B1303
BN
WH
BK
BU
-B1332
BN
WH
BK
BU
1
1
1
1
1
1
1
3
2
177907-1
B1330P
AMP
1
3
2
177907-1
B1331P
AMP
1
177899-1
B1330R
AMP
3
2
1
177899-1
B1331R
AMP
3
2
1
TP-axis slote position
pallet check (Receive)
TP-axis slote position
pallet check (Projection)
TP軸スロット位置
パレット有無(受光部)
TP軸スロット位置
パレット有無(投光部)
3
2
177907-1
B1333P
AMP
1
177899-1
B1333R
AMP
3
2
1
3
2
177907-1
B1333TP
AMP
1
177899-1
B1333TR
AMP
3
2
1
BU
BU
BU
BU
BU
2
2
2
2
SEN3
1
2
3
-B1333
BN
BK
BU
-B1333T
BN
BU
2
2
2 2
2 2
2
2
2
2
2
2
2
BN/WH (0.2mm2-5P) OG (0.2mm2-8C)
3
3
Panasonic Factory Solutions Co.,Ltd. パナソニック ファクトリーソリューションズ株式会社
Name
Drawing No.
Loc. No.
F4K1020-05A
1
2 3 4 5 6 7 8
A
B
C
D
E
F
1 2 3 4 5 6 7 8
A
B
C
D
E
F
Page. No.
Tray Feeder Wiring
(TL,TP-axis sensor wiring)
N610070389+007AD
P007

-K301
PNF0AT
Tray control board
-A05
Tray control unit
IN2
1
2
3
4
5
6
+24V
24G
IN610
IN611
IN612
IN613
43025-0600
IN2K301
MOLEX
6
5
4
3
2
1
-B1352
BN
BU
9
8
7
177903-1
B1350R
AMP
6
5
4
3
2
1
177911-1
B1350P
AMP
1
2
3
4
5
6
7
8
9
[1]
Magazine shutter open
On the right
マガジンシャッター開右上
-B1350
BN
BU
[2]
Magazine shutter open
On the left
マガジンシャッター開左上
-B1353
BN
BU
[3]
Magazine shutter close
ON the right
マガジンシャッター閉右上
-B1351
BN
BU
[4]
Magazine shutter close
On the left
マガジンシャッター閉左上
BU
BU
-B1356
BN
BU
9
8
7
177903-1
B1354R
AMP
6
5
4
3
2
1
177911-1
B1354P
AMP
1
2
3
4
5
6
7
8
9
[1]
Magazine shutter open
the right under
マガジンシャッター開右下
-B1354
BN
BU
[2]
Magazine shutter open
the left under
マガジンシャッター開左下
-B1357
BN
BU
[3]
Magazine shutter close
the right under
マガジンシャッター閉右下
-B1355
BN
BU
[4]
Magazine shutter close
the left under
マガジンシャッター閉左下
-B1322
BN
BU
Supply side
shutter open
補給部シャッター開
-B1323
BN
BU
Supply side
shutter close
補給部シャッター閉
EXIN
1
2
3
4
9
17
18
43025-2000
EXINK301
MOLEX
1
2
3
4
5
6
7
8
9
10
11
12
13
14
15
16
19
20
3
2
177907-1
B1322P
AMP
1
177899-1
B1322R
AMP
3
2
1
BK
BK/WH
RD
N610070402AB
U-TKVV AWG24-2P
-B1324T
Pallet over flow check
(Projection)
パレットはみだし有無(投光部)
5
6
7
8
10
11
12
13
14
15
16
17
18
19
20
BK
BK/WH
RD
RD/WH
GN
N610076266AB
U-TKVV AWG24-3P
BK
BK/WH
RD
RD/WH
GN
N610076266AB
U-TKVV AWG24-3P
BU
BU
BU
BU
BU
3
2
177907-1
B1323P
AMP
1
177899-1
B1323R
AMP
3
2
1
3
2
177907-1
B1324TP
AMP
1
177899-1
B1324TR
AMP
3
2
1
1
BU
2 2
2 2
2 2
2 2
2 2
2
2
2
2
2
2
2
2
2
2
2
RD/WH (0.2mm2-2P)
GN/WH (0.2mm2-3P)
GN/WH (0.2mm2-3P)
3
3
3
3
3
3
3
3
3
3
3
3
Panasonic Factory Solutions Co.,Ltd. パナソニック ファクトリーソリューションズ株式会社
Name
Drawing No.
Loc. No.
F4K1020-05A
1
2 3 4 5 6 7 8
A
B
C
D
E
F
1 2 3 4 5 6 7 8
A
B
C
D
E
F
Page. No.
Tray Feeder Wiring
(EL16CX~Shutter-LS wiring)
N610070389+008AD
P008