NPM-D3A 电路图 - 第208页
在线预览 NPM-D3A 电路图 PDF 文档。

-K301
PNF0AT
Tray control board
-A05
Tray control unit
FAN-ALM
1
2
3
4
/FAN-ALM
N.C
+24V
24G
OUT1
OP0
+24 V
4
3
2
1
43025-0400
FAN-ALM
MOLEX
BK
BK/WH
RD
1
2
3
177899-1
ALM-R
AMP
3
2
177907-1
ALM-P
AMP
1
8
16
8
16
7
15
6
14
5
13
43025-1600
OUT1K301
MOLEX
4
12
3
11
2
10
1
9
177898-1
1S0325R
AMP
2
1
1
177906-1
1S0325P
AMP
2
N610070389+009AE-6C +24A
N610070389+009AE-6C LAMP
7
15
6
14
5
13
4
12
3
11
2
10
1
9
OP1
+24 V
OP2
+24 V
OP3
+24 V
OP4
+24 V
OP5
+24 V
OP6
+24 V
OP7
+24 V
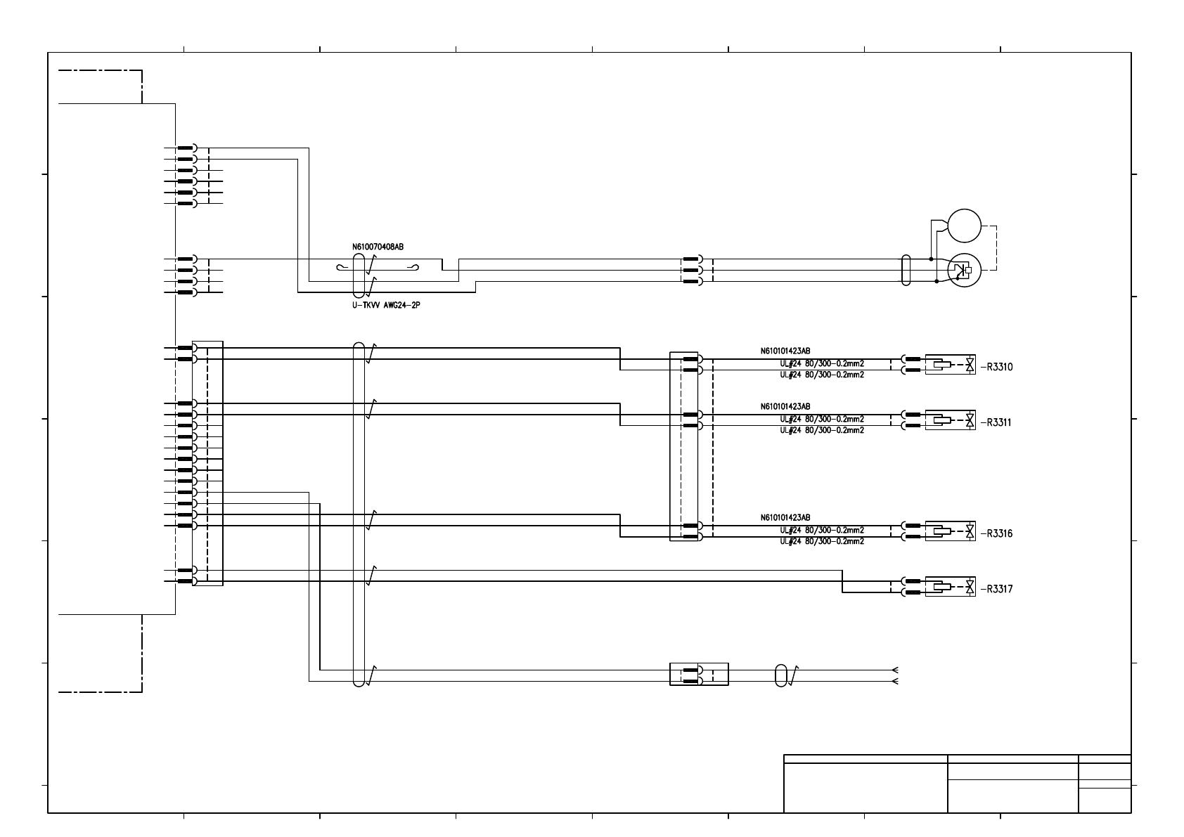
Magazine shutter
open
マガジンシャッター開
Supply side shutter
close
補給部シャッター閉
Magazine door
Lock
マガジンドアロック閉
Magazine door
Unlock
マガジンドアロック開
To
-S0325
Cooling
FAN
4GR-SOCKET-E-100-FL644151
R3317
CKD
-
+
4GR-SOCKET-E-100-FL644151
R3316
CKD
-
+
4GR-SOCKET-E-100-FL644151
R3311
CKD
-
+
4GR-SOCKET-E-100-FL644151
R3310
CKD
-
+
BN
YE/WH
YE
GN/WH
GN
RD/WH
RD
BK/WH
BK
N610070410AE
U-TKVV AWG24-5P
RD/WH (0.2mm2-2P)
BN/WH (0.2mm2-5P) BK/WH (0.2mm2-1P)
BK
N610070406AC
2464-1061/IIA(PF)LF 1PX24AWG
IN5
1
2
3
4
5
6
+24V
24G
IN624
IN625
IN626
N.C
43025-0600
IN5K301
MOLEX
6
5
4
3
2
1
M
-
n
-G101
9GL1224J1J01
RD
YE
BK
SANYO DENKI
177901-1
1R3310R
AMP
6
3
5
2
4
1
177909-1
1R3310P
AMP
1
4
2
5
3
6
BU
BU
BU
BU
BU
BU
5
5
6
6
6
6
6
6
6
7
7
7
7
4G-SOCKET-SET-FL388859
7
4G-SOCKET-SET-FL388859
7
4G-SOCKET-SET-FL388859
7
4G-SOCKET-SET-FL388859
7
8
U-TKVV AWG24-1P
8
Panasonic Smart Factory Solutions Co.,Ltd. パナソニック スマートファクトリーソリューションズ株式会社
Name
Drawing No.
Loc. No.
F4K1020-05A
1
2 3 4 5 6 7 8
A
B
C
D
E
F
1 2 3 4 5 6 7 8
A
B
C
D
E
F
Page. No.
Tray Feeder Wiring
(Fan alarm,Valve wiring)
N610070389+010AJ
P010

5.
LOAD WIRING DIAGRAM OPTION
負荷配線図 オプション
5-11 MULTIFUNCTIONAL TRANSFER UNIT
汎用型転写ユニット
EJM6EB-10-511-01