NPM-D3A 电路图 - 第22页
在线预览 NPM-D3A 电路图 PDF 文档。

1.
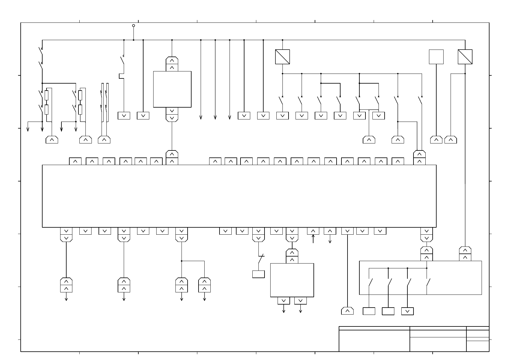
CONTROL BOX DIAGRAM
コントロール BOX 配線図
1-1 POWER UNIT 1
パワーユニット 1
EJM6EB-10-101-00

-K321
PNF0B4
ILK Board #1
CNX1
CN-FANA
CNTM-UP
CNEXL-M/S CNEXR-M/S
CNHOUR
Safety
Connection
G9SC-PF
CNEMGCOV
To Transportation Opening Sensor
(RX)
OPT1
CNMC2
-X111
3~200V
CN1
CNX2
-T121
AC200
DC24
CNTL
(TX)
OPT2
CNMC3,4,5
CNSR1
-K122
CN2 CN3
CN1
CN00,CN01
CNAIR
CNPATO CNVLB
Pump
CART1
CART2
HEAD1PW LC1,LC2
-K223
To
Pump
Cooling
Fan
CHIP1,2 CHNG1,2
CNRLY1
-T122
AC200
DC24
CN-PWRM
-K223
CNPLED
CN-FAN,B,C
EXTOT2
CN1,5,6,7
CNTR1,2
CNUP1,2
CN3D
CN-CART
CNDU-P/S
CN-LED
CNDAM1,2
CNSRV
CNFDCOV
CNMC1
HEAD2PW
-K332
-K221
-K222
PNF0AN
Power Failure Sub
Board
-F129 -F127
CN24V
Safety Relay
-K121
CN1
CN2
-K221
-K222
To Rear
Tray EMG
NCIO
CN7
ILK#2
OPT1
LCVL
To
Inspection
Cart(Front)
To
Main Air
Valve
G9SC-400-CNP4E
To
CPU
Box
CNTM1,2
EXTOT1
CNEMGF/R
To
EMG SW
Safety Cover
(Front/Rear)
CNFDCVFP/RP
To
Feeder Cover
(Front/Rear)
CART1
CARTR2
To
Cart Unit
(Front)
To
Cart Unit
(Rear)
To
Tray
Feeder
(Rear)
-K223
-F122
-F124 -F123 -F126
-F125
To
Option
-F128
To
Servo
Driver4
-G103
1G103R 1T122R
DC Fan
1
To Power Unit2
1EMGCOVR
To Power Unit2
1CN24VR
To Power Unit2
SF24VR
To Power Unit2
1
1EXTOT1R
To Power Unit2
-K233
-K234
-K231
-K232
1CN2K131R
To Power Unit2
To Power Unit2
3 4
To Servo Driver
1 2
To Servo Driver
1CN2K132R
1
-K231
-K232
-K233
-K234
Panasonic Smart Factory Solutions Co.,Ltd. パナソニック スマートファクトリーソリューションズ株式会社
Name
Drawing No.
Loc. No.
F4K1020-05A
1
2 3 4 5 6 7 8
A
B
C
D
E
F
1 2 3 4 5 6 7 8
A
B
C
D
E
F
Page. No.
Power Unit 1 Wiring:NPM-D3
(Block Diagram)
N610161320+002AB
P002