文档中心
/
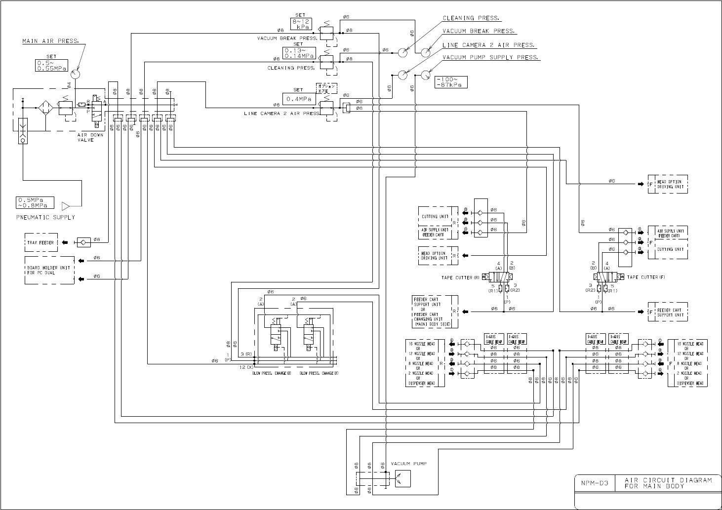
NPM-D3A 电路图
NPM-D3A 电路图 - 第276页
在线预览 NPM-D3A 电路图 PDF 文档。
目录
100%
显示:宽度
宽度
1 / 284
回到旧版
旧版
?
8.
AIR CIRCUIT DIAGRAM
エアー回路図
EJM6EB-10-801-01
该页面需要启用 JavaScript 才能进行交互式预览。